• Добро пожаловать на компьютерный форум Tehnari.ru. Здесь разбираемся с проблемами ПК и ноутбуков: Windows, драйверы, «железо», сборка и апгрейд, софт и безопасность. Форум работает много лет, сейчас он переехал на новый движок, но старые темы и аккаунты мы постарались сохранить максимально аккуратно.

    Форум не связан с магазинами и сервисами – мы ничего не продаём и не даём «рекламу под видом совета». Отвечают обычные участники и модераторы, которые следят за порядком и качеством подсказок.

    Если вы у нас впервые, загляните на страницу о форуме и правила – там коротко описано, как задать вопрос так, чтобы быстро получить ответ. Чтобы создавать темы и писать сообщения, сначала зарегистрируйтесь, а затем войдите под своим логином.

    Не знаете, с чего начать? Создайте тему с описанием проблемы – подскажем и при необходимости перенесём её в подходящий раздел.
    Задать вопрос Новые сообщения Как правильно спросить
    Если пришли по старой ссылке со старого Tehnari.ru – вы на нужном месте, просто продолжайте обсуждение.

Ремонт "Вега 108 Стерео"

Статус
В этой теме нельзя размещать новые ответы.
Пред там шумит очень!
Стандартная история отечественной аппаратуры... У нас как, либо оконечник нормальный - пред кривой, либо наоборот, пред нормальный а выхлоп упоротый :D
 
urfinjuss66 оказался прав. :)
 

Вложения

  • panda-pirate1.webp
    panda-pirate1.webp
    16.2 KB · Просмотры: 76
А что такое , это самое тау 7950 -
В сентябре 1976 года Международная электротехническая комиссия утвердила новую редакцию Публикации МЭК-98. АЧХ записи в новом стандарте не изменилась, но в АЧХ воспроизведения появилась четвёртая постоянная времени, 7950 мкс, соответствующая фильтру верхних частот с частотой среза 20,02 Гц. По идее разработчиков стандарта, новый фильтр должен был подавлять прохождение инфразвуковых колебаний при воспроизведении короблёных пластинок. Так вот в корректоре Арктура - 006 этого фильтра нет. Из - за этого при воспроизведении пластинки, он может дико возбудиться ( в плохом смысле ). Появится страшный гул.
 

Вложения

  • RIAA78..gif
    RIAA78..gif
    30 KB · Просмотры: 122
Появится страшный гул.
Ага, понятно. Спасибо!
Читал раньше об этом, ну и естественно не понял вот этих слов-
четвёртая постоянная времени
С 88 года было у меня два Арктура, гул не ловил, но больше я о них говорить не хочу.
Пользую ветхую Электронику Б1-011 и новую бюджетную головку Goldring Electra. Мечтаю о ламповом фонокоре.
 
Мечтаю о ламповом фонокоре.
Собери на полевиках .Le Pacific на Тошибе 170 серии. Такая же вольт амперная характеристика, как и у лампы. Ни фона, ни шума, и звук такой мягонький, как у лампочек. Схему сам найдёшь, или мне дать?
 
Если завтра в наших магазинах не окажется, то история затянется, как и с лампами 6н17б.
 
Ну закажи на Али Экспресс. Через пару недель получишь. Я сразу штук по 40 заказываю. Качество хорошее.
 
Ну попробую.
А может есть достойный двухполярный вариант?
 
Пользую ветхую Электронику Б1-011 и новую бюджетную головку Goldring Electra.
Да, бюджетная такая головка. Чисто для крестьян... :)
Кстати как можете оценить Электронику Б1-011? Можно назвать её лучшей вертушкой СССР?
 

Вложения

  • golden.webp
    golden.webp
    7.2 KB · Просмотры: 48
Кстати как можете оценить Электронику Б1-011? Можно назвать её лучшей вертушкой СССР?
Это клон от грузинских любителей с Thorens TD-125, сама по себе она не плоха, но надо дорабатывать.
А по поводу лучшего советского вертака давно всё ясно, лидером вертушек является Корвет-003 (038)
 
Да, "глицериновый" не плох, говорят Фениксы (сам не слушал) не уступят.
корвет.webpфеникс.webp
 
Анатолий Маркович знал толк в звуке, жаль что потом его идеи не нашли дальнейшего развития в той же концепции, стали идти не на качество/количество, а просто на количество выпускаемого ширпотреба....
 
как можете оценить Электронику
Влад, да как рабочий и крестьянин.
Лет с 20-ти слушал два Арктура, а Б1-011 лежала на шкафу. Когда сын научился бегать и стало невозможно слушать пластинки от тряски бетонного пола, вот тут я и достал Эл-ку, а Арктура на шкаф. Голова была клон ortofon vms20е mkll, завода REMR. Теперь лежит без кристалла.
Короче, всё что мне надо от вертушки- демпфирование от пола и чёткие обороты. Головка и фонокор - это дело отдельное.
 

Вложения

  • 05638619.webp
    05638619.webp
    34.2 KB · Просмотры: 468
  • 128387801055007052.webp
    128387801055007052.webp
    16.9 KB · Просмотры: 265
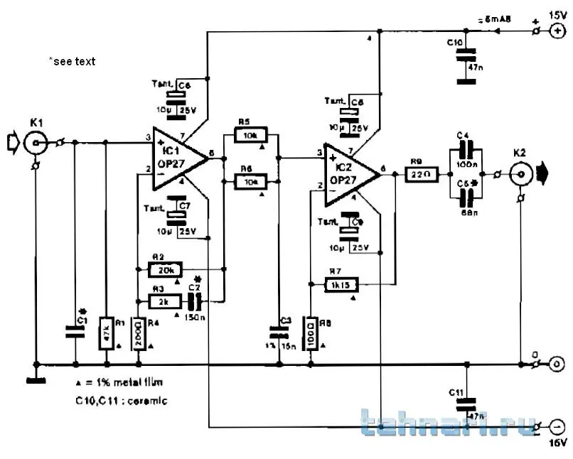
  • PhonoPreamp на двух ОУ..GIF
    PhonoPreamp на двух ОУ..GIF
    4.6 KB · Просмотры: 241
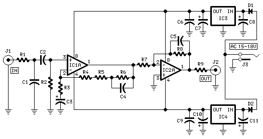
  • Preamplifier-for-magnetic-phono-cartridges.webp
    Preamplifier-for-magnetic-phono-cartridges.webp
    28.3 KB · Просмотры: 211
Да, "глицериновый" не плох, говорят Фениксы (сам не слушал) не уступят.
А чему не уступят то? Любой вертак - это только стол. От него требуется стабильное вращение диска. Качество звучания зависит только от картриджа. Поставь на самый дорогой Люксман башку от Веги 101. И всё.
 
Wolf Project и всем кто может помочь советом по схеме.
Сегодня впаял предусилитель от Радиотехники 101 на малошумящем К548УН1А. Он видимо типовой и лепился на все ЭПУ этого бренда во второй половине 80-х.
Так вот включил с ним Вегу-108 и ахнул, верхи и середина - образец звучания. Хочется слушать и слушать. Так вот оценил Ortofon OM 3E.
Бас гитара и барабаны и все прочее, что звучит снизу тоже прописано четко, но их просто слышно, а именно низов от них маловато.
Что можно поправить в схеме, что бы усилить "низы"?

А то получается контрреволюционная ситуация: верхи могут, а низы не хотят. :))
 

Вложения

  • fonkorrector_radiotehnika.webp
    fonkorrector_radiotehnika.webp
    46.3 KB · Просмотры: 473
Статус
В этой теме нельзя размещать новые ответы.
Назад
Сверху