• Добро пожаловать на компьютерный форум Tehnari.ru. Здесь разбираемся с проблемами ПК и ноутбуков: Windows, драйверы, «железо», сборка и апгрейд, софт и безопасность. Форум работает много лет, сейчас он переехал на новый движок, но старые темы и аккаунты мы постарались сохранить максимально аккуратно.

    Форум не связан с магазинами и сервисами – мы ничего не продаём и не даём «рекламу под видом совета». Отвечают обычные участники и модераторы, которые следят за порядком и качеством подсказок.

    Если вы у нас впервые, загляните на страницу о проекте, чтобы узнать больше. Чтобы создавать темы и писать сообщения, сначала зарегистрируйтесь, а затем войдите под своим логином.

    Не знаете, с чего начать? Создайте тему с описанием проблемы – подскажем и при необходимости перенесём её в подходящий раздел.
    Задать вопрос Новые сообщения Как правильно спросить
    Если пришли по ссылке со старого Tehnari.ru – вы на нужном месте, просто продолжайте обсуждение.

Самодельная акустическая система

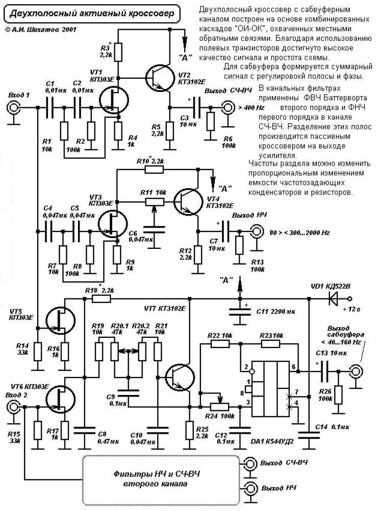
Вот пример активного фильтра.
000.webp
 
А можно будет сделать так: усилитель с двумя микросхемами tda7294 и tda8560q что бы получилась 2.1. Для сабуфера tda7294 а для громкоговорителей tda8560q. Такая связка возможна ?

Сделать можно, как уже сказали с фильтром для сабвуфера. Только вот нестыковочка: на сабвуфер вы ставите высококачественную TDA7294, а на СЧ и ВЧ - простецкую автомобильную TDA8560, может лучше поставить на каждый канал по TDA2050?
 
Тоже верное замечание.
 
Можно на громкоговорители по TDA2030A, а на сабвуфер - две TDA2030A в мостовом включении, чтобы не городить разное питание для всех микросхем.
 
Не подскажите подойдет ли этот динамик для сабуфера ? И не знаете ли вы какой он модели и сколько в нем ватт ?
 

Вложения

  • Фото0018.webp
    Фото0018.webp
    64 KB · Просмотры: 550
  • Фото0019.webp
    Фото0019.webp
    39.1 KB · Просмотры: 473
Подойдёт, это 10ГД-30Е.
 
Блин сейчас проверять начал а он что на низких частотах хрипит негде вроде не порвано ! Незнаю блин аж расстроился ( Вот в этом месте хрипы какие то
 

Вложения

  • Фото00181.webp
    Фото00181.webp
    38.4 KB · Просмотры: 340
Скорее всего сместилась катушка. В принципе, его можно отремонтировать.
 
Мне показалось что вот эта сеточка что на фотке она с дырочками и на магните очнь много железных опилок ( вот мне кажется что они могли туда попасть и как бы из за этого такой звук (
 

Вложения

  • Фото0021.webp
    Фото0021.webp
    49 KB · Просмотры: 438
Вот ещё видео
 
Блин а что у вас видео нельзя загружать ?
 
можно вродебы.
попробуй залить в архив, а архив залить на форум.

ну или если зареган на ютубе то через него.
 
Блин сейчас проверять начал а он что на низких частотах хрипит негде вроде не порвано ! Незнаю блин аж расстроился ( Вот в этом месте хрипы какие то
Насчет этого что скажите ?
 
Мне показалось что вот эта сеточка что на фотке она с дырочками и на магните очнь много железных опилок ( вот мне кажется что они могли туда попасть и как бы из за этого такой звук (

Тогда его надо почистить от грязи при помощи скотча, он на липкую основы может собрать все опилки.
 
Скорее всего сместилась катушка. В принципе, его можно отремонтировать.

а также еще может быть недостаточно мощности усилителя(от чего пробовал включать динамик?)
но скорее всего что то с дином, что сказал Валера.
 
так мне же его придется как то разобрать ) Опилки то внутри походу (
 
Да, скорее всего понадобится отклеить пылезащитный колпачёк.
 
Что за колпачок ?
 
Это спереди приклеена полусфера. Она закрывает магнитный зазор.
 
Назад
Сверху