• Добро пожаловать на компьютерный форум Tehnari.ru. Здесь разбираемся с проблемами ПК и ноутбуков: Windows, драйверы, «железо», сборка и апгрейд, софт и безопасность. Форум работает много лет, сейчас он переехал на новый движок, но старые темы и аккаунты мы постарались сохранить максимально аккуратно.

    Форум не связан с магазинами и сервисами – мы ничего не продаём и не даём «рекламу под видом совета». Отвечают обычные участники и модераторы, которые следят за порядком и качеством подсказок.

    Если вы у нас впервые, загляните на страницу о форуме и правила – там коротко описано, как задать вопрос так, чтобы быстро получить ответ. Чтобы создавать темы и писать сообщения, сначала зарегистрируйтесь, а затем войдите под своим логином.

    Не знаете, с чего начать? Создайте тему с описанием проблемы – подскажем и при необходимости перенесём её в подходящий раздел.
    Задать вопрос Новые сообщения Как правильно спросить
    Если пришли по старой ссылке со старого Tehnari.ru – вы на нужном месте, просто продолжайте обсуждение.

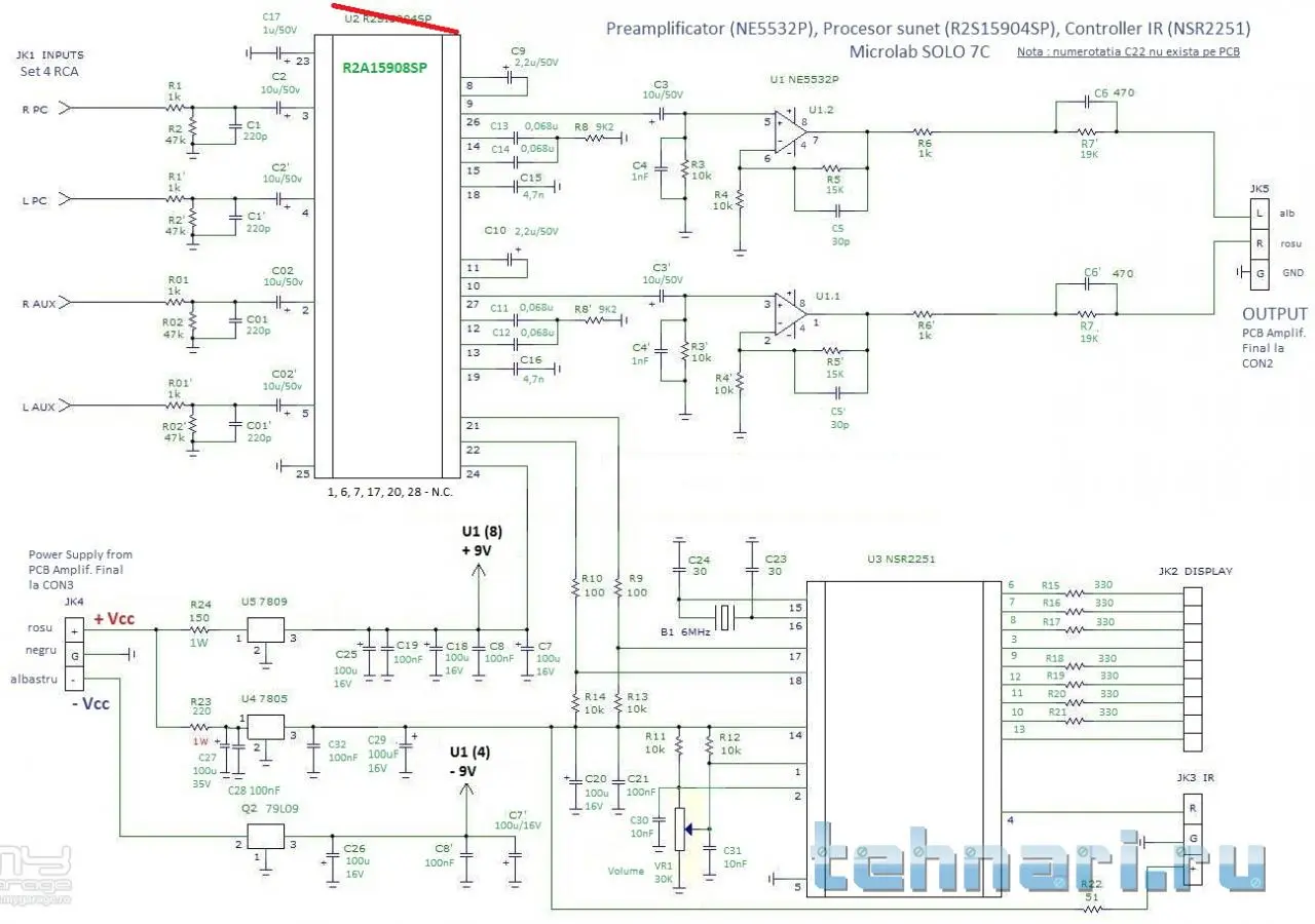
Снизилась раза в два максимальная громкость акустики Microlab Solo 7C

Microlab SOLO 4C - Снизился звук на 60% по 2м каналам

Приветствую. Нужна помощь в известной проблеме: Microlab SOLO 4C (7С - та-же плата кроссовера) внезапно стали играть на 50-60% тише. Ответов как лечить не нашел, хоть это и известная проблема.

Что произошло: Играли отлично, потом положил на полку на +-6 мес. После подключил и обнаружил снижение уровня звука более чем в половину сразу по обоим каналам.

Что проверил и что известно: Кабель исправен, источник сигнала не поменял силу, транс 100% рабочий. УМ 100% рабочий - проверено. Сам ОУ(5532) рабочий– проверено. +-9v есть, 5v есть, электролиты все исправны, с малейшим подозрением заменены (ESR meter). Иглоукалывание на плате показало что у ОУ(5532) есть усиление(хорошо заметное). В правильности проверки следующего не уверен(потому что не разрывал сток дорожки): Сигнал с телефона подавал на один из двух каналов минуя R2A15908SP, до ОУ 5532 – При максимальной громкости с пульта звук на колонки выходит одинаковый. Далее подал сигнал с телефона, все также на один канал из двух, минуя ОУ 5532, до конденсаторов разъема JK5, громкость с пульта на максимум – Канал минуя ОУ играет совсем немного тише.

Вопрос: Где потерялся Звук? Где я могу ошибаться и что я мог не проверить? )
Осциллографа нет.
 

Вложения

  • IMG_20230725_160322.jpg
    IMG_20230725_160322.jpg
    210.6 KB · Просмотры: 10
  • IMG_20230803_061205.jpg
    IMG_20230803_061205.jpg
    185.1 KB · Просмотры: 8
  • 4с2.jpg
    4с2.jpg
    118.4 KB · Просмотры: 20
осциллограф и генератор НЧ сигнала помогут. все остальное - гадание на кофейной гуще.
 
Можно отремонтировать и без осциллографа и генератора, но с навыками ремонта. А можно и с этими приборами ничего не сделать, если без навыков. Но спасатель прав в том, что без конкретной информации о величине сигнала всё это действительно гадание. В документации декларируется нормируемый сигнал на входе, и выходная мощность при этом входном сигнале. Так что нужны, как минимум, генератор синуса, и хотя бы вольтметр переменного напряжения. А по поводу понижения громкости, если измерения это подтвердят: неисправность звукового процессора, либо проблема в прошивке МК. Если дружите с ардуино, можно написать проверочный скетч для диагностики звукового процессора. Кстати, на рцл-радио-ру есть готовый проект на ардуино и этом аудиопроцессоре
 
Последнее редактирование:
На смартфон закачивается звуковой генератор, (даже если мультиметр самый тупой) выставляется частота 50 герц и измеряется выходное RMS напряжение.
В общем, выход всегда есть, было-бы желание, а главное - понимание процесса.
 
Так что нужны, как минимум, генератор синуса, и хотя бы вольтметр переменного напряжения. А по поводу понижения громкости, если измерения это подтвердят: неисправность звукового процессора, либо проблема в прошивке МК. Если дружите с ардуино
Частоту 100Гц подаю с программы на телефоне.
Имеется мультиметр с возможностью измерения переменки.
Поясните пожалуйста что имеется ввиду под "Звуковой процессор" - ОУ?(он точно жив и питается правильно). "либо проблема в прошивке МК" - тоже не уверен что правильно понял )) R2A15908SP и nsr2251 как я понимаю могут быть виной?
С ардуино к сожалению не дружу.


ПС. Можно как то усилить имеющийся сигнал? Пусть это и не очень правильно. Все же работает, нужно только сделать сигнал выше.
 
На смартфон закачивается звуковой генератор, (даже если мультиметр самый тупой) выставляется частота 50 герц и измеряется выходное RMS напряжение. В общем, выход всегда есть, было-бы желание, а главное - понимание процесса.
Желание есть, к пониманию стремлюсь )

Со смартфоном и генератором - так и есть. мультиметр наверное не самый тупой ) Замерял вольтаж на клемах баса на 100Гц.

Я обязательно загуглю, но если не сложно, можно подробнее про замер "RMS напряжение"?
 
Дополнение: Замер напряжения на 2251 производился после включения колонок и составляет 5v. Но! Если изменить громкость пультом, чтобы прочерки на индикаторе сменились на цифры, происходит просадка до 0.2v.
Ближе к ночи буду смотреть почему такое происходит. Посмотрю приёмник ИК, там есть электролит (ранее не обратил внимание на него).
 
я, на счет - многих, сомневаюсь. у многих хороших -да. у распространенных и дешевых,по определению - нет. судя по вопросам у автора, если имеется прибор, то он дешевенький, без возможности измерять TRUE RMS.
 
У меня UNI-T UT33C.
Позже отвечу по RMS. Сейчас надо убегать.
 
Один из моих такой же.
Надёжная и довольно точная машинка.
 

Вложения

  • IMG_20230806_155918.jpg
    IMG_20230806_155918.jpg
    165.3 KB · Просмотры: 10
RMS-то на 50-ти герцах
при правильной синусоиде
будет измерять
чем больше отклонения от синусоиды, тем больше будет врать.
у автора 100Гц и они пропущены через усилитель. поэтому надо смотреть форму сигнала, а поэтому надо иметь осциллоскоп. по искажениям есть шанс определить место (не деталь) поломки.
по прибору - нормальный мультиметр. для дома и семьи достаточен. так как я занимаюсь не только для дома и семьи, а иногда даю и письменные заключения, то у меня приборы, по мимо таких, занесены в госреестр. ремонт произвожу больше, по старой памяти, со стрелочными, типа АВО Ц... имеется даже YХ-1000 (в нагрудном кармане помещается) но вот сослаться на них, как и на UT33, в письменном заключении не предоставляется возможным. MY64 со свидетельством о поверке и иже с ним - прокатывают.
 
при правильной синусоиде
Бум надеяться что более-менее.
при правильной синусоиде
на UT33, в письменном заключении не
Дык, ему на первом этапе нужно общее оценочное и не нужно поверенного с точностью 0,001 процента.
Искажения он потом и на ух оценит.
Зачем усложнять парню жизнь в самом начале пути познания.
 
Последнее редактирование:
Ему не технические заключения писать ведь. Нужно измерить напряжение на входе и выходе, на выходе пересчитать в мощность, и сравнить с паспортными данными. Если взять программного гену со смартфона, то у него на выходе будет достаточно точная синусоида на низких частотах
 
Вот-вот!
И я о том-же.
 
не зная формы сигнала, доверять показаниям вольтметра, данного вольтметра - нельзя.
а следовательно нельзя сделать однозначный вывод о выходной мощности усилителя.
потому как этот усилитель уже неисправен, и что у него на выходе имеется в данный момент, только всевышний знает. какой там усилитель? класса А? АВ? или все таки D? и что это значит при поломке для формы сигнала на выходе?
 
Короче говоря, Василий "упёрся рогом" и не хочет признавать очевидное.
 
Назад
Сверху