• Добро пожаловать на компьютерный форум Tehnari.ru. Здесь разбираемся с проблемами ПК и ноутбуков: Windows, драйверы, «железо», сборка и апгрейд, софт и безопасность. Форум работает много лет, сейчас он переехал на новый движок, но старые темы и аккаунты мы постарались сохранить максимально аккуратно.

    Форум не связан с магазинами и сервисами – мы ничего не продаём и не даём «рекламу под видом совета». Отвечают обычные участники и модераторы, которые следят за порядком и качеством подсказок.

    Если вы у нас впервые, загляните на страницу о форуме и правила – там коротко описано, как задать вопрос так, чтобы быстро получить ответ. Чтобы создавать темы и писать сообщения, сначала зарегистрируйтесь, а затем войдите под своим логином.

    Не знаете, с чего начать? Создайте тему с описанием проблемы – подскажем и при необходимости перенесём её в подходящий раздел.
    Задать вопрос Новые сообщения Как правильно спросить
    Если пришли по старой ссылке со старого Tehnari.ru – вы на нужном месте, просто продолжайте обсуждение.

Стрелочный индикатор из этого прибора

а какую схему использовать тогда???
 
Это стыдно, ибо математика, 5 класс.
R(ком) - это то сопротивление которое нужно найти.

P(w) - Выходная мощность усилителя
Imax(mA) - ток полного отклонения стрелки милиамперметра. Этот ток всегда пишут на передней панели, ищите.
В скобках указано в каких единицах подставлять значения.
 
Кстати схема немного недоработаная. Я взял все детали как и на схеме, но при подключении схемы к колонке стрелка резко уходит до конца а потом постепенно падает до четверти от полного отклонения и только тогда начинает дёргатся, но не выше половины. Причём колонки работают на всю, даже черезчур хрипят от такой громкости.
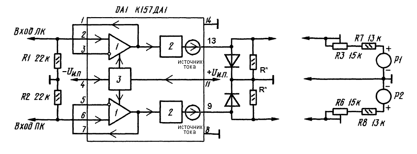
Артем, Об этом речь не шла. Автору еще проще надо. Вот только почему он уверен, что схема проще - будет работать как надо? Чтобы работала как надо - собирайте на микросхеме К157ДА1.
 
и того у меня вышло 5,1кОм

дима что такое ком ом и т.д. я знаю,я вот просто не допер(((
 
Я взял все детали как и на схеме, но при подключении схемы к колонке стрелка резко уходит до конца а потом постепенно падает до четверти от полного отклонения
Артем, чёйто тут не то, электролит не даст дернутся стрелке ... :)
 
какая схема включения больше подходит??
 

Вложения

  • lin.gif
    lin.gif
    13.8 KB · Просмотры: 864
  • log.gif
    log.gif
    14.6 KB · Просмотры: 2,022
и можно один канал юзать??
 
Отлично. Теперь нужно подключить к выходу усилителя, и плавно повышать громкость. Если стрелка начнет уходить за пределы, то увеличить номинал резистора. Если будет отклонятся слабо, то уменьшить. И потом как заметил Артем, у этой схемы узкий рабочий диапазон, т.е. стрелка будет отклоняться только на максимальной громкости. Поэтому применяют предварительное сжатие этого диапазона, что делает К157ДА1.

это я про первую схему, пока писал, не заметил схемы на микросхеме

Артем электролит не даст дернутся стрелке ... :)
Особенность самого усилителя - бросок напряжения при включении.

какая схема включения больше подходит??
Обе подходят, у второй шире динамический диапазон, вторая лучше для мощных усилителей.
 
Последнее редактирование:
если хочешь чтобы работало путём нужно всяко разно собирать усилитель напряжения....можно скидать к примеру такой (я собирал нормуль работает) - с линейного входа даже
http://www.tehnari.ru/attachments/f170/30688d1298106652-amp145-22.jpg
напруга если большая можно убавить резистор R2
либо у валеры посмотреть у него чёт немножко другая схемка в его усилке
да и про вольтметр...если хочешь его подцепить на выход усилка....он у тебя должен быть ватт 500 чтобы стрелка на всю шкалу работала
К157ДА1 зашибись подходит..можно юзать и один (блин берут же где то ща ещё эти мелкосхемы)
 
Последнее редактирование:
если хочешь чтобы работало путём нужно всяко разно собирать усилитель напряжения....можно скидать к примеру такой (я собирал нормуль работает) - с линейного входа даже
http://www.tehnari.ru/attachments/f170/30688d1298106652-amp145-22.jpg
напруга если большая можно убавить резистор R2
либо у валеры посмотреть у него чёт немножко другая схемка в его усилке
да и про вольтметр...если хочешь его подцепить на выход усилка....он у тебя должен быть ватт 500 чтобы стрелка на всю шкалу работала
К157ДА1 зашибись подходит..можно юзать и один (блин берут же где то ща ещё эти мелкосхемы)
Вот тут вы не правы :)
Усилок не обязательно ватт на 500. Я собрал по схеме валерия, так на 6 ватных колонках от компьютера стрелки гнулись(причём переменник стоял чуть больше чем на половину. Так, что тут я не соглашусь!!
 
Вот тут вы не правы :)
Усилок не обязательно ватт на 500. Я собрал по схеме валерия, так на 6 ватных колонках от компьютера стрелки гнулись(причём переменник стоял чуть больше чем на половину. Так, что тут я не соглашусь!!
всё правильно....на шкалу то посмотрите..она параметрическая...до 1000V...вот и показывает примерно 50-70V
 
сделал по схема валерия,тока резистор переменный поставил на 3,3кОм,все отлично работает)))на маленьком вольтометре
 
может можно перемотать обмотку большого вольтометра??
 
может можно перемотать обмотку большого вольтометра??
Ваши 2 прибора кардинально отличаются друг от друга и конструкцией и принципом работы.Маленький имеет магнит в поле которого подвешена рамка(катушка из провода по которой течет ток).Этот ток создает свое магнитное поле и взаимодействие двух полей отклоняет рамку а вместе с ней и стрелку. Такие приборы предназначены для постоянного тока и обладают высокой чувствительностью. В большем магнитное поле создается неподвижной катушкой .Это поле просто притягивает кусочек металла соединенный со стрелкой.Такие приборы предназначены для переменного тока. Если из Вашего выбросить все и подать непосредственно на катушку напряжение от динамика (через переменное сопротивление несколько сотен ом) то стрелка будет отклонятся в такт с музыкой.Но не линейно а в зависимости и от частоты тоже. Душераздирающее зрелище ,скажу я Вам, но ради опыта попробовать стоит.Удачи.:tehnari_ru_953:
 
Илья, рамку прибора перемотать очень сложно, нужен опыт ... :)
 
Перемотка ничего для Ваших целей не даст, ведь он все равно останется прибором для ПЕРЕМЕННОГО тока в довольно узком диапазоне частот .Удачи.:tehnari_ru_953:
 
Назад
Сверху