• Добро пожаловать на компьютерный форум Tehnari.ru. Здесь разбираемся с проблемами ПК и ноутбуков: Windows, драйверы, «железо», сборка и апгрейд, софт и безопасность. Форум работает много лет, сейчас он переехал на новый движок, но старые темы и аккаунты мы постарались сохранить максимально аккуратно.

    Форум не связан с магазинами и сервисами – мы ничего не продаём и не даём «рекламу под видом совета». Отвечают обычные участники и модераторы, которые следят за порядком и качеством подсказок.

    Если вы у нас впервые, загляните на страницу о проекте и правила – там коротко описано, как задать вопрос так, чтобы быстро получить ответ. Чтобы создавать темы и писать сообщения, сначала зарегистрируйтесь, а затем войдите под своим логином.

    Не знаете, с чего начать? Создайте тему с описанием проблемы – подскажем и при необходимости перенесём её в подходящий раздел.
    Задать вопрос Новые сообщения Как правильно спросить
    Если пришли по старой ссылке со старого Tehnari.ru – вы на нужном месте, просто продолжайте обсуждение.

TDA2050 - стандартная схема включения

  • Автор темы Автор темы TSKos
  • Дата начала Дата начала
Звук делает НЕ ТДА, а усилитель на ее основе (вся конструкция в целом). ТДА это всего лишь винтик механизма.
Не экономь.

Я не согласен с утверждениями что "у той ТДА мало басов, а у этой много". Я в свое время игрался с LM3886, паял различные схемы на ее основе. И все они давали разный звук и разный бас.

полностью с вами согласен! А еще качество зависит от комплектующих и в качестве разводки схемы!
 
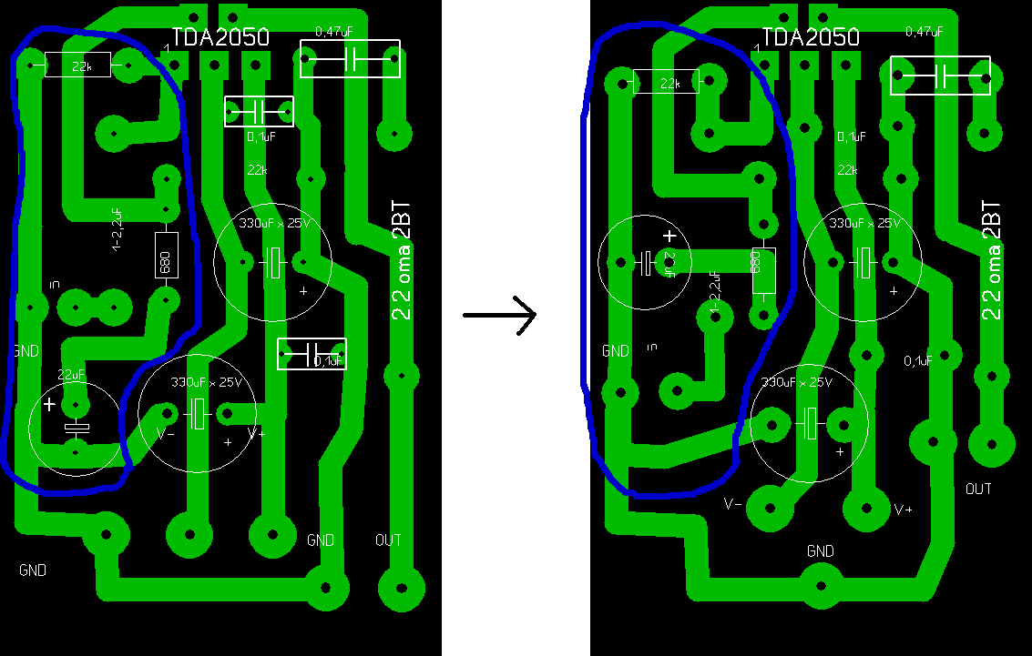
Я чёт не пойму есть ли разница если я поменяю расположения кандёров?
 

Вложения

  • 3.GIF
    3.GIF
    36.4 KB · Просмотры: 975
По идее не должно, но разве это не две разные печатки?
они одинаковые ток я кондёры с резиторами поменял (синим обведено) и чуть дорожки увеличил, вобщем вот печатка которую щас собираюсь отправить на принтер, все верно как считаете?
 

Вложения

  • 1.GIF
    1.GIF
    15.5 KB · Просмотры: 180
ух хорошо что не начал травить, нашёл косяк в печатке резистор 22 ком со второй ноги должен быть на 4, а у меня на общем!
 
ух хорошо что не начал травить, нашёл косяк в печатке резистор 22 ком со второй ноги должен быть на 4, а у меня на общем!

Ну вот, лучше, по моему мнению, на проверенной печатке делать) А зачем ты их менял и дорожки увеличивал?)
 
Ну вот, лучше, по моему мнению, на проверенной печатке делать) А зачем ты их менял и дорожки увеличивал?)
под кусок текстолита подгоняю, вот только проблемка как объединить 2 канала???
 

Вложения

  • 1.GIF
    1.GIF
    27 KB · Просмотры: 277
  • 2050.zip
    2050.zip
    19.1 KB · Просмотры: 30
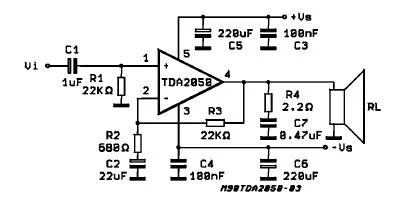
Я вот не пойму, если собирать стандартную схему, то почему не воспользоваться даташитовской печаткой? Там хотя бы параметры усилителя гарантированы. А из этого самопала еще не известно что получится, но лучше точно не будет.
 
Там хотя бы параметры усилителя гарантированы

Не спорю) Я уже предлагал воспользоваться проверенными печатками.
Кстати, на вход надо электролит ставить? В даташите вроде электролит стоит, я как первый раз увидел, у меня чуть глаза на лоб не вылезли) Вроде как керамику, а ещё лучше, пленку, ставят.
 
Я вот не пойму, если собирать стандартную схему, то почему не воспользоваться даташитовской печаткой? Там хотя бы параметры усилителя гарантированы. А из этого самопала еще не известно что получится, но лучше точно не будет.
стоп! стоп! а разве у меня не даташит???????????
 
Кстати, на вход надо электролит ставить? В даташите вроде электролит стоит, я как первый раз увидел, у меня чуть глаза на лоб не вылезли) Вроде как керамику, а ещё лучше, пленку, ставят.

Можно попробовать поставить все и послушать что лучше звучит и есть ли вообще разница.


стоп! стоп! а разве у меня не даташит???????????

Даташит вот:

2050 даташит.webp
 
как провода объединить места то мало на куске текстолита

Провода припаивай, к каждому каналу желательно свои провода питания, хотя я не стал так делать - скрутил вместе, и ничего плохого вроде не заметил)

стоп! стоп! а разве у меня не даташит???????????

Детали даташитовские, всё дело в другой разводке ПП. Если у тебя слух хороший и ты любишь красивое звучание, то лучше и печатку даташитовскую взять. Мне-то без разницы на правильность воспроизведения, у меня со слухом проблемы) Хотя друзья говорят, что хорошо звучит)

Ну а если тебе всё равно, лишь бы более-менее нормально пело, то собирай по этой, может, повезет, и будет отличное качество)
 
Можно попробовать поставить все и послушать что лучше звучит и есть ли вообще разница.

Увы, я не послушаю) Со слухом проблемы. Просто хочется узнать, микросхеме и другим деталям ничего из-за этого не грозит?
 
Просто хочется узнать, микросхеме и другим деталям ничего из-за этого не грозит?

Не грозит ничего. Тип входного конденсатора может сказаться только на окраске звучания и коэф-те искажений. Поэтому лучше отслушать все варианты.
 
Не грозит ничего. Тип входного конденсатора может сказаться только на окраске звучания и коэф-те искажений. Поэтому лучше отслушать все варианты.
Ну попробую, может чего и уловлю в разнице) Спасибо.

а я что не по даташиту собрал???

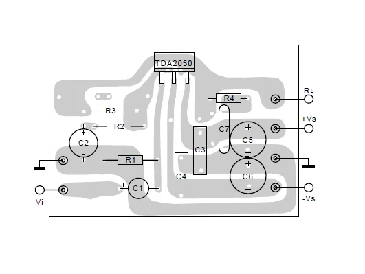
Это схема, а печатка вот
 

Вложения

  • Безымянный.webp
    Безымянный.webp
    51.8 KB · Просмотры: 979
Я чёт не пойму есть ли разница если я поменяю расположения кандёров?
Обе неправильные. Если сумеешь свести земляные выводы R1, C2 и сигнальную землю в одной точке то будет респект и уважение.

Даташитная в этом плане лучше.
 
Что то вы меня совсем запутали. как так получилось?????????? вроде собирал по схеме из даташита.
 
Назад
Сверху