• Добро пожаловать на компьютерный форум Tehnari.ru. Здесь разбираемся с проблемами ПК и ноутбуков: Windows, драйверы, «железо», сборка и апгрейд, софт и безопасность. Форум работает много лет, сейчас он переехал на новый движок, но старые темы и аккаунты мы постарались сохранить максимально аккуратно.

    Форум не связан с магазинами и сервисами – мы ничего не продаём и не даём «рекламу под видом совета». Отвечают обычные участники и модераторы, которые следят за порядком и качеством подсказок.

    Если вы у нас впервые, загляните на страницу о проекте, чтобы узнать больше. Чтобы создавать темы и писать сообщения, сначала зарегистрируйтесь, а затем войдите под своим логином.

    Не знаете, с чего начать? Создайте тему с описанием проблемы – подскажем и при необходимости перенесём её в подходящий раздел.
    Задать вопрос Новые сообщения Как правильно спросить
    Если пришли по ссылке со старого Tehnari.ru – вы на нужном месте, просто продолжайте обсуждение.

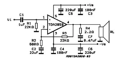
TDA2050 - стандартная схема включения

  • Автор темы Автор темы TSKos
  • Дата начала Дата начала
Я имею ввиду помехи,а не треск по ушам,Или я не прав?

если у источника сигнала и усилителя динамический диапазон широкий,а фонограмма качественная то так оно и должно быть в идеале. koresch

к стати эффект есть очень интересный,если крутить фазу на ВЧ то это намного заметнее чем на НЧ и по этому у усилителей с хорошим качеством ,всегда диапазон воспроизводимых частот намного шире(в сторону увеличения),хоть мы те частоты и не услышим,но зато в диапазоне от 20Гц до 20кГц АЧХ и ФЧХ будут с минимальными отклонениями,что как раз и будет восприниматься наилучшим образом.

по поводу шумов и треска,то чаще всего причиной служит плохое питание и плохая разводка печатной платы.Подтверждением этому есть статья *аудиокиллера*-в гугле сразу найдётся.

шунтирующие конденсаторы по питанию будет намного *полезнее* вообще припаять к ногам микросхемы со стороны дорожек,а не тянуть их через всю плату,и здесь оптимальнее ставить керамику,даже не потому,что она стоит дешевле,а потому,что она при такой же ёмкости будет заметно меньше по габаритам и её при желании можно вообще на ноги припаять.
 
Я имею ввиду помехи,а не треск по ушам,Или я не прав?

Не прав. Это простейшее требование, которое должно соблюдаться. Но к качеству звука это особого отношения не имеет. Например пластинка, с непременным потрескиванием и шумом, дает гораздо более качественный звук чем бесшумная запись из мп3 файла.
 
Когда в песнях на максимуме в перерыве тишина и гладь

У меня всегда в перерывах тишина и гладь, однако это не значит, что КНИ меньше 0.01%

Я имею ввиду помехи,а не треск по ушам,Или я не прав?

Я имел в виду качество при воспроизведении
 
а можно заменить электролит 22mf(c2) на 47mf???
замена на что нибудь повлияет?
 

Вложения

  • 2.webp
    2.webp
    10.4 KB · Просмотры: 223
Повлияет, НЧ будет побольше
 
в каком смысле хуже? хуже что баса мало?
у 7294 хуже передача баса,да и вообщем звук,а 2050 в этом случае на высоте.Та долбит по ушам,а эта поет и оч.качество хорошее.Но в силе и мощи конечно 7294.Чем то проходится жертвовать.
 
у 7294 хуже передача баса,да и вообщем звук,а 2050 в этом случае на высоте.Та долбит по ушам,а эта поет и оч.качество хорошее.Но в силе и мощи конечно 7294.Чем то проходится жертвовать.
ок ясно, придётся ещё поискать 22мф
 
Это значит что поддерживаю мнение roma/ "стопитсот" раз
 
а можно 22мф на 250 вольт? вольтаж вроде по сути значения не имеет если больше 25
 
Можно, если влезет
 
Даже 1000, но от 220 и выше уже ничего не заметишь.
думаю не стоит, так как басов как сказали у тда2050 и так достаточно, а тут ещё прибавится если 47 будет,так что лучше поставлю 22мф
 
Звук делает НЕ ТДА, а усилитель на ее основе (вся конструкция в целом). ТДА это всего лишь винтик механизма.
Не экономь.

Я не согласен с утверждениями что "у той ТДА мало басов, а у этой много". Я в свое время игрался с LM3886, паял различные схемы на ее основе. И все они давали разный звук и разный бас.
 
Назад
Сверху