• Добро пожаловать на компьютерный форум Tehnari.ru. Здесь разбираемся с проблемами ПК и ноутбуков: Windows, драйверы, «железо», сборка и апгрейд, софт и безопасность. Форум работает много лет, сейчас он переехал на новый движок, но старые темы и аккаунты мы постарались сохранить максимально аккуратно.

    Форум не связан с магазинами и сервисами – мы ничего не продаём и не даём «рекламу под видом совета». Отвечают обычные участники и модераторы, которые следят за порядком и качеством подсказок.

    Если вы у нас впервые, загляните на страницу о форуме и правила – там коротко описано, как задать вопрос так, чтобы быстро получить ответ. Чтобы создавать темы и писать сообщения, сначала зарегистрируйтесь, а затем войдите под своим логином.

    Не знаете, с чего начать? Создайте тему с описанием проблемы – подскажем и при необходимости перенесём её в подходящий раздел.
    Задать вопрос Новые сообщения Как правильно спросить
    Если пришли по старой ссылке со старого Tehnari.ru – вы на нужном месте, просто продолжайте обсуждение.

Усилитель Брагина

Насколько понял, главной движущей силой при выборе усилителя было наличие печатной платы под RRR-У-101. Хотя отличия не существенны, поменять/убрать часть деталей и получим оригинал 87.

Ну не совсем... вообще я сначала хотел собрать Лайкова-5, но почитав форумы по нему и отзывы понял что он капризен очень.. Термостабильность там проблема... Ну и тут попался на глаза усь Брагина, а благо я его слышал на совке правда... древнюю версию... но звук понравился.. вот и решил сделать себе в у-101 так же
 
купил керамику murata... Без осоцилографа не буду рисковать... поставлю...
Керамика тоже не всякая подойдёт, из импортной только NP0, COG, а из отечественных - групп ТКЕ П33, М75 на напряжение 250 - 500 вольт.
Есть довольно простое и эффективное решение, параллельно цепочке Буше поставить керамический конденсатор указанных выше групп ёмкостью примерно 2200 пФ, его значительно легче приобрести.
А вообще осоцилограф в планах... очень пожалуй нужен...
Осциллоскоп тоже не всякий подойдёт, на игрушки типа DSO 150, не обращайте внимания - деньги на ветер. Чтобы оценить тот же усилитель и посмотреть на предмет возбуждения нужен с полосой пропускания не менее 100 МГц...
 
Осциллоскоп тоже не всякий подойдёт, на игрушки типа DSO 150, не обращайте внимания - деньги на ветер. Чтобы оценить тот же усилитель и посмотреть на предмет возбуждения нужен с полосой пропускания не менее 100 МГц...
Игрушка не игрушка ,но клип и меандр посмотреть можно.Даже такой картинки понимающему многое станет ясно.
шумы цифровиков меня лично раздражают
 

Вложения

  • dUssca7fKaA.webp
    dUssca7fKaA.webp
    77.3 KB · Просмотры: 75
  • LQh10U-X-_4.webp
    LQh10U-X-_4.webp
    53.8 KB · Просмотры: 46
Керамика тоже не всякая подойдёт, из импортной только NP0, COG, а из отечественных - групп ТКЕ П33, М75 на напряжение 250 - 500 вольт.
Как раз NP0) Вечером поменяю и пробовать настраивать ток покоя буду... а то он великоват 20 ма на непрогретом...
 
Смоделировал выходной каскад, несколько отличающийся от авторского, схематический рисунок прилагаю.
 

Вложения

  • OUT_N.webp
    OUT_N.webp
    54.4 KB · Просмотры: 877
Ну мы фотки то увидим?
 
В стадии первого подключения... работы еще много... делаю второй канал - потом это все в корпус
 

Вложения

  • IMG_20190730_220227.webp
    IMG_20190730_220227.webp
    74.4 KB · Просмотры: 424
Бп уже плату переделал - теперь с предохранителями... + диоды зашунтировал конденсаторами. Давайте критику...
Сори вчера жена напрягла- не было времени....
 
Как только доделаю второй канал и настрою - все аккуратно в корпус... чтоб провода красиво... пред другой поставлю, пока что на ne5552 .. Вот тогда обязательно наделаю фоток красивых- так сказать отчет о работе... а пока нечем похвастать
 
Есть один момен... в отличии от рекомендации автора у меня конденсаторы на 22нф стоят не дистковая керамика а многослойная на 50в... банально нет ни в 1 магазине в нашем Воронеже.... Критично ли это? И можно ли заменить высоковольтной пленкой ???
 
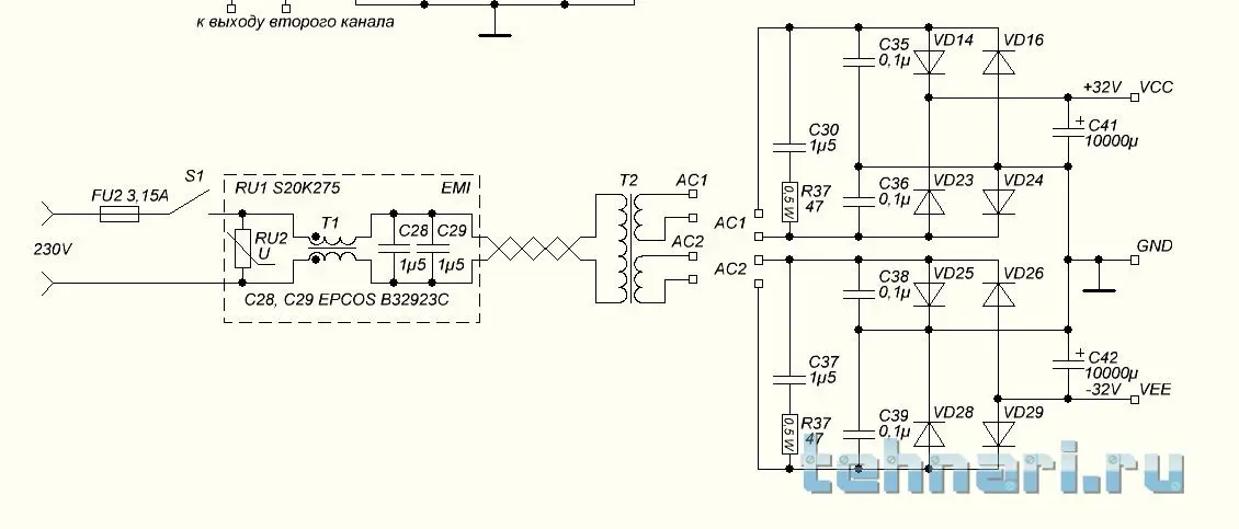
Начну с блока питания.
Плату практичнее было сделать на двухстороннем стеклотекстолите.
Предохранители в цепях вторичного питания скорее зло, нежели средство спасения.
Нужно было ставить на каждую обмотку по отдельному мосту, такая мера снижает коммутационные ВЧ выбросы диодов в цепи питания УМ.
На этой же плате удобно разместить устройство защиты АС, на UPC.1237, к примеру.
На рисунке как раз схема блока питания переделанной "Радиотехники"...
 

Вложения

  • EMI_T_PS.webp
    EMI_T_PS.webp
    28.8 KB · Просмотры: 373
Есть один момен... в отличии от рекомендации автора у меня конденсаторы на 22нф стоят не дистковая керамика а многослойная на 50в... банально нет ни в 1 магазине в нашем Воронеже.... Критично ли это? И можно ли заменить высоковольтной пленкой ???
Не ясно о чём идёт речь и что за такая "дисковая керамика". Если применили NP0, то ни каких проблем, покажите, в каком месте схемы применяете и будет ясно, какой тип конденсатора можно будет применить.
 
Плату практичнее было сделать на двухстороннем стеклотекстолите.
Чего нет под рукой- того нет((( А ценник на него в чип и дипе космос... в местных магазинах и того дороже... Можно на авито было поискать но это время....
 
с7, с8, с17 - на схеме. Рекомендация дисковая однослойная керамика... Я воткнул многослойную.... потому что другой банально нет в магазинах... Можно ли пленку на 250в туда?
 

Вложения

  • 01 Брагин схема.png.webp
    01 Брагин схема.png.webp
    67.5 KB · Просмотры: 1,153
На 470пф я нашел дисковую однослойную керамику murata у нас в магазинах... а вот на 22нф нету((( Хз оставить так или лучше заменить? Подскажите неопытному..
 
С7, С8 ставьте SMD керамику X7R, от 0,1 до 1 мкФ. Распаивать её лучше непосредственно на выводах микросхемы со стороны дорожек, ставьте три конденсатора: + и общий провод, - и общий провод, а так же непосредственно между плюсом и минусом.
С17 можете применить плёнку, в сообщениях выше я уже писал об этом, а эту цепь целиком зашунтировать керамикой NP0 на 2200 пФ.
 
Ок, спасибо) А повышение номиналов с7 и с8 не ухудшит параметров?
 
в отличии от рекомендации автора у меня конденсаторы на 22нф стоят не дистковая керамика а многослойная на 50в.


Имеется ввиду С7-С8? Туда можно любую керамику, а пленку ни в коем случае, никакую.
 
Назад
Сверху