• Добро пожаловать на компьютерный форум Tehnari.ru. Здесь разбираемся с проблемами ПК и ноутбуков: Windows, драйверы, «железо», сборка и апгрейд, софт и безопасность. Форум работает много лет, сейчас он переехал на новый движок, но старые темы и аккаунты мы постарались сохранить максимально аккуратно.

    Форум не связан с магазинами и сервисами – мы ничего не продаём и не даём «рекламу под видом совета». Отвечают обычные участники и модераторы, которые следят за порядком и качеством подсказок.

    Если вы у нас впервые, загляните на страницу о форуме и правила – там коротко описано, как задать вопрос так, чтобы быстро получить ответ. Чтобы создавать темы и писать сообщения, сначала зарегистрируйтесь, а затем войдите под своим логином.

    Не знаете, с чего начать? Создайте тему с описанием проблемы – подскажем и при необходимости перенесём её в подходящий раздел.
    Задать вопрос Новые сообщения Как правильно спросить
    Если пришли по старой ссылке со старого Tehnari.ru – вы на нужном месте, просто продолжайте обсуждение.

Усилитель Брагина

А вообще, собрать усилитель с помощью форума становится также сложно как заняться сексом на красной площади - советами достанут. Собирай, слушай, не понравится - соберешь другой. Раз затянуло, то эксперименты с разными схемами в радость будут.
Спасибо)) Уже собираю... Один канал практически готов.... вторая плата вытравлена и ждет... Осоцилографа и правда нет... в задумках приобрести хотяб маленький с али...
 
Вот вы имеете опыт по сборке усилителя Брагина- подскажите... Нет - не надо мне вашего мнения.
Опыта не имею, но подскажу- просто не собирайте его. Лучше у Дугласа Селфа схемку из книги возьмите.
А кроме соответствующей комплектации, нужна печатная плата, где нормальных на просторах интернета - по пальцам пересчитать одной руки хватит. Трансформатор, корпус и понимание того, что делаешь...
В итоге, реальных конструкций, которые могут что-то перепрыгнуть - кот наплакал.
Понимание и приборы самое главное. Видел, как человек на соплях, навесом, при подключении длинными проводами на столе из какашечной ТДА2030 и копеечного 5532 собрал усилок с шумовой полкой -100 Дб, когда у самой ТДАшки полка -80. И остальные параметры ессно подтянулись в лучшую сторону.
 
Опыта не имею, но подскажу- просто не собирайте его. Лучше у Дугласа Селфа схемку из книги возьмите.
Это почему же? Прекрасно работает у меня этот усилитель, на импорте. На откуда то взятых и отредактированных платах
 
А смысл собирать устаревшие конструкции на устаревших комплектующих. И ладно бы схемка простотой брала- так ведь по сложности такая же как у усилка на рассыпухе.
 
Ну она получше некоторых апексов звучит, к примеру
 
Ну она получше некоторых апексов звучит, к примеру
Если вы слышите разницу, то тогда конечно. Просто сама концепция собирать усилитель с окрашенным звуком нелогична. Усь должен быть максимально прозрачным, а приукрашивать звучание, при желании нужно програмными или железными улучшайзерами. Мне лично так кажется.
 
Опыта не имею, но подскажу- просто не собирайте его. Лучше у Дугласа Селфа схемку из книги возьмите.

А смысл собирать устаревшие конструкции на устаревших комплектующих.

Я понимаю, если бы совет исходил от человека съевшего собаку на сборке усилителей. Но слушать советы от того, кто сам для себя собирает усилитель из китайских модулей класса D...

И усилитель Селфа относится к топологии усилителей 70-х годов прошлого века, то есть он еще постарше Брагина будет.
 
кто сам для себя собирает усилитель из китайских модулей класса D...
А причем здесь китай? Какая разница на территории чьей страны элементы платы распаяны? Тем более, что преимуществ класса Д для дома я не увидел никаких. Ну только поменьше радиаторы размером и все.
И я пока ничего себе не собираю. И не буду собирать до тех пор, пока хорошую звуковуху не куплю, чтобы был источник звука и она же для замеров пойдет, чтобы не слушать никого, а видеть глазками, что же со звуком происходит в том, что насобирал.
Селфа я к примеру привел, и то, у него рецепт правильного уся предложен- дифкаскад, токовое зеркало и тд, тп.
 
Да уж... действительно как бабу... на красной площади...
Это как приехать в сервис с проблемой в движке, а тебе предлагают колеса азотом накачать....
Господа зачем срач?? Я спросил по конкретной схеме... ветка форума про унч брагина... я не спрашивал совета что собрать... И мнения по поводу какой унч лучше тоже не спрашивал... Спросил конкретные вещи....
 
"не читал (в данном случае сам не слышал как звучит), но осуждаю"...
Ясен пень осуждаю. Да, я не слушал Брагина, и мне интересно почему многими отмечается или подразумевается, что он звучит лучше других. А на основании чего такие отзывы? Ведь без замеров не ясно, он окрашивает звук или звучит так же как остальные.
И я не хочу слушать усилитель. Я хочу слушать музыку и при этом знать, что источник и усилок максимально точно передают музыку и ничего от себя не вносят. И если выяснится, что Брагин прозрачный, то он тоже в кандидаты на сборку попадет. Мне лично автор, компоненты и возраст схемы не важны.
 
Селфа я к примеру привел, и то, у него рецепт правильного уся предложен- дифкаскад, токовое зеркало и тд, тп.

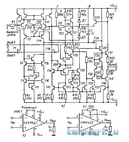
Внутренняя структура 544уд2

К544УД2.png.webp

Как видим, "дифкаскад, токовое зеркало и тд, тп." у 544 на порядок лучше чем в усилителе Селфа.
 
LF411 можно использовать в брагине первом.Недорого и сердито.
 
LF411 можно использовать в брагине первом.Недорого и сердито.
Оу в наличии есть кр544уд2а, кр574уд1а, кр574уд1б, TL071, NE5552.. 574уд1б - в металле...
Среди них выбрал ( почитав ветку кр544уд2а). Жаль не могу нигде найти модель для мультисима... для LTspice вроде находил в инете... а вот для мультисим облом... транзисторов отечественных у меня много в базе... а вот оу 574 и 544 нету(( Допаиваю второй канал ( теперь уже завтра после работы) и буду смотреть ток покоя и постоянку на выходе...
 
LF357 нет смысла гонять в симуляторе - это не одно и то же.... кр544уд2а собственная разработка - одна из немногих...
 
смысл в мультисиме если автор применял в железе именно такие оу.
 
смысл в мультисиме если автор применял в железе именно такие оу.
Смысл прост- знаний маловато, хотел посмотреть контрольные точки напряжений для себя....
И еще есть смысл заменять 5551 и 5401 на BC-шки например либо что-то другое?
 
хотел посмотреть контрольные точки напряжений для себя....

Контрольные точки напряжений от ОУ вообще не зависят. И как сказал выше, моделей 544 и других отечественных радиодеталей не существует в природе ни для одного симулятора. То что для микрокапа есть модели отечественных деталей, то это всё фуфло. Обычно такие модели делаются переименованием импортных аналогов и к реальной детали имеют лишь косвенное отношение.
 
И как сказал выше, моделей 544 и других отечественных радиодеталей не существует в природе ни для одного симулятора.
Хмм... Да чтож вы уверены в этом то так? Объяснил что модели есть))) По крайней мере для программы LT-spice есть даже у меня))) Как добавить элемент почитать можно.... транзисторы я себе в мультисим сам добавлял... а вот оу не могу найти ее данные... чтоб прям все были... чтоб модель собрать... Да и хрен с ней с моделью уже... я почти смирился...
 
Хмм... Да чтож вы уверены в этом то так? Объяснил что модели есть))) По крайней мере для программы LT-spice есть даже у меня)))

Блажен кто верует...

Жаль русским языком не владею. А то бы сказал:

То что для микрокапа есть модели отечественных деталей, то это всё фуфло. Обычно такие модели делаются переименованием импортных аналогов и к реальной детали имеют лишь косвенное отношение.
 
Назад
Сверху