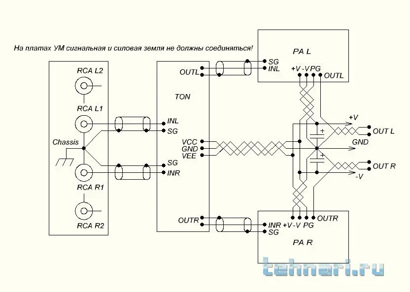
Еще момент- в предусилитель приходит силовая масса от звезды разводки масс ( сделана как у azziop между платами ум) с преда идет выход - левый канал, правый и земля... на входы ум... как правильнее с землей поступить? А то мне кажется петля получается... То есть на каждую плату ум идут по 2 провода с выхода темброблока- сигнальный и земля?



