• Добро пожаловать на компьютерный форум Tehnari.ru. Здесь разбираемся с проблемами ПК и ноутбуков: Windows, драйверы, «железо», сборка и апгрейд, софт и безопасность. Форум работает много лет, сейчас он переехал на новый движок, но старые темы и аккаунты мы постарались сохранить максимально аккуратно.

    Форум не связан с магазинами и сервисами – мы ничего не продаём и не даём «рекламу под видом совета». Отвечают обычные участники и модераторы, которые следят за порядком и качеством подсказок.

    Если вы у нас впервые, загляните на страницу о форуме и правила – там коротко описано, как задать вопрос так, чтобы быстро получить ответ. Чтобы создавать темы и писать сообщения, сначала зарегистрируйтесь, а затем войдите под своим логином.

    Не знаете, с чего начать? Создайте тему с описанием проблемы – подскажем и при необходимости перенесём её в подходящий раздел.
    Задать вопрос Новые сообщения Как правильно спросить
    Если пришли по старой ссылке со старого Tehnari.ru – вы на нужном месте, просто продолжайте обсуждение.

Усилитель "Корвет" 100У, нужен совет

  • Автор темы Автор темы vey
  • Дата начала Дата начала
у меня есть ещё 1 проблема. у меня 2 музыкальных центра. один подключен к уселку работает нормально. а 2 подключаю делаю чуть чуть громче и на уселке горит лампа перегруз и щёлкает и сразу пропадает звук. на первом центре написано 2 канала по 12.5.ват 6ом. этот центр подключен работает нормально. а на другом написано 350ват 2 канала 4ом. он без гнезда наушников. от него у уселка горит перегрузка хотя на центре звук стоит на 3 даже и на 1 ставил всё равно уселок зашкаливает. что делать?
 
2 центр проста новый. хочу его подключить к уселку. но как это сделать? может плату какую нибудь спаять надо?
 
Странно, что Корвет еще живой... но это не надолго, если подключать вход усилителя к разъемам для акустических систем. Нужно искать линейный выход (до усилителя мощности) и подключать Корвет к нему, а не к выходу усилителя мощности музцентра. К выходу для наушников тоже не дело подключать, все искажения и помехи от усилителя мощности музыкального центра будут в усиленном Корветом сигнале. Потребуется схема аппарата, по ней проще найти нужные точки подключения.
 
Странно, что Корвет еще живой... но это не надолго, если подключать вход усилителя к разъемам для акустических систем. Нужно искать линейный выход (до усилителя мощности) и подключать Корвет к нему, а не к выходу усилителя мощности музцентра. К выходу для наушников тоже не дело подключать, все искажения и помехи от усилителя мощности музыкального центра будут в усиленном Корветом сигнале. Потребуется схема аппарата, по ней проще найти нужные точки подключения.

корвет 1997 года выпуска. у меня он уже 2 года работает нормально. схему музцентра где взять? в документах музцентра её нет. и как её сюда загрузить схему? :tehnari_ru_509:
 
провода я припаяю только куда?
 
Ищите схему в интернете, на ресурсах посвященных ремонту аудио- видео- радиоаппаратуры, возможно найдется схема от Вашего музыкального центра. Без схемы трудно сказать, куда припаивать провода для линейного выхода.
 
В принципе, есть возможность "методом тыка" найти нужные точки подключения, ориентируясь на входы усилителя мощности музцентра. Разберите, сфотографируйте платы, особенно подробно ту, на которой УМ смонтирован и регуляторы громкости и тембра (если они аналоговые), попробуем разобраться что к чему.

Хорошо бы раздобыть высокоомные телефоны, типа ТОН-2 или Гамма, ими очень удобно на слух прозванивать цепи прохождения сигналов в аудиоаппаратуре.
 
а как фото сюда загрузить? или как вам показать?
 
Нажать "Расширенный режим" под формой ответа. В расширенном режиме будет кнопка "Управление вложениями". Через открывшуюся форму загрузки добавите свои фотографии.
 
у него всего 3 платы. остальные фотки со всех сторон. чтоб лучше было видно
 

Вложения

  • PA090004.webp
    PA090004.webp
    123.6 KB · Просмотры: 179
  • PA090001.webp
    PA090001.webp
    108.2 KB · Просмотры: 356
  • PA100019.webp
    PA100019.webp
    107 KB · Просмотры: 253
  • PA100021.webp
    PA100021.webp
    154.3 KB · Просмотры: 260
  • PA100026.webp
    PA100026.webp
    228.5 KB · Просмотры: 225
  • PA100029.webp
    PA100029.webp
    83.9 KB · Просмотры: 278
  • PA100031.webp
    PA100031.webp
    80.4 KB · Просмотры: 176
  • PA100045.webp
    PA100045.webp
    57.2 KB · Просмотры: 248
у него всего 3 платы. остальные фотки со всех сторон. чтоб лучше было видно

на 1 2 плата питания. 3 4 5 плата с которой идут выхода на колонке. 6 7 8 плата на ней звук добавляется по середине между 2 болтов ручка громкасте.
 
Как бы музцентр не оказался с полностью цифровым трактом и оконечником класса D. Посмотреть бы крупным планом (с четкими надписями) обведенное красным и маркировку микросхемы обведенную голубым.
 

Вложения

  • asdf.webp
    asdf.webp
    155.9 KB · Просмотры: 265
на микро жучке на писано

I(+)R
IRS2053M
C145P
2LCN
он маленький не могу с фотать получается размазанный
 

Вложения

  • PA100116.webp
    PA100116.webp
    128.5 KB · Просмотры: 248
  • PA100124.webp
    PA100124.webp
    93 KB · Просмотры: 232
  • PA100125.webp
    PA100125.webp
    111.6 KB · Просмотры: 233
  • PA100127.webp
    PA100127.webp
    160.7 KB · Просмотры: 227
  • PA100129.webp
    PA100129.webp
    112 KB · Просмотры: 184
  • PA100029.webp
    PA100029.webp
    203.6 KB · Просмотры: 186
  • PA100063.webp
    PA100063.webp
    221.1 KB · Просмотры: 209
  • PA100077.webp
    PA100077.webp
    178.9 KB · Просмотры: 246
  • PA100078.webp
    PA100078.webp
    269.2 KB · Просмотры: 239
  • PA100079.webp
    PA100079.webp
    183.8 KB · Просмотры: 191
  • PA100082.webp
    PA100082.webp
    143.9 KB · Просмотры: 190
  • PA100083.webp
    PA100083.webp
    155.9 KB · Просмотры: 189
  • PA100087.webp
    PA100087.webp
    317.2 KB · Просмотры: 219
  • PA100101.webp
    PA100101.webp
    215.2 KB · Просмотры: 235
  • PA100108.webp
    PA100108.webp
    138.4 KB · Просмотры: 328
  • PA100111.webp
    PA100111.webp
    80.3 KB · Просмотры: 192
  • PA100112.webp
    PA100112.webp
    186.3 KB · Просмотры: 235
  • PA100122.webp
    PA100122.webp
    193.2 KB · Просмотры: 252
фото в компе четкие даже если увеличиваю лучше видать. а сюда загрузил и скинул себе увеличиваю они почему то расплывчатые. качество теряют через сайт.
 
программки нету. чтоб увеличить и сохранить в увеличительным виде.
 
Того что есть, достаточно. Вечером посмотрю, скажу что по чем.
 
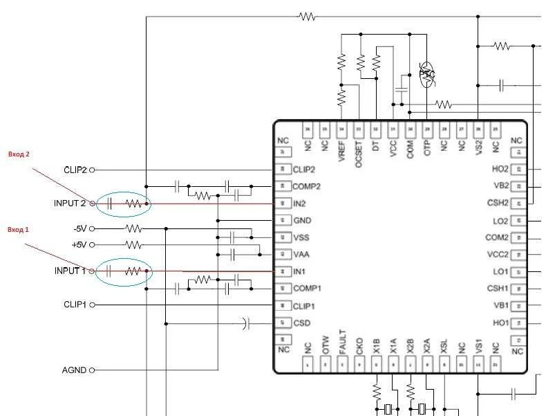
Мне отсюда не разобрать, куда идут дорожки, все закрыто надписями на плате и одна дорожка вроде на другую сторону платы переходит под микросхемой. Выводы микросхемы усилителя мощности на которые подается сигнал я нашел, а дальше не разобрать по фотографиям.

Смотрите сами, Вам на месте проще рассмотреть куда ведут дорожки от этих выводов. На первом рисунке я отметил красным нужные ножки микросхем, на схеме красным показал куда должны прийти дорожки от них - к цепочкам из резистора и конденсатора (обведено голубым). Перед этими цепочками нужно будет подпаять провода, которые через конденсаторы подключаются к входу Барка.
 

Вложения

  • Vhody1.webp
    Vhody1.webp
    32.9 KB · Просмотры: 184
  • Vhody2.webp
    Vhody2.webp
    33.1 KB · Просмотры: 128
Мне отсюда не разобрать, куда идут дорожки, все закрыто надписями на плате и одна дорожка вроде на другую сторону платы переходит под микросхемой. Выводы микросхемы усилителя мощности на которые подается сигнал я нашел, а дальше не разобрать по фотографиям.

Смотрите сами, Вам на месте проще рассмотреть куда ведут дорожки от этих выводов. На первом рисунке я отметил красным нужные ножки микросхем, на схеме красным показал куда должны прийти дорожки от них - к цепочкам из резистора и конденсатора (обведено голубым). Перед этими цепочками нужно будет подпаять провода, которые через конденсаторы подключаются к входу Барка.

на 1 фото. мне нужно найти куда идут эти дорожки?
 
Назад
Сверху