• Добро пожаловать на компьютерный форум Tehnari.ru. Здесь разбираемся с проблемами ПК и ноутбуков: Windows, драйверы, «железо», сборка и апгрейд, софт и безопасность. Форум работает много лет, сейчас он переехал на новый движок, но старые темы и аккаунты мы постарались сохранить максимально аккуратно.

    Форум не связан с магазинами и сервисами – мы ничего не продаём и не даём «рекламу под видом совета». Отвечают обычные участники и модераторы, которые следят за порядком и качеством подсказок.

    Если вы у нас впервые, загляните на страницу о форуме и правила – там коротко описано, как задать вопрос так, чтобы быстро получить ответ. Чтобы создавать темы и писать сообщения, сначала зарегистрируйтесь, а затем войдите под своим логином.

    Не знаете, с чего начать? Создайте тему с описанием проблемы – подскажем и при необходимости перенесём её в подходящий раздел.
    Задать вопрос Новые сообщения Как правильно спросить
    Если пришли по старой ссылке со старого Tehnari.ru – вы на нужном месте, просто продолжайте обсуждение.

Усилитель "Корвет" 100У, нужен совет

  • Автор темы Автор темы vey
  • Дата начала Дата начала
Да, куда идут дорожки от ножек микросхемы отмеченных красным. Они должны дойти до цепочек из последовательно включенных конденсатора и резистора, как на втором рисунке.
 
Да, куда идут дорожки от ножек микросхемы отмеченных красным. Они должны дойти до цепочек из последовательно включенных конденсатора и резистора, как на втором рисунке.

что та я вообще боюсь центру всего 2 недели он новый. у него даже если выхода на колонки замыкаешь + с - он выключается. а так нельзя как тут указано 6 столбик? http://forum.cxem.net/index.php?showtopic=112692
 
Да, можно через делители из резисторов подключить. Правда, все искажения и шумы соберете от усилителя мощности музцентра. Но, раз другие варианты кажутся слишком сложными, ставьте делители.

Только, на всякий случай на выход усилителя еще резистор ом на 100 подключите, мощностью несколько ватт, параллельно резисторам делителя. Какая-никакая нагрузка.
 
Да, можно через делители из резисторов подключить. Правда, все искажения и шумы соберете от усилителя мощности музцентра. Но, раз другие варианты кажутся слишком сложными, ставьте делители.

Только, на всякий случай на выход усилителя еще резистор ом на 100 подключите, мощностью несколько ватт, параллельно резисторам делителя. Какая-никакая нагрузка.

вы можете подсказать. что конкретно нужно купить? и схему припайки нарисовать?
 
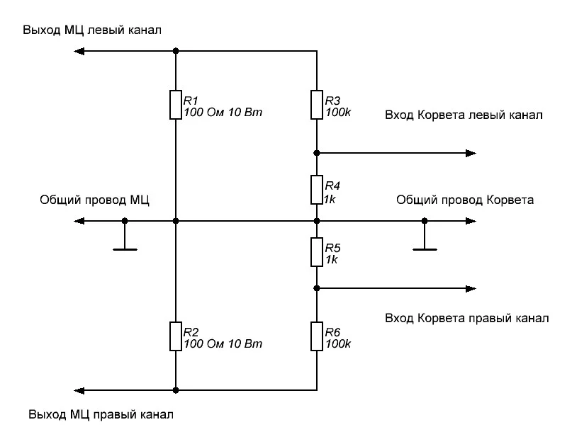
Шесть резисторов. Два по 100 Ом мощностью 10 ватт, два по 100 кОм и два по 1 кОм любой мощности (достаточно 0,125 Вт).

Подключите их по следующей схеме:
 

Вложения

  • Delitel.webp
    Delitel.webp
    15.2 KB · Просмотры: 288
По моим прикидкам на выходе музыкального центра должно быть около 30 вольт. Эта простенькая схемка делит напряжение на 100, то есть на ее выходе будет уже 0,3 вольта или по другому 300 милливольт, что есть норма для магнитофонного входа усилителя Корвет.

Если не найдете резисторов 100 Ом на 10 ватт, берите четыре резистора 200 Ом 5 ватт. Включите по две штуки параллельно, будет как раз 100 Ом 10 ватт. В принципе, можно обойтись без них, но нежелательно включать музыкальный центр совсем без нагрузки (резисторы 100 кОм и 1 кОм не в счет, у них слишком большое сопротивление).
 
Шесть резисторов. Два по 100 Ом мощностью 10 ватт, два по 100 кОм и два по 1 кОм любой мощности (достаточно 0,125 Вт).

Подключите их по следующей схеме:

а чё через резисторы сильно звук будет отличатся. от 1 варианта?
 
Да как сказать... Если у Вас слух музыкальный и за плечами консерватория или хотя бы музыкальная школа, тогда да, будет отличаться. А большинству слушателей без разницы, как я смог заметить :)

Вы раньше Корвет от телефонного выхода другого музыкального центра включали, Вас устраивало? А там наверняка такой же делитель стоит, подключенный к выходу усилителя мощности.
 
Да как сказать... Если у Вас слух музыкальный и за плечами консерватория или хотя бы музыкальная школа, тогда да, будет отличаться. А большинству слушателей без разницы, как я смог заметить :)

Вы раньше Корвет от телефонного выхода другого музыкального центра включали, Вас устраивало? А там наверняка такой же делитель стоит, подключенный к выходу усилителя мощности.

у меня другой центр подключен через выхода на колонки к уселку. я проста сильно не наглею в плане громкости. центр с громкостью до 30 максимал я ставлю на 15. и громкости хватает через наушники не разу не подсоединял.
 
Да, можно через делители из резисторов подключить. Правда, все искажения и шумы соберете от усилителя мощности музцентра. Но, раз другие варианты кажутся слишком сложными, ставьте делители.

Только, на всякий случай на выход усилителя еще резистор ом на 100 подключите, мощностью несколько ватт, параллельно резисторам делителя. Какая-никакая нагрузка.

мне не то что сложно. я проста боюсь чтоб центр не накрылся. мне проста надо найти куда идут эти 2 дорожки и всё? дополнительно нужны будут какиета детали?
 
у меня другой центр подключен через выхода на колонки к уселку

Здесь Корвет точно также был подключен к выходу усилителя мощности музыкального центра. Поэтому не парьтесь и подключайте Корвет к выходу нового музыкального центра через резистивный делитель, если раньше звук устраивал.
 
мне не то что сложно. я проста боюсь чтоб центр не накрылся. мне проста надо найти куда идут эти 2 дорожки и всё? дополнительно нужны будут какиета детали?

Из деталей только два конденсатора потребуются. Но, боюсь, без опыта работы с smd монтажом, раскурочите плату музыкального центра. Кроме того, паяльник желателен низковольтный, с заземленным жалом, обычным паяльником можно запросто микросхемы вывести из строя.
 
спасибо большое за помощь. что объяснили и помогли. буду искать резисторы.
 
я допустим хочу их заказать через интернет. как правильно их название как писать?
 
Такие резисторы слишком дорогие, не нужны тут резисторы с точностью 1%. Сейчас закину в личку ссылки на нужные резисторы с того же сайта.
 
где найти сайт? тот на котором я смог бы заказать 6 этих резисторов?
 
тут 5 процентов точности. что эти проценты дают? 100 Ом 10 Вт
 
В нашем случае проценты ничего не дают, высокоточные резисторы нам не нужны. Хватит резисторов с точностью 5 или 10 процентов. Тот резистор, что по второй ссылке вполне подходящий.

Насчет сайта трудно что либо сказать, тут многое зависит от страны проживания. Я думал, Вы хотите заказать с того сайта, что по первой ссылке. Вы в России или в Украине?
 
Назад
Сверху