• Добро пожаловать на компьютерный форум Tehnari.ru. Здесь разбираемся с проблемами ПК и ноутбуков: Windows, драйверы, «железо», сборка и апгрейд, софт и безопасность. Форум работает много лет, сейчас он переехал на новый движок, но старые темы и аккаунты мы постарались сохранить максимально аккуратно.

    Форум не связан с магазинами и сервисами – мы ничего не продаём и не даём «рекламу под видом совета». Отвечают обычные участники и модераторы, которые следят за порядком и качеством подсказок.

    Если вы у нас впервые, загляните на страницу о проекте, чтобы узнать больше. Чтобы создавать темы и писать сообщения, сначала зарегистрируйтесь, а затем войдите под своим логином.

    Не знаете, с чего начать? Создайте тему с описанием проблемы – подскажем и при необходимости перенесём её в подходящий раздел.
    Задать вопрос Новые сообщения Как правильно спросить
    Если пришли по ссылке со старого Tehnari.ru – вы на нужном месте, просто продолжайте обсуждение.

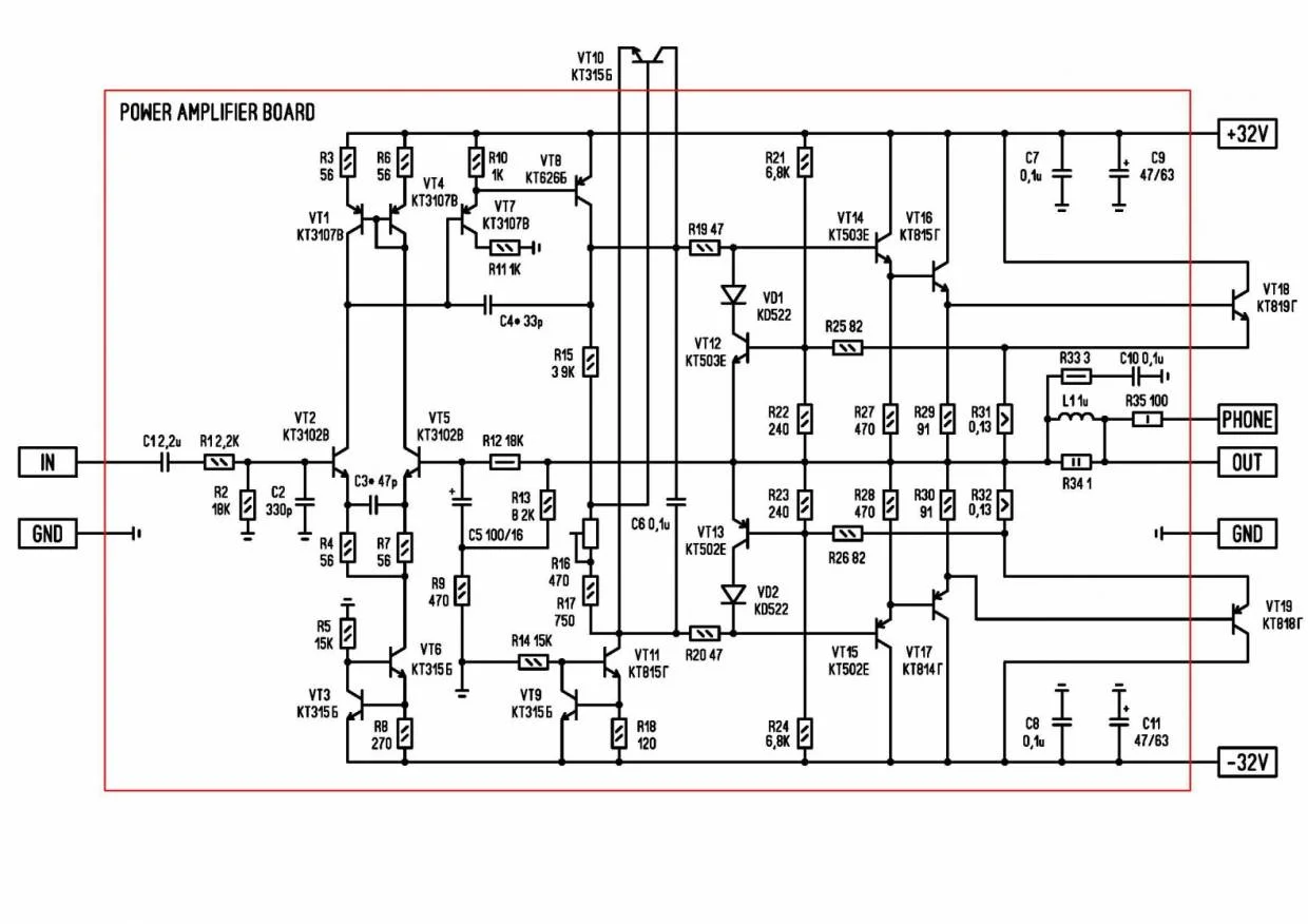
Усилитель Шушурина

  • Автор темы Автор темы Cayz
  • Дата начала Дата начала

Вложения

  • шуш.webp
    шуш.webp
    68.6 KB · Просмотры: 1,813
  • Like
Реакции: WHS
спасибо большоеkoresch
 
А можно вместо кт602б поставить 2т602а?
 
И какие транзисторы можно заменить на кт3107а?
 
Последнее редактирование:
На что можно заменить кт602, и п307?
 
архив же дан .Там все есть
 
ни как руки не доходили усилитель запустить.а как дошли,так появилась проблема. при включении горит R23. на выходе постоянки нет.
запускаю без VT18\19\10
 

Вложения

  • Amfitonshe_3088477_1516734.webp
    Amfitonshe_3088477_1516734.webp
    62.7 KB · Просмотры: 3,913
с R23 разобрался. теперь кипят 29 и 30
 
ток покоя большой или утечка на предвыходе
 
ток не мерял. на выходе постоянки нет.сигнал урезан сильно.
 
Bыходники можно было пока не ставить, запустить без них.Защиту от козы пока отключи
 
с выходниками блок питания на 142ен6 больше 2 вольт выдать не может(не выходит на режим) 819 начинает кипеть.
 
ищи тогда дохлый элемент.может драйеры дохлые
 
Если со схемой и пайкой не накосячил, смотри транзюки (я так понимаю до 815/814 всё норм?) походу какой то пробитый
 
Назад
Сверху