• Добро пожаловать на компьютерный форум Tehnari.ru. Здесь разбираемся с проблемами ПК и ноутбуков: Windows, драйверы, «железо», сборка и апгрейд, софт и безопасность. Форум работает много лет, сейчас он переехал на новый движок, но старые темы и аккаунты мы постарались сохранить максимально аккуратно.

    Форум не связан с магазинами и сервисами – мы ничего не продаём и не даём «рекламу под видом совета». Отвечают обычные участники и модераторы, которые следят за порядком и качеством подсказок.

    Если вы у нас впервые, загляните на страницу о форуме и правила – там коротко описано, как задать вопрос так, чтобы быстро получить ответ. Чтобы создавать темы и писать сообщения, сначала зарегистрируйтесь, а затем войдите под своим логином.

    Не знаете, с чего начать? Создайте тему с описанием проблемы – подскажем и при необходимости перенесём её в подходящий раздел.
    Задать вопрос Новые сообщения Как правильно спросить
    Если пришли по старой ссылке со старого Tehnari.ru – вы на нужном месте, просто продолжайте обсуждение.

"Вега МП-120", ремонт

  • Автор темы Автор темы Дим
  • Дата начала Дата начала
моторы от руки свободно крутятся ?
 
Да, свободно.
 
Походу моторы не работают , надо теперь смотреть напряжения на плате моторов указанные в схеме .
 
А это где находится?
 
Вот по этой схеме? Если да, то обозначь контрольные точки, пожалуйста (те, где мерять надо)
 

Вложения

  • lpm120.webp
    lpm120.webp
    157.2 KB · Просмотры: 2,136
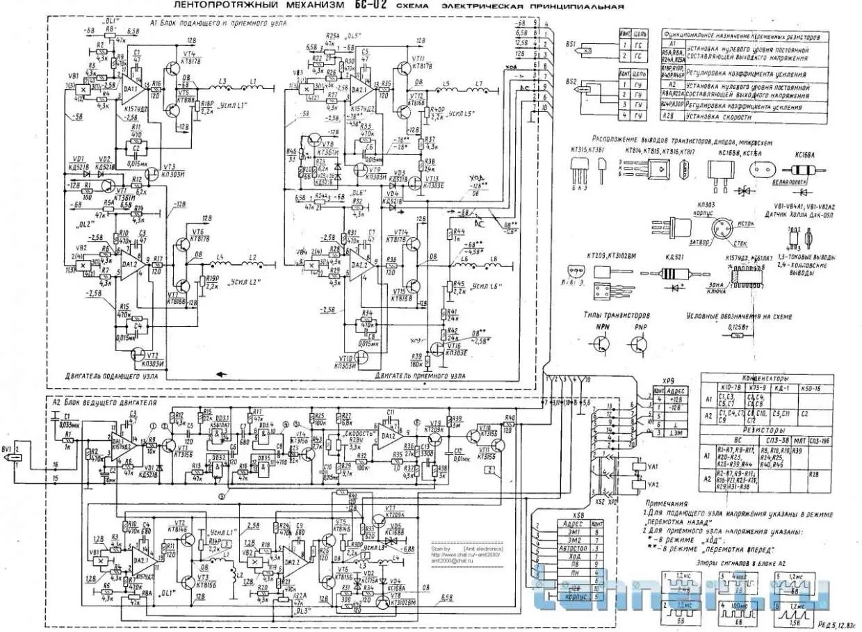
Плата моторов стр 16 , схема , стр 11 верхняя половина .
 

Вложения

Вот в крупном размере.
 

Вложения

Шеф, докладываю-я ещё раз убедился, что я полный идиот!)))
Я всё это время втыкал разъём ХР8 в плату ЛПМ со смещением на 1 ножку вниз!!!))
Сейчас воткнул нормально, подал -12 на приёмный узел-тишина...
Толчок пальцами не помогает...
Подал на подающий-ЗАРАБОТАЛО!!! По часовой стрелке!!!

Продолжаем изыскания!
 
Я всё это время втыкал разъём ХР8 в плату ЛПМ со смещением на 1 ножку вниз!!!)
...
Подал на подающий-ЗАРАБОТАЛО!!! По часовой стрелке!!!

Продолжаем изыскания!
А чего там продолжать? Собирайте всё. Не забудьте восстановить "вспаханную" логику.

P.s. Внимательнее надо!
 
Да давайте уже на "ты", вроде как наши почтенные годы позволяют..))
 
Да пожалуйста...
Точно всё правильно собрал? Проверь еще раз.
 
Я пока не собирал, просто подавал на иголки, которыми заменил провода ПН и ПВ, -12 в.
Подающий работает, приёмный-молчит...
 
Я бы не советовал без нужды ковырять эти двигатели. Без специального стенда их трудно настраивать.
Собирай лучше всё. ЛПМ можно пока на место не прикручивать.
 
И ещё-как отрегулировать уровень узлов по высоте? Т.е. зазоры между магнитами узлов и катушками двигателей. Я понимаю, что вращением подпятников, но как убедиться, что узлы нормально установлены по отношению друг к другу?
 
Оно появится.
А если не появится, продолжим ковырять дальше.

P.s. У ремонтников есть такое понятие "привнесенные неисправности". Чем больше ковыряешь аппарат, тем больше вероятность их возникновения. А Вега - аппарат сложный, искать неисправности трудно. ;)
 
Назад
Сверху