- Регистрация
- 27 Ноя 2010
- Сообщения
- 28,167
- Реакции
- 681
- Баллы
- 0
Хватит, только на сколько, если хочешь увеличить емкость, добавь еще один
аккумулятор, кстати они одинаковые ? ...
аккумулятор, кстати они одинаковые ? ...
Смотрите видео ниже, чтобы узнать, как установить наш сайт в качестве веб-приложения на домашнем экране.
Примечание: Эта возможность может быть недоступна в некоторых браузерах.
Добро пожаловать на компьютерный форум Tehnari.ru. Здесь разбираемся с проблемами ПК и ноутбуков: Windows, драйверы, «железо», сборка и апгрейд, софт и безопасность. Форум работает много лет, сейчас он переехал на новый движок, но старые темы и аккаунты мы постарались сохранить максимально аккуратно.
Форум не связан с магазинами и сервисами – мы ничего не продаём и не даём «рекламу под видом совета». Отвечают обычные участники и модераторы, которые следят за порядком и качеством подсказок.
Если вы у нас впервые, загляните на страницу о проекте, чтобы узнать больше. Чтобы создавать темы и писать сообщения, сначала зарегистрируйтесь, а затем войдите под своим логином.
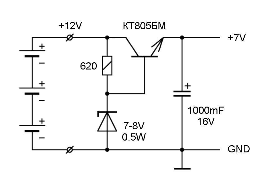
так соединяйте уже все три))а 2х акб соедененных +к+ -к- на одну мс хватит??
ну конечно)как от двух акб выбить 7.4 вольта???т.е. соеденить их выдавоемое напряжение?

А какая емкость написана на аккумуляторах ? ...asco сколько вольт и с какой силой тока нужно дать на два последовательно соеденненых акб для зарядки??