• Добро пожаловать на компьютерный форум Tehnari.ru. Здесь разбираемся с проблемами ПК и ноутбуков: Windows, драйверы, «железо», сборка и апгрейд, софт и безопасность. Форум работает много лет, сейчас он переехал на новый движок, но старые темы и аккаунты мы постарались сохранить максимально аккуратно.

    Форум не связан с магазинами и сервисами – мы ничего не продаём и не даём «рекламу под видом совета». Отвечают обычные участники и модераторы, которые следят за порядком и качеством подсказок.

    Если вы у нас впервые, загляните на страницу о проекте, чтобы узнать больше. Чтобы создавать темы и писать сообщения, сначала зарегистрируйтесь, а затем войдите под своим логином.

    Не знаете, с чего начать? Создайте тему с описанием проблемы – подскажем и при необходимости перенесём её в подходящий раздел.
    Задать вопрос Новые сообщения Как правильно спросить
    Если пришли по ссылке со старого Tehnari.ru – вы на нужном месте, просто продолжайте обсуждение.

Зарядное устройство "Калибр ЗУ-100"

Вообще похож на компьютерный блок питания, на базе его собран явно. :)))
 
Кочевник!На 2-х или 3-х ТС-270 получается не убиваемый 3в1(сварка,пуск,заряд)tehnoangel
 
Как это было.Охлаждение с двух сторон на протяжку,т.к. сильно сей арегат грелся.Две микрухи были выпаяны из платы и присобачены на термопасту на доп. радиатор.
 

Вложения

  • P3060007.webp
    P3060007.webp
    56.2 KB · Просмотры: 117
  • P3060008.webp
    P3060008.webp
    78.5 KB · Просмотры: 121
  • P3060009.webp
    P3060009.webp
    82.1 KB · Просмотры: 126
  • P3060010.webp
    P3060010.webp
    80.3 KB · Просмотры: 97
  • P3060011.webp
    P3060011.webp
    38.6 KB · Просмотры: 138
Ну и финал,зарядил 190А. аккум от Камаза за 14 часов.
 

Вложения

  • P3260007.webp
    P3260007.webp
    79.8 KB · Просмотры: 111
  • P3260008.webp
    P3260008.webp
    82 KB · Просмотры: 118
Блин,вот разбирать чтоб посмотреть нет ни малейшего желания,так что извини.Если-бы раньше знать,записал бы.
 
Судя по фото не тянут более 1.5 и то условно.
 
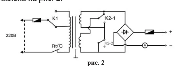
Вот схема этой фигни.

Посмотреть вложение 173589

В первичке стоит термопредохранитель с одной стороны и плавкий с другой. Второй плавкий стоит на выходе вторички. Две вторичные обмотки включены параллельно при 12В и последовательно при 24В. Переключение тока "мин-макс" производится коммутацией первичной обмотки.

Добрый день! Ребят есть ЗУ Калибр ЗУ-700 схема один в один с ЗУ-100. Нафиг я купил "ЭТО" не спрашивайте. Теперь оно уже есть. плохо хреново отработало 3 года, заряжаем им аккумы по 195А/ч, с новья ставили последовательно и бомбили 24В (Кнопка переключения 24/12 оплавилась :jazik:, перестали насилие и стали заряжать по одному) принцип простой зацепили аккум показывает 30А и по мере зарядки падает на 5-10А. Однажды пришел утром в гараж а зарядка горячая, аккум горячий и на амперметре 50А. и с тех пор при включении все время 50А и не падает, по схеме не нашел контроллера заряда. Чем он контролировался с новья? Термопредохранителем? За счет чего падал ток при зарядке?

В общем есть идея переделать зарядку оставить транс, выпрямитель и поставить между выпрямителем и Аккумом контроллер заряда от солнечной батареи типа такого ru.aliexpress.(убрать пробел)com/item/PWM-20A-Solar-Charge-Controller-Solar-Regulator-Solar-Charger-with-USB-5V-DC-12V-Output-Charging/2033702163.html?s=p вместо солнечной батареи подать ток с выпрямителя. Вопрос в следуюущем. Будет ли работать такая зарядка? Или я чего то недогоняю. Может есть еще какие недорогие варианты притащить какой контроллер с китая? Сам паять и травить платы не хочу...
 
Назад
Сверху