• Добро пожаловать на компьютерный форум Tehnari.ru. Здесь разбираемся с проблемами ПК и ноутбуков: Windows, драйверы, «железо», сборка и апгрейд, софт и безопасность. Форум работает много лет, сейчас он переехал на новый движок, но старые темы и аккаунты мы постарались сохранить максимально аккуратно.

    Форум не связан с магазинами и сервисами – мы ничего не продаём и не даём «рекламу под видом совета». Отвечают обычные участники и модераторы, которые следят за порядком и качеством подсказок.

    Если вы у нас впервые, загляните на страницу о форуме и правила – там коротко описано, как задать вопрос так, чтобы быстро получить ответ. Чтобы создавать темы и писать сообщения, сначала зарегистрируйтесь, а затем войдите под своим логином.

    Не знаете, с чего начать? Создайте тему с описанием проблемы – подскажем и при необходимости перенесём её в подходящий раздел.
    Задать вопрос Новые сообщения Как правильно спросить
    Если пришли по старой ссылке со старого Tehnari.ru – вы на нужном месте, просто продолжайте обсуждение.

АКБ от электронной сигареты

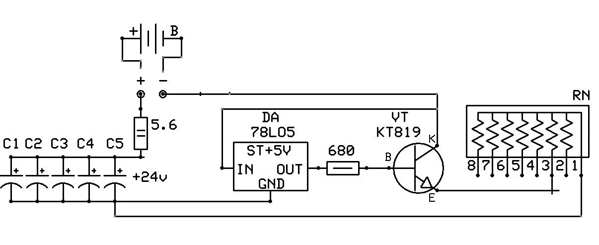
Эта схема не регулирует ток заряда.

Эта схема регулирует ток и поддерживает его стабильным :) Только аккумулятор включается не к выходу стабилизатора, а между выпрямителем и коллектором транзистора VT2. На выход стабилизатора напряжения включается нагрузочное сопротивление. По такому же принципу строятся генераторы тока на микросхемах стабилизаторов напряжения. В принципе, стабилизатором тока может служить обычный резистор большого сопротивления включенный последовательно с источником напряжения :) Только напряжение потребуется достаточно высокое, для получения нужного тока.
 
Собственно чем и пользуюсь лет пятнадцать. Вмонтирован в лабораторник и заряжаю им что не попадя до токов заряда в 1А. Ещё с ним стоит до кучи индикатор величины зарядного тока на моргающем светодиоде. И модулятор 16Гц.
 

Вложения

  • зуакб.webp
    зуакб.webp
    26.2 KB · Просмотры: 124
Нагуглил:
Заряд Li-ion (Li-polymer) аккумуляторов первоначально осуществляется постоянным током до момента достижения напряжения на аккумуляторе 4.2 В, а затем при постоянном напряжении до момента уменьшения тока до величины, равной 0.05С. После этого заряд полностью прекращается.
То есть ЗУ состоит из: 1) стабилизатор напряжения 4.2v; 2) стабилизатор тока (??? мА. Зависит от ёмкости АКБ). Это просто. А вот: 3)схема отключения по окончании заряда - это уже по хитрее. И это без учёта температурных режимов.
Что касается заряда или дозаряда малым током:
Тонкоструйный заряд не применяется, потому что Li-ion аккумулятор не терпит перезаряда. Тонкоструйный заряд может вызвать металлизацию лития, что приводит к нестабильности элемента.
Поясняю: "нестабильность" - это из области пиротехники...
 
Многие схемы имеют функцию окончания заряда по изменению температуры и по дельтеU на клеммах АКБ литийполимерных.
 
А схемку нарисовать ? ... :)

Там просто рисовать нечего, все на приведенной по ссылке схеме :) Только к выходу нагрузочный резистор подключить, а в разрыв провода от коллектора VT2 заряжаемый аккумулятор. А лучше воспользоваться схемой, что привел Stvol,
 
что такое "тонкоструйный заряд"?
Заряд малым током определённой величины, не приводящий к "областям пиротехники" при бесконтрольном заряде неограниченное время.
 
Заряд малым током определённой величины, не приводящий к "областям пиротехники" при бесконтрольном заряде неограниченное время.
В случае с Li-ION как раз и приводящий, как утверждают... :)
 
Stvol Это гемор, то что ты говоришь.
Многие схемы имеют функцию окончания заряда по изменению температуры и по дельтеU на клеммах АКБ литийполимерных.

, делается на двух транзисторах как сказал Юрий (George Smith).
 
Есть ещё вот такая зарядка.
 

Вложения

  • SAM_3830.webp
    SAM_3830.webp
    140.6 KB · Просмотры: 172
  • SAM_3833.webp
    SAM_3833.webp
    190.9 KB · Просмотры: 159
  • SAM_3832.webp
    SAM_3832.webp
    142.1 KB · Просмотры: 161
Stvol Это гемор, то что ты говоришь.
Почитай даташиты на специализированные контроллеры заряда, которые вовсю сейчас применяются.
В случае с Li-ION как раз и приводящий, как утверждают...
Off:
Как бахают литий и литий-полимеры много читал и на ютубе кина посмотрел.
А тут сам недавно учудил. Давно в хозястве фонарь из ИКЕи бело-матового пластика с переделанным на вставку мощного светодиода и АКБ от мобилки Моторолла.
Поставил заряжать, забыв включить таймер. Сам на мансарде барахло перебираю. Слышу снизу грохот, похожий на звук упавшего шкафа. И испуганный крик жены. Слетаю вниз, вижу жена водой путается залить фонарь. Из него полыхает, как магний с марганцовкой. Итог : мебельная полка(ламинированная ДСП) прогорела до трети толщины. БП еле отмыл от копоти. Хорошо на первом этаже жена была, а так хрен потушить успеешь…
 

Заряжание литиевых аккумуляторов вообще гимор, по определению. Я сейчас книжку "Аккумуляторы" Хрусталева нашел в сети, сижу, читаю и все больше понимаю, что я ничего не понимаю. Мне Ni-Mh батарею нужно зарядить как раз сейчас, но с ней тоже неясностей много. Как зарядить и не убить при первой же зарядке? Пока ХЗ...
 
Bydlokoder Купил плеер Cowon Iaudio 9 шикарный, поставил на зарядку от usb, зарядил и разрядил до полной зарядки разрядки несколько раз, держит заряд отлично. И нету никакого гемора. Автоматически сам отключается, пишет battery full. Никаких взрывов.
 
Нужна схема нормальная прОсто-нАпросто.
 
Мне Ni-Mh батарею нужно зарядить как раз сейчас, но с ней тоже неясностей много. Как зарядить и не убить при первой же зарядке?
Стабильным током и по таймеру. Обычно 16 часов током 0,1 её емкости. На корпусе обычно пишут. И к концу срока заряда желательно рядом быть и температуру корпуса не проспать.
 
Если совсем уже по простому, то упомянутый выше стабилизатор тока и выставлять зарядный ток 0,1, 0,2 или 0,3 от емкости аккумулятора в ампер/часах и заряжать определенное время, контролируя температуру батареи.

Я так попробую свой NiMh зарядить, только придется с будильником рядом с ним сидеть :( Но мне проще, NiMh фейерверков не запускают.

З.Ы. Упс, Stvol уже ответил.
 
Но мне проще, NiMh фейерверков не запускают.
Не, они тихо и скромно дохнут.


Для первого раза, да и вообще зарядный ток = 0,1 от емкости. Превышение в разы уменьшает срок службы. И очень полезна разрядка до 1V перед зарядом. Не каждый раз, но по возможности.
 
Назад
Сверху