- Регистрация
- 19 Июл 2011
- Сообщения
- 391
- Реакции
- 6
- Баллы
- 0
Нашёл схему, оформил сюда. Чем она будет отличатся от схемы с 56 поста? Я понял что эта автоматическая зарядка рассчитана на большИе токи. Но мне нужно нужно будет заряжать как акб от телефона 3.7в, акб ААА, АА NiMh 1.2в, так и lipo на 12в 2000мАч (как я понял током 200мАч).
Помогите из этой схемы переместить защиту от перезаряда в эту схему.
Радиосхемы - Зарядное для АКБ
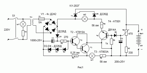
Данное устройство необходимо для автоматической зарядки аккумуляторов и защиты их от перезаряда и отключения аккумуляторов после их зарядки до нормы. Автоматическое зарядное устройство можно применять для всех типов аккумуляторов.
Схема автоматического устройства со всей автоматикой показано на рис1
Описание данной схемы не приводится так, как она не сложная и собрать ее можно за один выходной день. При сборке следует уделить внимание охлаждению. Для этой цели транзисторы Т2 и Т3 смонтированы на общем радиаторе с общей мощностью рассеивания 100 ватт. Тиристор Т1 также смонтирован на радиаторе общей мощностью рассеивания до 200 ватт. Трансформатор Тr1 должен иметь напряжение не менее 18 вольт на вторичной обмотке при токе 4 А.
Резистор R3 представляет собой виток провода из нихрома диаметром 0,8 - 1 мм на резисторе МЛТ-2. Сопротивление резистора необходимо подобрать для получения стабилизированного тока около 4А.
Контрольные лампы La1, La2, La3 все на напряжение 12 вольт с током через лампу накаливания 0,1 А. Резисторы типа МЛТ или аналогичных типов с соблюдением мощности рассеивания, остальные резисторы которые не показаны на схеме мощностью по 0,5 ватт
Настройка на пороговое напряжение14,3 вольта производится с помощью вольтметра и аккумулятора резистором R8 - 470 после достижения аккумулятора полной зарядки из расчета заряда 1/10 тока за час.
Печатная плата:
Печатная плата (url2):
Схема проста в изготовлении и не содержит дефицитных деталей при возможности наличия современных комплектующих диодов, тиристоров и транзисторов ее можно применить на более большие токи зарядки. При недостаточной поверхности для охлаждения транзисторов Т2 и Т3 и тиристора Т1 из-за малой поверхности радиаторов необходимо установить дополнительный вентилятор для охлаждения поверхности радиаторов.
Помогите из этой схемы переместить защиту от перезаряда в эту схему.
Автоматическое зарядное устройство
10.01.2011 23:05Радиосхемы - Зарядное для АКБ
Данное устройство необходимо для автоматической зарядки аккумуляторов и защиты их от перезаряда и отключения аккумуляторов после их зарядки до нормы. Автоматическое зарядное устройство можно применять для всех типов аккумуляторов.
Схема автоматического устройства со всей автоматикой показано на рис1
Описание данной схемы не приводится так, как она не сложная и собрать ее можно за один выходной день. При сборке следует уделить внимание охлаждению. Для этой цели транзисторы Т2 и Т3 смонтированы на общем радиаторе с общей мощностью рассеивания 100 ватт. Тиристор Т1 также смонтирован на радиаторе общей мощностью рассеивания до 200 ватт. Трансформатор Тr1 должен иметь напряжение не менее 18 вольт на вторичной обмотке при токе 4 А.
Резистор R3 представляет собой виток провода из нихрома диаметром 0,8 - 1 мм на резисторе МЛТ-2. Сопротивление резистора необходимо подобрать для получения стабилизированного тока около 4А.
Контрольные лампы La1, La2, La3 все на напряжение 12 вольт с током через лампу накаливания 0,1 А. Резисторы типа МЛТ или аналогичных типов с соблюдением мощности рассеивания, остальные резисторы которые не показаны на схеме мощностью по 0,5 ватт
Настройка на пороговое напряжение14,3 вольта производится с помощью вольтметра и аккумулятора резистором R8 - 470 после достижения аккумулятора полной зарядки из расчета заряда 1/10 тока за час.
Печатная плата:
Печатная плата (url2):
Схема проста в изготовлении и не содержит дефицитных деталей при возможности наличия современных комплектующих диодов, тиристоров и транзисторов ее можно применить на более большие токи зарядки. При недостаточной поверхности для охлаждения транзисторов Т2 и Т3 и тиристора Т1 из-за малой поверхности радиаторов необходимо установить дополнительный вентилятор для охлаждения поверхности радиаторов.













