• Добро пожаловать на компьютерный форум Tehnari.ru. Здесь разбираемся с проблемами ПК и ноутбуков: Windows, драйверы, «железо», сборка и апгрейд, софт и безопасность. Форум работает много лет, сейчас он переехал на новый движок, но старые темы и аккаунты мы постарались сохранить максимально аккуратно.

    Форум не связан с магазинами и сервисами – мы ничего не продаём и не даём «рекламу под видом совета». Отвечают обычные участники и модераторы, которые следят за порядком и качеством подсказок.

    Если вы у нас впервые, загляните на страницу о проекте и правила – там коротко описано, как задать вопрос так, чтобы быстро получить ответ. Чтобы создавать темы и писать сообщения, сначала зарегистрируйтесь, а затем войдите под своим логином.

    Не знаете, с чего начать? Создайте тему с описанием проблемы – подскажем и при необходимости перенесём её в подходящий раздел.
    Задать вопрос Новые сообщения Как правильно спросить
    Если пришли по старой ссылке со старого Tehnari.ru – вы на нужном месте, просто продолжайте обсуждение.

БП для усилителя

  • Автор темы Автор темы kosty
  • Дата начала Дата начала
Конденсатор после моста есть?
 
Причем тут фильтр, выкладки по какой схеме собирал ???
И какой сделал БП для усилка ??? :)
 
Саму схему использовал отсюдова - http://www.tehnari.ru/f156/t34992/
навесным монтажом, радиатор взял из компьютерного БП,
трансформатор и диоды в мосте - из колонок Genius SP-Q10.
Может, на выходе поставить резисторы? Тогда какие?
 
Конденсаторы после моста есть и какие?
 
BH3, нету, только те, что в схеме усилка:
2. Конденсатор 0.22 мкФ
4. Электролитический конденсатор 6800 мкФ на 16 вольт

George Smith, схемы не нашел, взял тупо трансформатор + диодный мост:
 

Вложения

  • Untitled-1.gif
    Untitled-1.gif
    1.9 KB · Просмотры: 226
Трансформатор слабый, надо 15V, 3-4A, 60-100 Ватт ...
Кондер не надо такой большой 6800 mF, достаточно 2200-4700 mF ... :)
 
Ок, а по какой схеме его подсоединять к усилителю?

На сколько я помню из курса какой-то-там электроники, блок питания должен состоять из источника - трансформатора, выпрямителя, фильтра (и, может, еще чего-то), причем параметры всех составляющих взаимосвязаны. Подскажите схему блока питания, который бы подошел к этому усилителю...

Если у меня динамики слабенькие, фонить же из-за этого не может .
 
15 вольтовый транс это уже перебор ,21вольт после фильтра будет идти на усилок,
схема такаяже как и в 26 посте ,тока транс 11вольт и после моста фильтр на 25вольт 4700мкф
 
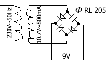
есть транс 12В переменки. хочу сделать из него БП для усилителя на TDA1558. скажите какие диоды нужны для диодного моста? и схемку как их соединять. спасибо
 
mettrofan, хороший вопрос, мне тоже интересно, как подбирать диоды =)
Еще я видел где-то параллельно к диодам моста подключают по конденсатору.
В мостик диоды собираются так:
1) они имеют отличимые "верх" и "низ" (бугага!) - или пометка с одного края или "шляпка", как у Д226 -
images

2) нужно спаять их так, чтобы к каждому проводу переменного тока (вход) подсоединялось 2 диода разными концами, а к проводам постоянного (выход) - одинаковыми (на картинке переменный ток подключается к боковым выводам, в постоянный образуется на верхнем и нижнем).
 
диоды подбирают по обратному напряжению и прямому току, например нужен бп на 50вт, 25в, 2А, значит выбираем диоды на обратное напряжение от 32в и прямому току 5А, выбирайте с запасом по напряжению и еще с большим запасом по току.
 
подскажи какие диоды нужны? нужно иметь на выходе 12-14В 3А. скажи точное название диодов
 
купи диодную сборку на 5А 1000в дешевле выйдет собирать нечего ненадо:)
для 14вольт транс нужно на 10вольт

6A05 (P600A) диод 6А, 50В
 
Да, это максимальный ток для этого диода.
 
купил диодный мост BR810. 10А 1000В. подойдет?
 
Да, подойдёт.
 
есть транс. на выходе было где то 18В. мне нужно чтобы было 12В. посоветовали смотать немного витков. я смотал 15 витков а напряжение упало только до 17,5В.
сколько же витков надо смотать?
 
Назад
Сверху