• Добро пожаловать на компьютерный форум Tehnari.ru. Здесь разбираемся с проблемами ПК и ноутбуков: Windows, драйверы, «железо», сборка и апгрейд, софт и безопасность. Форум работает много лет, сейчас он переехал на новый движок, но старые темы и аккаунты мы постарались сохранить максимально аккуратно.

    Форум не связан с магазинами и сервисами – мы ничего не продаём и не даём «рекламу под видом совета». Отвечают обычные участники и модераторы, которые следят за порядком и качеством подсказок.

    Если вы у нас впервые, загляните на страницу о проекте, чтобы узнать больше. Чтобы создавать темы и писать сообщения, сначала зарегистрируйтесь, а затем войдите под своим логином.

    Не знаете, с чего начать? Создайте тему с описанием проблемы – подскажем и при необходимости перенесём её в подходящий раздел.
    Задать вопрос Новые сообщения Как правильно спросить
    Если пришли по ссылке со старого Tehnari.ru – вы на нужном месте, просто продолжайте обсуждение.

Буду делать лабораторный БП из АТХ

  • Автор темы Автор темы Tyzik
  • Дата начала Дата начала
хорошая работа!,лицевую панель в FrontDesigner делали?
 
Собрал данный блок. Получилось так, при уменьшении тока, уменьшается напряжение, это так должно быть? И еще вопрос, присутствует ли защита от КЗ?
 
Нет, не смотрел. "Смотрелки" нет.
 
Здравствуйте. есть блок питания codegen 300w. хотелось бы с него сделать лабораторный БП. Можете подсказать что в нём нужно выкинуть и что переделать
 

Вложения

  • 85301.webp
    85301.webp
    234.4 KB · Просмотры: 3,501
А схема точно от него?? Просто есть другая для Кодегенов. Ваша.
85301.webp
А это другая. Посмотрите, может эта больше подойдет?
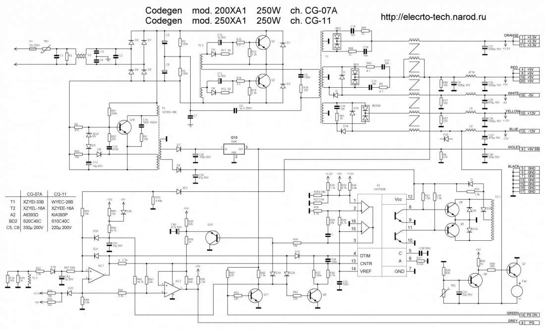
Codegen_CG-07A_CG-11.webp
Убирайте до того приблизительно состояния, как показано на первой странице. Там 250Вт, а у Вас 300-ка, платы одинаковые. Разница только в силовом транс-е.
 
Вторая не подходит точно. у меня на плате нету операционных усилителей и есть одна оптопара на 3-тем трансформаторе. по номерам деталек и месте их установки схема от него. единственное отличие это номера трансформаторов 1 и 2 (1 это 2 а 2 это 1). а так всё сходится. спасибо за помощь
 
Пробуйте. Если что, то ???
 
а участок PC_ON тоже вырезать. если да то коллектор и эмиттер транзистора Q6 соединяются вместе?
 
И самое ГЛАВНОЕ!!! Включение в сеть 220В через последовательно соединенную лампу на 60Вт 220В! Лампа вспыхнула и погасла - значит все хорошо, нет никаких ошибок в монтаже.
 
а можно как-то проверить работает ли блок питания (точнее то что от него осталось) без схемки которая в первом сообщении?
 
Здравствуйте. спаял я плату с первого сообщения (заметил одно не соответствие между схемой и платой, там где идёт выход на 4-ю ногу tl494 вы кинулии резистор на 4.7к сразу на землю и не поставилирезистор на 2,2к). всё подключил. первое включение сделал через лампу 60 ват, она засветилась и погасла, потом лампу спаял. но когда я меряю на выходе напряжение в холостую то творится что-то не понятное. когда обе ручки скручены полностью в сторону минуса то напряжение = 0 и диод HL3 светится, HL2 нет. когда скручиваю ручку резистора напряжения в сторону 2,14,15 ноги то во время скручивания напряжение начинает хаотично появляться с макимумом где-то 8 вольт но когда ручка в крайнем положении то гаснет HL3 и напряжение затухает до 0 вольт.при последующем скручивании резистора тока появляется напряжение минус 3 вольта и в тот же момент загорается HL3 далее напряжение опять затухает до о вольт. при подключении нагрузки и проведения тех же манипуляций диоды ведут себя так же но напряжение на выходе постоянно 0 вольт, в качестве нагрузки использую лампочку на 24 вольта. диод HL2 никогда не загорается. подскажите пожалуйста где искать причину
 
не поставилирезистор на 2,2к
Ставьте на 4к7.
потом лампу спаял
В смысле отпаяли 60Вт или сделали нагрузку из ламп 12+12В? Лампу 60Вт отпаивать не надо до конца наладки:tehnari_ru_184:
Шунт взят из чего??

Еще моя оплошность - забыл сказать о нагрузочном шунте на выходе БП (470 Ом 1Вт). На фото видно (поставил 2Вт).
 
Светодиоды впаяны правильно? А именно HL2?
И еще - прочитай сообщение №18
 
лампу на 60 ватт припаял обратно последовательно БП, нагрузочный шунт прицепил. спаял и припаял обратно усилитель и HL2 заработал. к ногам 2,15,14 припаял ещё и 13 и прицепил конденсатор минусовым выводом на 3 вывод, плюсовым на 2,15,13,14. шунт на 0.05 Ом подобрали из куска манганина. по поводу резистора на 2,2к нужно просто место него поставить 4,7к (сделать цепочку минус-4,7к(R4)-4,7к(R1)-4 нога TL494 и между резисторов подключены HL2 и HL3). блок питания так и не ожил. может подскажите какие-то контрольные точки
 
Выводы с 5 по 11 на TL494 не трогали? Напряжение на 12 выводе есть и какое??
 
Выводы с 5 по 11 не трогал.
на 12 выводе напряжение 15,3В если резисторы тока и напряжения скручены на землю.
если скрутить в противоположную сторону токовый резистор то напряжение падает до 12,3В и гаснет HL2.
если скрутить в противоположную сторону ещё и резистор напряжения то напряжение падает до 10,9В и HL2 загорается.
 
Назад
Сверху