• Добро пожаловать на компьютерный форум Tehnari.ru. Здесь разбираемся с проблемами ПК и ноутбуков: Windows, драйверы, «железо», сборка и апгрейд, софт и безопасность. Форум работает много лет, сейчас он переехал на новый движок, но старые темы и аккаунты мы постарались сохранить максимально аккуратно.

    Форум не связан с магазинами и сервисами – мы ничего не продаём и не даём «рекламу под видом совета». Отвечают обычные участники и модераторы, которые следят за порядком и качеством подсказок.

    Если вы у нас впервые, загляните на страницу о проекте, чтобы узнать больше. Чтобы создавать темы и писать сообщения, сначала зарегистрируйтесь, а затем войдите под своим логином.

    Не знаете, с чего начать? Создайте тему с описанием проблемы – подскажем и при необходимости перенесём её в подходящий раздел.
    Задать вопрос Новые сообщения Как правильно спросить
    Если пришли по ссылке со старого Tehnari.ru – вы на нужном месте, просто продолжайте обсуждение.

Был проигрыватель Радиотехника ЭП-101

Статус
В этой теме нельзя размещать новые ответы.
Взял бы в дар фирменные диски производителей Полидор, Атлантис, WB и т.п.
 
Я бы тоже не побрезговал!!!!
 
Сергей 19-73 забрал, что понравилось. Остальное мусор, 90 годов...
 
ставлю жирную точку, в совершенно тупиковом деле. Проигрыватель жив, была переделана виброизоляция, применил STP и она оказалась удачней силиконового герметика. Иногда слушаю, но крайне редко, муторное дело ставить пластинки.
 
зафиксирую для истории. Работает больше года, вернее сделано тогда. Зарекаюсь, больше не трогать не буду. Надежно и работает редко, крайне, но включил и готово.
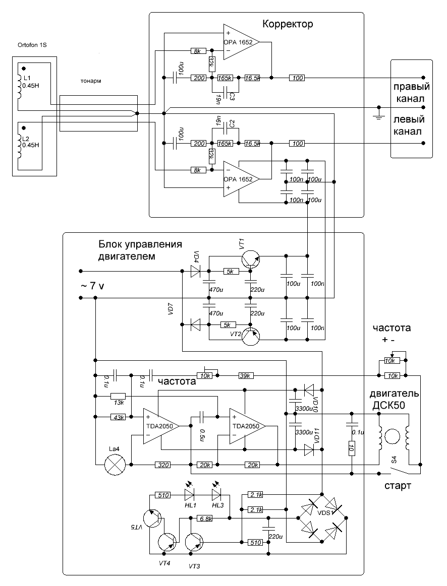
Прямой тракт, инверт, коррекция вч на входе, постоянки на выходе нет.
 

Вложения

  • версия к1F.GIF
    версия к1F.GIF
    31.2 KB · Просмотры: 58
однако произошли изменения. Увеличено напряжение питания корректора в два раза и понижено напряжение питания на вольт, для мотора и так много.
 

Вложения

  • версия к2F1.GIF
    версия к2F1.GIF
    29.6 KB · Просмотры: 38
фото для истории. экранов для корректора нет, за ненадобностью. транс отмотан до 7 вольт.
 

Вложения

  • IMG_20230102_224229.webp
    IMG_20230102_224229.webp
    40.4 KB · Просмотры: 35
  • IMG_20230102_224318.webp
    IMG_20230102_224318.webp
    23.5 KB · Просмотры: 25
  • IMG_20210906_153848.webp
    IMG_20210906_153848.webp
    33 KB · Просмотры: 31
забываю стробоскоп, добавил в схему.
 

Вложения

  • версия к2F1.GIF
    версия к2F1.GIF
    33.7 KB · Просмотры: 56
поторопился и лишнего на схеме налепил. Повышенного питания для корректора никчему, только артефакты лезут и звук буратинистый. Перегрузок там нет, все режется на входе.
 

Вложения

  • версия к2F1.GIF
    версия к2F1.GIF
    32.9 KB · Просмотры: 58
трындец, сломалась игла в ортофоне 1s, снято с производства, все на выброс. Жаба молчит, но тратиться, желания нет, не пользуюсь. Небрежность хранения.
 
Плюшкин помог, воткнул старую голову ГЗМ 005, работает, чего еще...
 
трындец, сломалась игла в ортофоне 1s, снято с производства, все на выброс. Жаба молчит, но тратиться, желания нет, не пользуюсь. Небрежность хранения.
У меня аналогично, второпях крышечку надевал на новую аудиотехнику, загубил. Есть какой то китайский клон mf 102 , даже без маркировки, еще не пробовал. Да и что пробовать, в цифре лучше звучит , чем на посредственной голове, с хреновым корректором, с диском не самого высокого качества.
 
Да и что пробовать, в цифре лучше звучит
самое неприятное меняется настройка тонарма, ГЗМ прилично тяжелее, но раза с третьего получилось забавно, насколько верно, трудно сказать, но слушать интересно. Помойка подождет, корректор вытягивает с лёгкостью.
 
купил, Головка звукоснимателя Ortofon 2M Red Bulk. Деньги на ветер, но жаба пропустила, наверно в зимней спячке.
 
Валер , а что Вы личку закрыли ?
 
Статус
В этой теме нельзя размещать новые ответы.
Назад
Сверху