• Добро пожаловать на компьютерный форум Tehnari.ru. Здесь разбираемся с проблемами ПК и ноутбуков: Windows, драйверы, «железо», сборка и апгрейд, софт и безопасность. Форум работает много лет, сейчас он переехал на новый движок, но старые темы и аккаунты мы постарались сохранить максимально аккуратно.

    Форум не связан с магазинами и сервисами – мы ничего не продаём и не даём «рекламу под видом совета». Отвечают обычные участники и модераторы, которые следят за порядком и качеством подсказок.

    Если вы у нас впервые, загляните на страницу о проекте, чтобы узнать больше. Чтобы создавать темы и писать сообщения, сначала зарегистрируйтесь, а затем войдите под своим логином.

    Не знаете, с чего начать? Создайте тему с описанием проблемы – подскажем и при необходимости перенесём её в подходящий раздел.
    Задать вопрос Новые сообщения Как правильно спросить
    Если пришли по ссылке со старого Tehnari.ru – вы на нужном месте, просто продолжайте обсуждение.

Часы на отечественных элементах

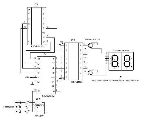
Это как? Ну вот имеются индикаторы с общим анодом, ну подключил катодами к дешифратору, а аноды тогда куда? К какому выводу какой микросхемы? Или к эмиттерам транзисторов КТ973? (Я про календарь)

Да, аноды календаря подключаются к трём первым разрядам параллельно.
 
Да? тогда буду собирать, какой посоветуешь? Я просто не сталкивался с ними никогда

Ну самый простой и собирать не надо. Подключаешь микросхему на LPT порт компьютера пятью проводками и всё.
 
И все? Я думал нужно сначала программатор собрать, потом контроллер купить, а оказывается собирать ничего не надо:). А для часов ATmega8 нужна?
 
Лучше, конечно, программатор собрать или купить готовый из наборов "Мастер КИТ".
Микроконтроллер купи ATmega8 и почитай эту статью: http://www.tehnari.ru/f115/t32851/
 
У нас программаторы "Мастер КИТ" не продают, а можно схему программатора?
 
Валер, будь другом проверь правильно ли я нарисовал схему подключения календаря к дешифратору и индикаторам?
 

Вложения

  • Схема.webp
    Схема.webp
    11.2 KB · Просмотры: 745
Да, правильно.
 
Круто! Я сомневался только в полярности питания на коллектор транзистора, и к 6-ому и 7-ому выводу ИД2:)
 
Валер, а какую прогу использовать для МК? И программатор можно любой собрать?
 
Все, разобрался. Буду использовать Raver Prog и программу Pony Prog, вроде по инструкции ничего сложного:)
 
Валера, собрал я их, опять проблемы. В общем при включении индикаторы загораются вот так, двоеточие мигает, после того как прошло 60 миганий индикатор не переключается. греются транзисторы КТ972, а КТ973 стоят холодные. Также чуток греется ИД2. на замыкания проверял 100 раз. мож я чет с питанием накрутил? Я подключал минус к коллекторам КТ972, а плюс к 16 выводу ИД2
 

Вложения

  • 100_1470.webp
    100_1470.webp
    12.9 KB · Просмотры: 392
И еще, даже при вытаскивании всех микросхем, индикаторы все равно горят
 
У меня вот есть 4 ИВ11, присобаченных на такую плату. А можете нарисовать как их к этой схеме часов подсоединять? И ещё вопрос: мне схема с общим анодом или катодом нужна?
 

Вложения

  • Фото0026.webp
    Фото0026.webp
    79.3 KB · Просмотры: 423
Валера, собрал я их, опять проблемы. В общем при включении индикаторы загораются вот так, двоеточие мигает, после того как прошло 60 миганий индикатор не переключается. греются транзисторы КТ972, а КТ973 стоят холодные. Также чуток греется ИД2. на замыкания проверял 100 раз. мож я чет с питанием накрутил? Я подключал минус к коллекторам КТ972, а плюс к 16 выводу ИД2
Ты что-то напутал.
 
Но я не понимаю что, и почему-то в 4 разряде 2 светодиода не горят, а первый разряд вообще не робит. Я когда делал часы на семисегментниках, то там при вытаскивании микр все затухало, а тут нет, что следует проверить? Светодиоды все рабочие
 
Если два светодиода не горят, то ты один из них впаял неверно или же он пробит.
А по какому рисунку делал плату?
 
нет, впаял я их правильно, все рабочие, делал плату которую ты мне нарисовал, там еще индикаторы отдельно, а плата отдельно. Мож я неправильно подцепил, хотя я все проверял .все правильно, блин... обидно, на днях конкурс :(
 
а из-за чего первый разряд может не работать? дело именно в индикаторе
 
Валер, решил проблему с двумя светодиодами (покоцана дорожка, видно плохо перевел) а вот что с первым разрядом не знаю, и не переключаются они, 8 показывает везде
 
А зачем ты подключил плюс к коллекторам? На плате там минус.
 
Назад
Сверху