Смотрите видео ниже, чтобы узнать, как установить наш сайт в качестве веб-приложения на домашнем экране.
Примечание: Эта возможность может быть недоступна в некоторых браузерах.
Добро пожаловать на компьютерный форум Tehnari.ru. Здесь разбираемся с проблемами ПК и ноутбуков: Windows, драйверы, «железо», сборка и апгрейд, софт и безопасность. Форум работает много лет, сейчас он переехал на новый движок, но старые темы и аккаунты мы постарались сохранить максимально аккуратно.
Форум не связан с магазинами и сервисами – мы ничего не продаём и не даём «рекламу под видом совета». Отвечают обычные участники и модераторы, которые следят за порядком и качеством подсказок.
Если вы у нас впервые, загляните на страницу о проекте, чтобы узнать больше. Чтобы создавать темы и писать сообщения, сначала зарегистрируйтесь, а затем войдите под своим логином.
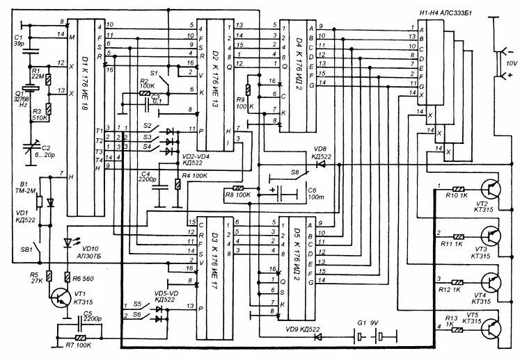
Для гашения используется вывод7 микросхемы дешифратора ИД2 или ИД3.е получается. Подключил 2 ножку до диода - индикатор не гаснет. Подтянул 2 ножку резистором - не гаснет. Совсем посадил 2 ножку на общий провод - не гаснет
Вообще то этот вход V (вывод 2) у ИЕ13 предназначен для перевода выходов ИЕ13 в высокоимпедансное состояние (отключение) при совместной работе с К176ИЕ17 на общий дешифратор и индикаторы. Для отключения индикаторов нужно использовать возможности дешифратора.У К176ИЕ13 есть вход V (вывод 2), при подаче на него минуса питания, отключаются выходы (1, 2, 4, 8 и С). Это можно использовать для отключения индикаторов, если посадить этот вход через резистор на минус. Тогда при снятии питания с этого вывода, отключаются индикаторы.

Вы не поверите. Часы собраны по этой схеме Ссылка удалена Только у меня Q9-Q12 без базовых резисторов, а Q2-Q8 pnp проводимости - их коллекторы подключены к общему проводу, и тоже без резисторов в базе.
Подключил питание счётчиков через диод, и подключил к счётчикам Крону через диод. Отключаю блок питания - часы работают от Кроны!
Оказалось что при таком включении индикаторы гаснут только если 16 ножку К176ИЕ18 отключить от Кроны.
Спасибо за схему.
Спасибо за схему.
А зачем у VT2...VT5 стоят базовые резисторы? Это же эмиттерные повторители.
Не подскажете для чего нужен VT1 и R5?
А причём здесь эмиттерные повторители? В эмиттерах стоят диоды в прямом включении, предположим, что на них падает 3 В, на базу (без резисторов) поступит 10 В. Какой ток на переходе база-эмиттер получится?...А зачем у VT2...VT5 стоят базовые резисторы? Это же эмиттерные повторители.
Этот транзистор со светодиодом дублирует звуковой сигнал будильника.Не подскажете для чего нужен VT1 и R5?
Почему же тогда все индикаторы АЛС333 подключены без единого резистора?А причём здесь эмиттерные повторители? В эмиттерах стоят диоды в прямом включении, предположим, что на них падает 3 В, на базу (без резисторов) поступит 10 В. Какой ток на переходе база-эмиттер получится?...
Кажется когда выключатель замкнут - светодиод постоянно будет гореть. Когда разомкнут - не будет. Правильно? А когда динамик будет пикать, что будет?Этот транзистор со светодиодом дублирует звуковой сигнал будильника.
Спаял эту часть. КТ315, АЛ307, 27 кОм, 1 кОм. У меня при замкнутом ключе светодиод светится постоянно, при разомкнутом - не горит. Когда будильник звенит - горит постоянно. Может быть в схеме ошибка...При замкнутом ключе транзистор закрыт, работает динамик, при разомкнутом, зажигается светодиод в такт с сигналом на выходе микросхемы, динамик молчит.
Понял! Нагрузка же в цепи эмиттера сидит. Значит ток течёт по цепи: база - эмиттер - нагрузка - источник питания. И ток реально маленький. :tehnari_ru_942:А причём здесь эмиттерные повторители? В эмиттерах стоят диоды в прямом включении, предположим, что на них падает 3 В, на базу (без резисторов) поступит 10 В. Какой ток на переходе база-эмиттер получится?...