• Добро пожаловать на компьютерный форум Tehnari.ru. Здесь разбираемся с проблемами ПК и ноутбуков: Windows, драйверы, «железо», сборка и апгрейд, софт и безопасность. Форум работает много лет, сейчас он переехал на новый движок, но старые темы и аккаунты мы постарались сохранить максимально аккуратно.

    Форум не связан с магазинами и сервисами – мы ничего не продаём и не даём «рекламу под видом совета». Отвечают обычные участники и модераторы, которые следят за порядком и качеством подсказок.

    Если вы у нас впервые, загляните на страницу о форуме и правила – там коротко описано, как задать вопрос так, чтобы быстро получить ответ. Чтобы создавать темы и писать сообщения, сначала зарегистрируйтесь, а затем войдите под своим логином.

    Не знаете, с чего начать? Создайте тему с описанием проблемы – подскажем и при необходимости перенесём её в подходящий раздел.
    Задать вопрос Новые сообщения Как правильно спросить
    Если пришли по старой ссылке со старого Tehnari.ru – вы на нужном месте, просто продолжайте обсуждение.

Часы на отечественных элементах

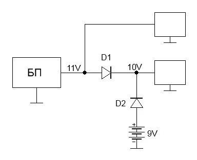
Ну почему же невозможно. Развязать питание микросхем, которые отвечают только за время, и остальной схемы.
Сейчас нашла старые часы, которые, кстати, ещё и сейчас идут, я там вместо кроны поставила конденсатор большой ёмкости и, тем самым, избавилась от лишнего диода. Вот в них я просто поставила диод в разрыв питания самих микросхем, а конденсатор просто параллельно этому питанию. И как я уже говорила, мне тех нескольких часов, которые держит этот конденсатор, вполне хватало. Изредка, когда свет пропадал надолго, сутки и более, приходилось настраивать время.

а за время я так понимаю отвечают микросхемы ИЕ18 и ИЕ13?
 
Вот и подключите к 16 ножкам микросхем питание через диод и к этим же ножкам подключите конденсатор на 10000 мкФ.
 
Ну почему же невозможно. Развязать питание микросхем, которые отвечают только за время, и остальной схемы.
Со светодиодными индикаторами этот вариант не самый лучший, так как следует помнить, что к ИЕ18 (схема из 1 го поста) подключены 4 транзистора коммутирующие разряды индикатора и их переходы Б-Э добавляют нагрузку на резервный источник питания превышающую потребление самих микросхем. Крона конечно же на некоторое время даст питание, а вот утверждение
я там вместо кроны поставила конденсатор большой ёмкости и, тем самым, избавилась от лишнего диода. Вот в них я просто поставила диод в разрыв питания самих микросхем, а конденсатор просто параллельно этому питанию. И как я уже говорила, мне тех нескольких часов, которые держит этот конденсатор, вполне хватало
возможно для часов с вакуумными индикаторами в которых нет коммутирующих транзисторов.
 
Транзисторы ставятся и на вакуумные индикаторы, а разделить питание можно так, надо только увеличить напряжение питания, что бы компенсировать падение напряжения на D1 и закрыть D2
 

Вложения

  • авар_пит.webp
    авар_пит.webp
    3 KB · Просмотры: 122
Со светодиодными индикаторами этот вариант не самый лучший
Да, вы правы, с полупроводниковыми индикаторами только батарейка. Кроме того, чтобы уменьшить ток, можно увеличить сопротивления в цепи базы и поставить транзисторы с большим коэффициентом усиления...

Транзисторы ставятся и на вакуумные индикаторы
К выходам Т микросхем ИЕ12, ИЕ18 подключаются сетки ВЛИ, а у ИЕ13 есть отключение от индикаторов.
 
Последнее редактирование:
Спасибо за развернутые ответы, завтра попробую отпишусь
 
Подскажите, пожалуйста, кто в курсе: в моих часах "Электроника" 1986 года выпуска на этих трех микросхемах (ие18, ие13 и ид3) тускло светится индикатор (вакуумный), мерцает при попытке установить время, и не удается установить само время (при нажатии на кнопки значения быстро меняются - не удается никак попасть в нужное значение). Какая микросхема неисправна?
 
Для начала проверьте напряжение питания и замените электролитические конденсаторы в питании...
 
Замена всех электролитов и дисплея, тогда у Вас часики будут как новенькие.
Я на своих недавно проделал эту операцию, и вот что получилось:
 

Вложения

  • IMAG0357-1.webp
    IMAG0357-1.webp
    44.1 KB · Просмотры: 835
Кстати, после замены конденсаторов фильтра питания 100,0х50В и 100,0х16В, часы без дополнительного источника питания и какой-либо переделки не теряют ход в течение ~3 часов без сети.

P.s. в этих часах в качестве задающего генератора и делителя на 32768 используется 176ИЕ12.
 
Последнее редактирование:
Замена электролитических конденсаторов исправила часы, спасибо!
Теперь видимо надо еще поменять экран ИВЛ2-7/5 - за 27 лет непрерывной работы он наверно тоже выдохся (тускло светит).
 
Да, за двадцать семь лет нити накала вполне могли потерять эмиссию.
 
:tehnari_ru_837:
Где-то в загашниках лежит советский светильник с часами "Электроника" на тех-же микросхемах, только вместо К176ИД2 стоит К176ИД3 и индикатор люминесцентный ИВЛ2-7/5. В последнее время часы эти фигню какую-то показывали, все руки до них не доходят.
Есть светильник без часов. Есть убитая плата часов от светильника. Есть желание восстановить и собрать воедино. Мне бы схемку от этих часов-светильника плиииз!!!
 
Валерий скажите пожалуйста как называются ваша модель индикаторов которые вы поставили в ваши часы просто я собрал похожие часы
 
Я делал на разных индикаторах, и на самодельных тоже. Какие именно интересуют?
 
ну меня интересуют индикаторы с общим анадом просто я собрал на индикаторах SC04-12GWA все работает только они маленькие а мне бы побольше я на днях нупил индикаторы SA18-11YWA подключаю а ничего неработае твроде тоже с общим анадом!Подскажите какие мне лучше купить или самому сделать
 
SC04-12GWA - с общим катодом, а SA18-11YWA с общим анодом. Они не взаимозаменяемы, надо схему переделывать.
 
схему полностью переделывать или что менять из деталей?
 
Назад
Сверху