• Добро пожаловать на компьютерный форум Tehnari.ru. Здесь разбираемся с проблемами ПК и ноутбуков: Windows, драйверы, «железо», сборка и апгрейд, софт и безопасность. Форум работает много лет, сейчас он переехал на новый движок, но старые темы и аккаунты мы постарались сохранить максимально аккуратно.

    Форум не связан с магазинами и сервисами – мы ничего не продаём и не даём «рекламу под видом совета». Отвечают обычные участники и модераторы, которые следят за порядком и качеством подсказок.

    Если вы у нас впервые, загляните на страницу о проекте, чтобы узнать больше. Чтобы создавать темы и писать сообщения, сначала зарегистрируйтесь, а затем войдите под своим логином.

    Не знаете, с чего начать? Создайте тему с описанием проблемы – подскажем и при необходимости перенесём её в подходящий раздел.
    Задать вопрос Новые сообщения Как правильно спросить
    Если пришли по ссылке со старого Tehnari.ru – вы на нужном месте, просто продолжайте обсуждение.

Часы-пропеллер. Вариант Light

Нет, не хватит такого тока. Или же будет на пределе. Советую собрать сетевой блок питания.
 
Валерий, сегодня пришли с сайта детали, заменил микросхему, но без толку. Выдает 0.3 В. Что следует проверить? Дроссель выпаивал с нерабочего модема.
 

Вложения

  • DSCN5302.webp
    DSCN5302.webp
    111.5 KB · Просмотры: 1,090
от затеи с питанием от usb отказался. просто делаю облегченный вариант.
есть мысль двигатель от винчестера использовать. двигатель уже раздобыл. схему нашел.
может у кто подключал от HDD двигатель поделитесь схемками включения.
 
Валерий, сегодня пришли с сайта детали, заменил микросхему, но без толку. Выдает 0.3 В. Что следует проверить? Дроссель выпаивал с нерабочего модема.
Что-то плата сильно неаккуратно собрана, может в этом всё дело? Соплей и непропаянных мест точно нет?
 
от затеи с питанием от usb отказался. просто делаю облегченный вариант.
есть мысль двигатель от винчестера использовать. двигатель уже раздобыл. схему нашел.
может у кто подключал от HDD двигатель поделитесь схемками включения.
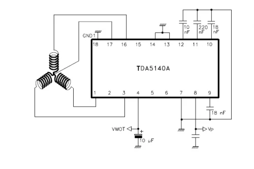
Используй микросхему TDA5140. Схема подключения есть в даташите.
http://www.ddrservice.info/files/Integrated-circuits/T/tda/5/tda5140a.pdf
 
спасибо огромное. учту схема вроде простая. и похоже обмотки используются как датчики.
а оборотов увеличить как то можно?
 
Обороты зависят от напряжения на выводе 4 микросхемы. Оно может быть от 1.5 до 12 вольт.
 
Кто нибудь уже собрал часть двигатель, используя движок от HDD?
Как подключить? Есть схема?
 
Смотри пост #1005
 
Двигатель надо прозвонить тестером и определить его обмотки.
 
Ку Всем ! У меня вот такой вопрос! Наминалы кондёров в блоке ВЧ! критично ли заменить 1500пф на 1200пф и 200пф на 330пф?? Ну нет других)).кароче выдаёт у меня 5 v. что то больше не получается, мотал катушки проводом 0,3 90 и 30 витков соответственно!
 
Такая замена не критична.
 
мотал катушки проводом 0,3 90 и 30 витков соответственно!
30 - это маловато для первички. Я мотал - 50 (первичка), и 90 (вторичка). Ещё может покрути переменники, тут тоже надо терпение, и выставить их в таком положении , чтобы был максимальный резонанс . Тогда и будет максимальное напряжение на вторичке.
 
30 - это маловато для первички. Я мотал - 50 (первичка), и 90 (вторичка). Ещё может покрути переменники, тут тоже надо терпение, и выставить их в таком положении , чтобы был максимальный резонанс . Тогда и будет максимальное напряжение на вторичке.

Переменки крутил конечно! но вот всё что выжал!) первички сделал 3 катушки 70 ,30 ,10. на 70 2v ну эт и понятно большая, а вто на других по 5v/ и то с лабараторного блока питания! с креники чёт не хотел вообще заводится! выход с кренки 5v есть, кренка греется подавал на кренку к импульсного 12. генератор странным образом молчит,всё таки думаю первичку толще проводом мотать 0,5.И генератор другой собрать на микросхеме!
 
Валерий, по этой схеме электролитический конденсатор 10 мкф и 1 мкф на сколько вольт нужна?
 
Обычно конденсаторы берутся несколько больше, чем напряжение питания.
 
Есть конденстатор 10 мкф на 16В. Теперь заказываю 1 мкф. Вот вопрос: там есть в магазине 1мкф/100В и1мкф/450В. Какую заказывать?
 
Назад
Сверху