Смотрите видео ниже, чтобы узнать, как установить наш сайт в качестве веб-приложения на домашнем экране.
Примечание: Эта возможность может быть недоступна в некоторых браузерах.
Добро пожаловать на компьютерный форум Tehnari.ru. Здесь разбираемся с проблемами ПК и ноутбуков: Windows, драйверы, «железо», сборка и апгрейд, софт и безопасность. Форум работает много лет, сейчас он переехал на новый движок, но старые темы и аккаунты мы постарались сохранить максимально аккуратно.
Форум не связан с магазинами и сервисами – мы ничего не продаём и не даём «рекламу под видом совета». Отвечают обычные участники и модераторы, которые следят за порядком и качеством подсказок.
Если вы у нас впервые, загляните на страницу о форуме и правила – там коротко описано, как задать вопрос так, чтобы быстро получить ответ. Чтобы создавать темы и писать сообщения, сначала зарегистрируйтесь, а затем войдите под своим логином.
это вот этот?
Нет, фоторанзистор подключается по иному.а как его подключать,у него три ноги - земля,выход,+5в
короче энтузазизм пропал..............


Вот тут то я и не помошник ибо инет магазинами не пользуюсьИ какой интернет-магазин посоветуете для покупки деталей?
Привет!
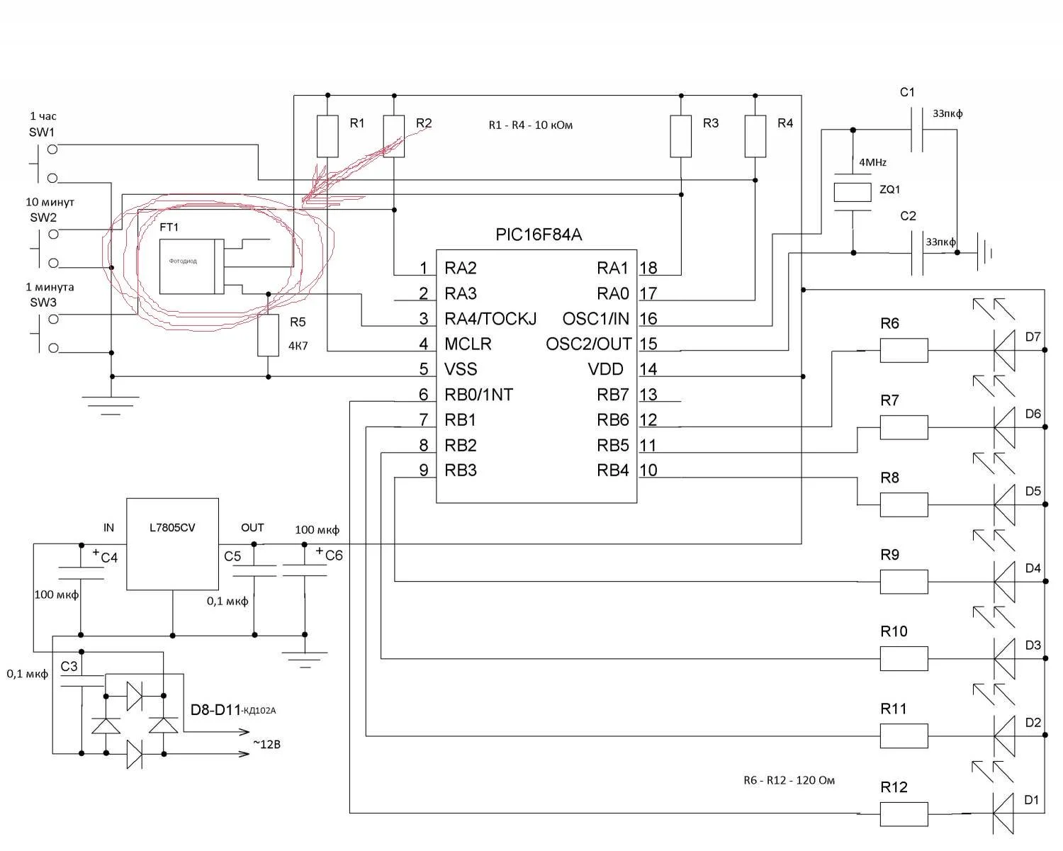
Схемы часов одинаковые
Вот перечень элементов
Часы
сопротивления
R1-10ком
R2-10ком
R3-10ком
R4-10ком
R5-4,7ком
...
ВотПреогромнейшее СПАСИБО вам, детали буду заказывать, а можно ещё рисунок плат для данных схем?
Ни в одном магазине не оказалось фотодиода, но в куче запчастей нашёл вот это, случайно это не фотодиод?