• Добро пожаловать на компьютерный форум Tehnari.ru. Здесь разбираемся с проблемами ПК и ноутбуков: Windows, драйверы, «железо», сборка и апгрейд, софт и безопасность. Форум работает много лет, сейчас он переехал на новый движок, но старые темы и аккаунты мы постарались сохранить максимально аккуратно.

    Форум не связан с магазинами и сервисами – мы ничего не продаём и не даём «рекламу под видом совета». Отвечают обычные участники и модераторы, которые следят за порядком и качеством подсказок.

    Если вы у нас впервые, загляните на страницу о проекте, чтобы узнать больше. Чтобы создавать темы и писать сообщения, сначала зарегистрируйтесь, а затем войдите под своим логином.

    Не знаете, с чего начать? Создайте тему с описанием проблемы – подскажем и при необходимости перенесём её в подходящий раздел.
    Задать вопрос Новые сообщения Как правильно спросить
    Если пришли по ссылке со старого Tehnari.ru – вы на нужном месте, просто продолжайте обсуждение.

Эквалайзер

  • Автор темы Автор темы DUBL
  • Дата начала Дата начала
157 уд1 ставить нельзя
Это почему это???
Где ты вообще её увидел ?
перепутал, извиняюсь)
Можно ставить 157 уд2
Не понял! А 157 уд2 это же вроде тоже что и УД1 только сдвоенный.
К ОУ никаких особых требований не предъявляется
Ну всё же хотелось бы поменьше шумов, а 157 УД2 далеко не быстродействующий ОУ)))
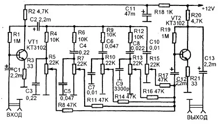
Входной и выходной транзисторы кт 3102 а, б, е, 342, 315
ну я решил сделасть с ОУ на входе и ОУ на выходе, и обойтись без 157УД2, а поставить быстродействующий импорт TL074, вот и встал вопрос о разводке платы под две таких ИМС.
 
Не понял! А 157 уд2 это же вроде тоже что и УД1 только сдвоенный.
А справочные данные посмотреть?

Ну всё же хотелось бы поменьше шумов, а 157 УД2 далеко не быстродействующий ОУ)))
Шумы и быстродействие ОУ друг от друга зависят?
 
ну искажения от скорости наростания сигнала, зависят.
 
Ну всё же хотелось бы поменьше шумов, а 157 УД2 далеко не быстродействующий ОУ)))[/quote
к 157 уд 2, это очень неплохой отечественный операционный усилитель, с малым коэф. шума. Надёжная МС.
 
ну решение принято, собираю на TL072
 
помогите составить пп при условии что согласующий усилитель сделан на оу TL072
 
ну очень нужна печатная плата
 
Ну а сам то что? Самому то что, не интересно разве? Платку то расчертить? А то что получается : дайте схему, дайте ПП, дайте ........Ну попроси что бы кто нибудь собрал тебе схему твоего эквалайзера, и выслал на указанный тобой адрес. Чего мучиться?
 
ну я маркёром рисую и неудачно
 
Блин криворукий я. Все же я передумал. Нужен эквалайзео на 5 каналов. Кто нибудь с этим встречался? Дайте схему!
 
Пожалуйста!
5-и полосный эквалайзер.webp
Но его не советую, искажений достаточно.
Лучше тембр блок собрать.
Дешевый вариант: Посмотреть вложение tda1524_pcb.zip
Более по дороже, но он лучше всего: Посмотреть вложение LM1036.zip
 
Хотя и не сторонник эквалайзеров в домашней аппаратуре. в некоторых случаях им место быть(в отключаемом варианте) и легко встраивается в готовый усилитель.( МС и транзисторы с малым к.шума) ТЛ072 или аналогичные. КТ 3102 с В не мен 200.
 

Вложения

  • p0027.webp
    p0027.webp
    33.1 KB · Просмотры: 351
Я имел ввиду на 5 калонок)))
 
На пять колонок нужно делать пять одинаковых схем...
 
А варианта с микроконтроллером нет? Ато я всё равно криворукий, столько не сделаю)

Вот у меня такое ощущение, что вы и сами не понимаете, что хотите! Как то мысли свои в кучку соберите, и постарайтесь их правильно излагать.
 
Назад
Сверху