• Добро пожаловать на компьютерный форум Tehnari.ru. Здесь разбираемся с проблемами ПК и ноутбуков: Windows, драйверы, «железо», сборка и апгрейд, софт и безопасность. Форум работает много лет, сейчас он переехал на новый движок, но старые темы и аккаунты мы постарались сохранить максимально аккуратно.

    Форум не связан с магазинами и сервисами – мы ничего не продаём и не даём «рекламу под видом совета». Отвечают обычные участники и модераторы, которые следят за порядком и качеством подсказок.

    Если вы у нас впервые, загляните на страницу о проекте, чтобы узнать больше. Чтобы создавать темы и писать сообщения, сначала зарегистрируйтесь, а затем войдите под своим логином.

    Не знаете, с чего начать? Создайте тему с описанием проблемы – подскажем и при необходимости перенесём её в подходящий раздел.
    Задать вопрос Новые сообщения Как правильно спросить
    Если пришли по ссылке со старого Tehnari.ru – вы на нужном месте, просто продолжайте обсуждение.

ФНЧ для TDA7294 на операционниках

  • Автор темы Автор темы DDREDD
  • Дата начала Дата начала
как можно по другому получить +-15?
 
Из чего получить?
Что вообще происходит?
 
нужно от преобразователя(+-30) получить -+15вольт
 
так кто что посоветует? прям партия браковок попалась с 7915...
 
нету таких диодов! :(
 
хм две кренки подряд, может быть проблема не в 7915?
 
а есть ли ещё какие схемы стабилизации напряжения?
 
может собрать по этой схеме?
в чём тут плюсы и минусы кто знает подскажите...
 

Вложения

  • 1312555057_p5310133.webp
    1312555057_p5310133.webp
    76.8 KB · Просмотры: 1,627
  • 1312734965_blok-pitaniya.webp
    1312734965_blok-pitaniya.webp
    9 KB · Просмотры: 1,234
При такой схеме при напряжении питания выше или близком +-35В стабилизаторы помрут (и греться будут как утюги).
 
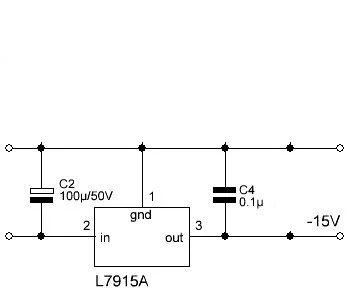
а можно проверить 7915 без диода? вот так как на рисунке...
 

Вложения

  • 234324.webp
    234324.webp
    4.6 KB · Просмотры: 147
может попробывать на 7812 и 7912? какое минимальное питание у этого ФНЧ?
 
не могу кондёр найти на 35 вольт....
 
4.7 мф на 50 вольт пойдёт?
 
не у мня 2200мф, в преобразователе имеешь ввиду?что значить цеплять можно без всего так(это правильное включение?) и мерить?
 

Вложения

  • Копия 4t-6.gif
    Копия 4t-6.gif
    4.5 KB · Просмотры: 264
ну только керамику на 0,1мкф поставь а электролит можно не ставить
 
странно не пойму обе показывают -19.6 это это значит?
 
Назад
Сверху