• Добро пожаловать на компьютерный форум Tehnari.ru. Здесь разбираемся с проблемами ПК и ноутбуков: Windows, драйверы, «железо», сборка и апгрейд, софт и безопасность. Форум работает много лет, сейчас он переехал на новый движок, но старые темы и аккаунты мы постарались сохранить максимально аккуратно.

    Форум не связан с магазинами и сервисами – мы ничего не продаём и не даём «рекламу под видом совета». Отвечают обычные участники и модераторы, которые следят за порядком и качеством подсказок.

    Если вы у нас впервые, загляните на страницу о проекте и правила – там коротко описано, как задать вопрос так, чтобы быстро получить ответ. Чтобы создавать темы и писать сообщения, сначала зарегистрируйтесь, а затем войдите под своим логином.

    Не знаете, с чего начать? Создайте тему с описанием проблемы – подскажем и при необходимости перенесём её в подходящий раздел.
    Задать вопрос Новые сообщения Как правильно спросить
    Если пришли по старой ссылке со старого Tehnari.ru – вы на нужном месте, просто продолжайте обсуждение.

Гетеродинные приёмники

  • Автор темы Автор темы Abraziv
  • Дата начала Дата начала
Не работает , хоть с 4 , 5, 6, 7 , 8 . Раньше хоть что то ловил , теперь вообще ничего.
 
маяк на фоне прослушивается.
 
Кажись я понял как настроиться. Вот только засада, что Маяки сто ретро всякие находятся и вверху и внизу, куда я попадаю бог его знает. Программа показывает 102,1 и слушаю ретро FM. Где я вверху или внизу фиг его знает. Вверх переходу чувствую предел , нижние станции слишком далеко.
 
Чувствую я внизу , тога и 6 витков мало . Проволоки плохо больше нету.
 
Частотомера и измерителя индуктивности нет?
 
Нету. Там же разница между частотой станции и ГУНом пол МГц где то должно быть ?
 
Странно , но частота генерации ГУНа , примерно 425МГц.
 

Вложения

  • Снимок.webp
    Снимок.webp
    7.9 KB · Просмотры: 121
  • Снимок2.webp
    Снимок2.webp
    7 KB · Просмотры: 53
Чем измеряли? Частотомер может третью гармонику генератора фиксировать, при большом коэффициенте гармоник в сигнале. Но даже так 425/3=141,6 что слишком далеко от нормальных границ диапазона перестройки гетеродина, слишком высокая частота. Вероятно из-за малой емкости варикапов.
 
Я не измерял . Посчитал по даташиту по формуле Томсона f = 1/( 2*pi*sqrt(L*C) ). Частота генерации контура Гуна должна же быть больше или меньше примерно на пол МГц, а тут всего 425.
 
Без данных по индуктивности катушки считать что либо бессмысленно. Если приборов нет, выход только один - взять рекомендуемое количество витков (в общем случае это 4-5 витков) и подобрать варикапы с которыми получится нужный диапазон перестройки гетеродина по частоте ориентируясь на радиовещательные станции и контрольный приемник. Варикапы, разумеется, подбирать без синтезатора, подавая напряжение на них с движка переменного резистора.
 
Странно , но частота генерации ГУНа , примерно 425МГц.
Странно, но у меня здесь получилось приблизительно от 100 МГц до 122 МГц, если взять переменный конденсатор 20...40 пФ.


Нет времени делать измерения, но из своих экспериментов смутно помню, что катушка из 4 витков провода 0,7 мм, на оправке 4 мм это около 50 наногенри, а такая же катушка из 5 витков примерно 70 наногенри. Цифры очень приблизительные (зависят от плотности намотки и прочих факторов) но для предварительного расчета ГУН и такой точности достаточно, все равно потом ГУН настраивать нужно.
 
Последнее редактирование:
Здравствуйте Bydlokoder.
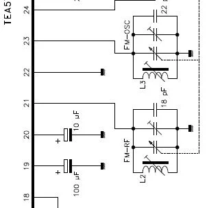
Наконец то пришли варикапы BB133 и транзистор 2SK583 . На для контура FM-OSC(преселектора ЧМ) намотал 4 витка , а для контура FM-RF(ГУНа) 10 витков, теперь принимает , но далеко е все и с большими шумами. Можно сказать ничего не принимает, что можете посоветовать теперь ? Заранее спасибо.
 
по витков , ловит только 89.5 МГц. Ад вообщем.
 
а для контура FM-RF(ГУНа) 10 витков
Очень много.
Катушка преселектора содержит от силы на один виток больше или меньше, чем катушка ГУН, в зависимости от того, "верхняя" или "нижняя" настройка гетеродина использована. В синтезатор какая частота записывается программой? Ниже частоты настройки на радиостанцию или выше? Если выше, в катушке ГУН должно быть меньше витков (или катушка должна быть растянута сильнее преселекторной), если ниже, тогда витков больше или намотка плотнее).

P.S. На всякий случай напомню, что частота гетеродина должна отличаться на 10,7 МГц, от частоты принимаемой радиостанции.
 
Свою программу накатал, частота гуна меньше на 10.7 МГц , а частота преселектора должна быть равна частоте сигнала как я понял. Скажите можно ли генератором на 1МГц и осциллографом на 200 МГц , настроить ? ГУН мне кажется можно, а вот с преселектором сложнее.
 
Сделал питание от батареек, поставил ферритовый фильтр на ком, стал более менее что то ловить. Частота ГУНа ниже сигнальной на 10.7 МГц , поэтому на преселектор поставил катушку из 6 витков , на ГУН 5 витков, но всё равно большинство каналов не ловит, а есть хороший приём но голос сильно искажён особенно басы.
 
голос сильно искажён особенно басы
Проблема возможно в дискриминаторе, попробовать заменить на другой.

Частота ГУНа ниже сигнальной на 10.7 МГц , поэтому на преселектор поставил катушку из 6 витков , на ГУН 5 витков
Неправильно. Если частота ГУН ниже, в катушке ГУН должно быть больше витков чем в катушке преселектора.
 
Неправильно. Если частота ГУН ниже, в катушке ГУН должно быть больше витков чем в катушке преселектора.
Да я оговорился , по формуле Томсона это видно.
 
Дискриминатор замените. Если что, попробуйте заменить его на пьезокерамический фильтр 10,7 МГц, включив крайними или средним и одним из крайних выводов. Меньшие искажения дает колебательный контур на 10,7 МГц включенный вместо пьезокерамического дискриминатора, но затрудняюсь сказать как его включить в данную конкретную схему. Могу только предположить что контур включается последовательно с конденсатором, чтобы не нарушить работу микросхемы по постоянному току.

Синтезатором управлять лучше от микроконтроллера, компьютер дает слишком много помех и снизить их влияние на радиоприем довольно затруднительно. Микроконтроллер шумит меньше и к тому же можно переводить его в спящее состояние для минимизации помех.
 
Ловит кстати почему то в основном ниже 100 МГц , а если выше то вообще интересно , переключаюсь на очередную станцию , пошла музыка , потом щелчок и сразу же гудение. Дискриминатор менял , эффект тот же самый. Может TEA5711 хана пришла , уже. Звук сильно искажается .
 
Назад
Сверху