• Добро пожаловать на компьютерный форум Tehnari.ru. Здесь разбираемся с проблемами ПК и ноутбуков: Windows, драйверы, «железо», сборка и апгрейд, софт и безопасность. Форум работает много лет, сейчас он переехал на новый движок, но старые темы и аккаунты мы постарались сохранить максимально аккуратно.

    Форум не связан с магазинами и сервисами – мы ничего не продаём и не даём «рекламу под видом совета». Отвечают обычные участники и модераторы, которые следят за порядком и качеством подсказок.

    Если вы у нас впервые, загляните на страницу о проекте, чтобы узнать больше. Чтобы создавать темы и писать сообщения, сначала зарегистрируйтесь, а затем войдите под своим логином.

    Не знаете, с чего начать? Создайте тему с описанием проблемы – подскажем и при необходимости перенесём её в подходящий раздел.
    Задать вопрос Новые сообщения Как правильно спросить
    Если пришли по ссылке со старого Tehnari.ru – вы на нужном месте, просто продолжайте обсуждение.

ИБП для шуруповёрта

  • Автор темы Автор темы DTS
  • Дата начала Дата начала
derba

Спасибо за помощь,
а можно поставить стабилитрон в паралель R4 или вмето него? так не лучше будет?
 
Нет, не в коем случае, стабилитрон уже стоит на 15,6в внутри микросхемы, а поставив стабилитрон мы спалим или стабилитрон микросхемы, или вновь установленный стабилитрон, или оба сразу.
.
 
Последнее редактирование:
В даташите для IR2153 есть ограничение: R =10к, т.е. меньше, чем 10 к частотозадающий резистор применять не рекомендуется. Кто в курсе, с чем это связано? Зря буржуины такое писать не будут. Вот скан, в параллель питания стоит стабилитрон, в красном кружке.
 

Вложения

  • 1.webp
    1.webp
    23.3 KB · Просмотры: 308
В даташите для IR2153 есть ограничение: R =10к, т.е. меньше, чем 10 к частотозадающий резистор применять не рекомендуется. Кто в курсе, с чем это связано? Зря буржуины такое писать не будут. Вот скан, в параллель питания стоит стабилитрон, в красном кружке.

По всей видимости они считают, что с ростом частоты увеличиваются нагрузки на выходную часть микросхемы , требуется дополнительное питание, микроб требует больше мощности для того чтобы справиться с ключами, ведь по сути так оно и есть, но они не учитывают тот момент, что наши народные умельцы прикручивают внешний усилитель и разгружают микроба по току. Таким образом вывод напрашивается сам собой:
если использовать микроба *в чистую* а не с дополнительным каскадом ( к примеру на bd139 bd140) , то на частотах выше 200кГц , а именно столько получается при 10кОм и 330р , то он попросту не справится с управлением , ведь с ростом частоты уменьшается ёмкостное сопротивление паразитных конденсаторов в затворах транзисторов.Проще говоря *Боливар не вынесет двоих*
Так же есть предположение, что 10кОм привязано к 330р именно пределом по частоте, а не по сопротивлению изначально, ведь можно поставить 5кОи и 660р и получить ту же частоту. Таким образом есть мнение, что производитель либо срахуется по току через выходной каскад микросхеммы, либо по физически возможной частоте работы этой микросхемы. В доказательство второго варианта , мной был собран усилитель в классе D на базе этой микросхемы и он был уже не стабилен при частоте несущей более 150кГц.Ниже этого значения стабильность восстанавливалась.
 
 
А в доказательство первого варианта, блок питания для автомобильного усилителя, он спроектирован таким образом, что силовые транзисторы используются уже изначально с довольно большой ёмкостью затворов, ведь они выбраны из тока 20А и более и как можно меньшего сопротивления открытого канала, а здесь чудес не бывает, чем мощнее ключик - тем больше ёмкость и с ней нужно считаться. Так вот при подключению напрямую к выходу микроба - напряжение питания на 1й ноге просаживалось в плоть до полного отключения микросхемы и уменьшение сопротивления ограничивающего ток резистора в питании микросхемки даже до 5кОм , не давало необходимого результата, микросхема перегревалась в считанные доли секунды. Было принято решение разгрузить микросхему по току и сделать самозапитку через ВЧ по высокой стороне, через токоограничивающую ёмкость и дополнительный стабилизатор в виде стабилитрона, так сразу и драйверу питание подкинул.
 
 
Нет, не в коем случае
понял спасибо, просто где то видел потому и спросил.

Вот перерисовал печатку, сделал по 2 резистора и 2 конденсатора на частоту, и добавил R4 тоже сделал 2 (если поставить 2 по 2 ватта нагрев уменьшиться ж?)
Посмотрите пожалуйста на разводку правильно ли всё? Спасибо большое!
 

Вложения

R4 конечно можно так сделать. (310/47000)*310=2,05 ватт, два двухваттных резистора комфортно будут себя чувствовать.

Ошибок не обнаружил. Ошибки в работе покажут себя, если они есть.
 
R4 конечно можно так сделать. (310/47000)*310=2,05 ватт, два двухваттных резистора комфортно будут себя чувствовать.

Ошибок не обнаружил. Ошибки в работе покажут себя, если они есть.
Спасибо Вам за помощь и поддержку!

Ещё есть несколько сомнений по поводу:
1. снаберного конденсатора, на одной из схем он 470пФ, у меня на печатке от DTSа он 1нФ?
2. какой номинал конденсатора лучше ставить между 6 и 8 лапкой микросхемы?
3. Как опредилить частоту трансформатора?
подобрать конденсатор и резистор я думаю можно тут : http://авто-поделки.рф/kalkulyator-raschyota-chastoty-ir2153
 
Последнее редактирование:
1.По снабберу Вам же был дан ответ.Есть осциллограф и понятие в настройке иип тогда можно заморачиватся.Если такого нет ставьте что попадет в руку.Так и так будет работать.
2, От 680нФ до 2,2мФ.
3,Опять же если нет осциллографа сделать это будет трудно.Из вариантов доступных дома это лампочка накаливания в разрыв питания (способ так себе)
 
Можно ли изготовить блок питания для 18В шуруповерта с использованием вот такого ферритового сердечника для трансформатора? Феррит взят от маленького телевизора.
Если такой использовать можно, то не могли бы вы рассчитать намоточные данные такого трансформатора?
 

Вложения

  • IMG_20180324_135831.webp
    IMG_20180324_135831.webp
    35.4 KB · Просмотры: 75
  • IMG_20180324_135930.webp
    IMG_20180324_135930.webp
    82.6 KB · Просмотры: 86
  • IMG_20180324_135958.webp
    IMG_20180324_135958.webp
    84.2 KB · Просмотры: 66
  • IMG_20180324_140025.webp
    IMG_20180324_140025.webp
    114.4 KB · Просмотры: 67
  • IMG_20180324_140210.webp
    IMG_20180324_140210.webp
    137.1 KB · Просмотры: 62
  • IMG_20180324_140140.webp
    IMG_20180324_140140.webp
    217.2 KB · Просмотры: 67
Можно ли изготовить блок питания для 18В шуруповерта с использованием вот такого ферритового сердечника для трансформатора? Феррит взят от маленького телевизора.
Если такой использовать можно, то не могли бы вы рассчитать намоточные данные такого трансформатора?

Можно, я на таком (практически таком) делал для усилителя
 
Правда есть пара недостатков:
1-Каркас либо заморочится и изготовить самому, либо делать бескаркасную намотку.
2-частоту не задирать выше 30кГц-35кГц
первичка 50 Витков в одну жилу 0.8мм
вторичка 7+7 витков проводом 0.8мм в 4шт жилки.
Для бескаркасной намотки можно взять оправку из батарейки, обмотать её скотчем, только липкой стороной наружу, а затем обычной ксероксной бумагой намазаной клеем ПВА или момент, после высыхания смело мотаем НЕ СНИМАЯ С БАТАРЕЙКИ, после намотки уже батарейку убираем и стыкуем половинки сердечника, никаких скобок применять не нужно, достаточно капнуть суперклея и плотно сжать, крепить удобно прямо сердечником на плату , на двух сторонний скотч, а затем запаивать выводы. Сами выводы стараться изначально делать с запасом, лишнее откусить не проблема.
 
У Вас 3 точки: начало, средняя точка, конец. И 8 обмоток в параллель. Берете начало 1 обмотки и припаиваете к точке" начало", конец припаиваете к точке "средняя точка". Начало 2 обмотки припаиваете к точке "средняя точка". Конец 3 обмотки припаиваете точке "конец". Далее все повторить с 3 точки. Получается равномерное распределение обмоток. Я всегда так поступаю. До 50-100 вольт лаковая изоляция еще ни разу не подводила.
Сегодня докупил провод и домотал вторичку, получилось вот так...
Просьба посмотреть на коммутацию обмоток правильно ли я понял?
Спасибо.
 

Вложения

  • комутация.webp
    комутация.webp
    14.3 KB · Просмотры: 281
  • IMG_20180324_181404.webp
    IMG_20180324_181404.webp
    28.5 KB · Просмотры: 162
частоту не задирать выше 30кГц-35кГц

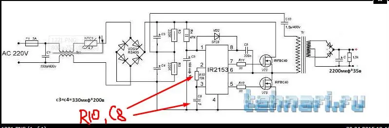
Правильно ли я понимаю, что частота регулируется подбором номиналов этого резистора и конденсатора.
Какие номиналы этих элементов стоит выбрать для частоты 25кГц?, 25кГц ведь будет оптимальной частотой для моего случая?
 

Вложения

  • Безымянный.png.webp
    Безымянный.png.webp
    19.8 KB · Просмотры: 215
Правильно , в инете есть Калькулятор расчёта частоты IR2153,
автор: admin 27.02.2015 3 Комментарии
Онлайн калькулятор расчёта частоты ir2153
 
Правильно ли я понимаю, что частота регулируется подбором номиналов этого резистора и конденсатора.
Какие номиналы этих элементов стоит выбрать для частоты 25кГц?, 25кГц ведь будет оптимальной частотой для моего случая?

R10=22кОм , С8=1n и будет 30кГц. отталкивайся от этого, а там само покажет.Про лампочку не забудь.
 
Напомните пожалуйста, ато уже пол часа ищу и никак конкретно не найду,
вторичка должна быть намотана в том же направлении что и первичка на торе?
 
ХУУхх...ато я что то кручу транс туда сюда и смотрю что вроди как не по ходу намотано,а где то слышал что нужно в том же направлении мотать (возможно то было что то другое) и тут понеслось,
спасибо Вам
 

Похожие темы

Назад
Сверху