• Добро пожаловать на компьютерный форум Tehnari.ru. Здесь разбираемся с проблемами ПК и ноутбуков: Windows, драйверы, «железо», сборка и апгрейд, софт и безопасность. Форум работает много лет, сейчас он переехал на новый движок, но старые темы и аккаунты мы постарались сохранить максимально аккуратно.

    Форум не связан с магазинами и сервисами – мы ничего не продаём и не даём «рекламу под видом совета». Отвечают обычные участники и модераторы, которые следят за порядком и качеством подсказок.

    Если вы у нас впервые, загляните на страницу о форуме и правила – там коротко описано, как задать вопрос так, чтобы быстро получить ответ. Чтобы создавать темы и писать сообщения, сначала зарегистрируйтесь, а затем войдите под своим логином.

    Не знаете, с чего начать? Создайте тему с описанием проблемы – подскажем и при необходимости перенесём её в подходящий раздел.
    Задать вопрос Новые сообщения Как правильно спросить
    Если пришли по старой ссылке со старого Tehnari.ru – вы на нужном месте, просто продолжайте обсуждение.

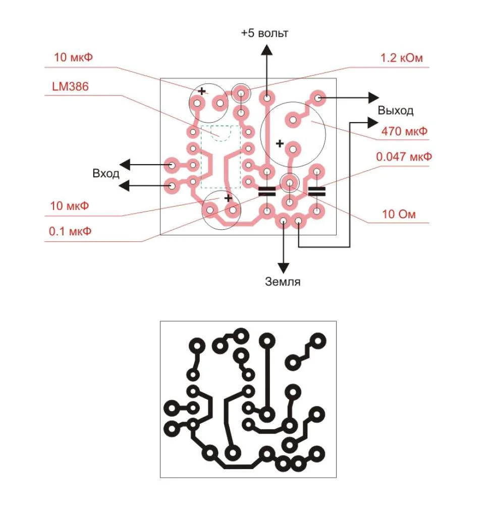
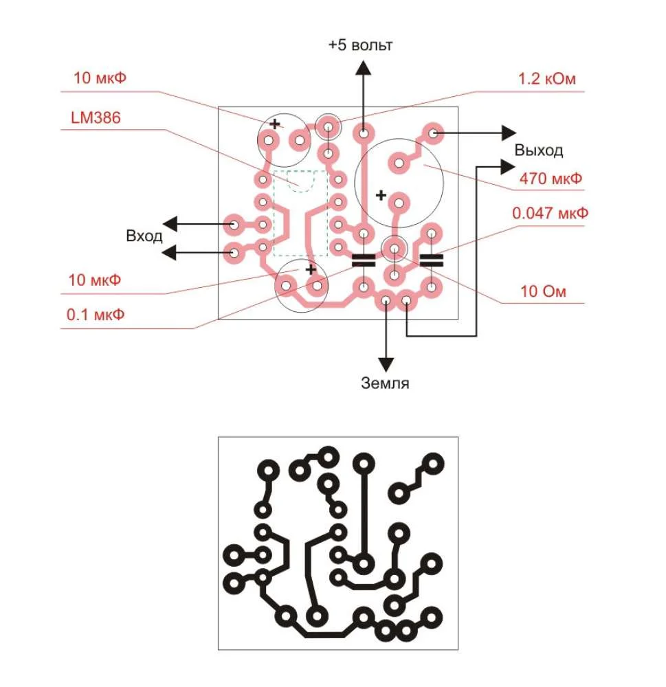
Колонки для телефона Nokia

Регулятор громкости.
 
и куда его сувать??((
 
На входе припаять. На схеме указано.
 
а почему от входа выходит два провода?
 

Вложения

  • LM386-2.webp
    LM386-2.webp
    39.3 KB · Просмотры: 399
может есть книга про уселители?
 
я вот немогу понять чем отличается LM386N-4 от LM386 ??

просто ты мне написал Микросхема LM386N-4 - 2 штуки

а на схеме написана LM386 на второй схеме
 
Выходной мощностью.
LM386 - 700 милливатт, а LM386N-4 - один ватт.
 
LM386 этот делать?
 
Они одинаковы по схеме включения. Но покупать лучше LM386N-4.
 
ну а если покупать LM386N-4 разве к ней вот эта схема: ??
 

Вложения

  • LM386-2.webp
    LM386-2.webp
    39.3 KB · Просмотры: 403
просто там написано LM386
 
Они одинаковы по внешнему виду и схеме подсоединения. Отличаются только выходной мощностью.
 
выход это к динамикам?
 
давай так я щас через паинт попробую от руки нарисовать схему а ты ее проверишь на ошибки . ок?
 
схема ( на стерео)
 
Нет, для стерео надо две таких платы сделать.
 
дк я знаю щас сделаю схемы две
 
Назад
Сверху