• Добро пожаловать на компьютерный форум Tehnari.ru. Здесь разбираемся с проблемами ПК и ноутбуков: Windows, драйверы, «железо», сборка и апгрейд, софт и безопасность. Форум работает много лет, сейчас он переехал на новый движок, но старые темы и аккаунты мы постарались сохранить максимально аккуратно.

    Форум не связан с магазинами и сервисами – мы ничего не продаём и не даём «рекламу под видом совета». Отвечают обычные участники и модераторы, которые следят за порядком и качеством подсказок.

    Если вы у нас впервые, загляните на страницу о форуме и правила – там коротко описано, как задать вопрос так, чтобы быстро получить ответ. Чтобы создавать темы и писать сообщения, сначала зарегистрируйтесь, а затем войдите под своим логином.

    Не знаете, с чего начать? Создайте тему с описанием проблемы – подскажем и при необходимости перенесём её в подходящий раздел.
    Задать вопрос Новые сообщения Как правильно спросить
    Если пришли по старой ссылке со старого Tehnari.ru – вы на нужном месте, просто продолжайте обсуждение.

Корпус усилителя

Капроновых? А они удержат трансформатор? Я бы прикрутил винтами к алюминиевому угольнику, а угольник уже к корпусу.
 
Точно!!! Вообще-то я говорил про металлические хомуты, но ваша идея намного лучше! Спасибо вам огромное!!!
 
Это про угольники?
 
Да, про них
 
А ещё помогает проклейка железа эпоксидной смолой при сборке, но это сделает трансформатор не разборным.
 
Ещё вопрос, хочу на переднюю панель поставить оргстекло с надписью и подсветить его. Чем можно выцарапать надпись и подсветить ее?
 
Ещё вопрос, хочу на переднюю панель поставить оргстекло с надписью и подсветить его. Чем можно выцарапать надпись и подсветить ее?

Это можно сделать гравером или пескоструйным аппаратом.
 
В ручную долго, замучаешься.Есть моторчик с цангом? если есть то им можно(тот же гравер)
 
Светодиоды куда ставить?
 
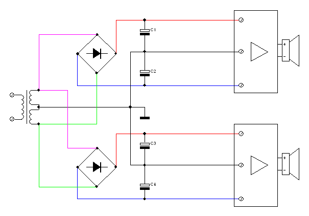
Валерий, а такой источник питания подойдет для двух TDA2030?
 

Вложения

  • 0.GIF
    0.GIF
    6.4 KB · Просмотры: 1,640
Диодный мост можно поставить один.
 
Проверте пожалуйста
 

Вложения

  • 0.GIF
    0.GIF
    6.7 KB · Просмотры: 786
Последнее редактирование:
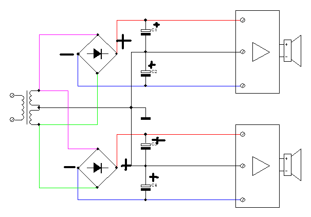
Вот так.
 

Вложения

  • бп.webp
    бп.webp
    14.6 KB · Просмотры: 126
Получается от плюса диодного моста к плюсу конденсатора, и от минуса диодного моста к минусу другого конденсатора?
 
Да, у тебя же именно так и нарисовано, только два диодных моста.
 
Что бы одновременно подключить несколько источников сигнала и коммутировать их. Но если у тебя планируется всего один источник сигнала, то можно обойтись и без коммутатора.
 
Назад
Сверху