• Добро пожаловать на компьютерный форум Tehnari.ru. Здесь разбираемся с проблемами ПК и ноутбуков: Windows, драйверы, «железо», сборка и апгрейд, софт и безопасность. Форум работает много лет, сейчас он переехал на новый движок, но старые темы и аккаунты мы постарались сохранить максимально аккуратно.

    Форум не связан с магазинами и сервисами – мы ничего не продаём и не даём «рекламу под видом совета». Отвечают обычные участники и модераторы, которые следят за порядком и качеством подсказок.

    Если вы у нас впервые, загляните на страницу о проекте, чтобы узнать больше. Чтобы создавать темы и писать сообщения, сначала зарегистрируйтесь, а затем войдите под своим логином.

    Не знаете, с чего начать? Создайте тему с описанием проблемы – подскажем и при необходимости перенесём её в подходящий раздел.
    Задать вопрос Новые сообщения Как правильно спросить
    Если пришли по ссылке со старого Tehnari.ru – вы на нужном месте, просто продолжайте обсуждение.

"Кумир У-001", вопросы

  • Автор темы Автор темы PiNcHeR
  • Дата начала Дата начала
между собой закорочен? я мультиметр цифровой возьму и настрою. Спасибо! А на счет темброблока что скажете?
 
Закорочен на землю, но это по сути одно и то же, ведь у входа один сигнальный провод а второй - земля!

а зачем закорачивают? просто для общего развития вопрос
 

Вложения

  • p0040.bmp
    p0040.bmp
    205.7 KB · Просмотры: 525
в темброблоке я так понимаю КТ3102 вылетели. Может первый, на который питание первым подается? схемка полная ниже
 

Вложения

Там всё что угодно может вылететь! Или просто съехать с режима. Сплошная головоломка! Брось ты эту затею с ремонтом. За это время уже можно было собрать трёхполосный регулятор тембра, для твоего Кумира, который по параметрам будет лучше родного. Причём всего на двух ОУ. Все условия для этого есть. Но если, конечно, для тебя это принципиальный вопрос, то тогда я тебе желаю творческих успехов.
 
не, ну я бы с радостью и трехполосный собрал. только нужно (желательно) чтоб остались кнопки которые привязаны к темброблоку. За схему буду благодарен)
 
перепроверил вроде бы селектор входов (корректирующий усилитель), схожу куплю паяльник и подключу его
 
Паяльник обязательно нужно подключить. А то холодным паяльником, пайка получается не очень хорошо.
ахах) та паяльник перегорел! и месяц не послужил, хотя Харьков, ГОСТ написано) китайские пистолеты за полтинник годами работают, только жало поменять
 
не купил паяльник. дешевый не возьму опять, а на дорогой чуть-чуть нехватило. в четверг куплю) сейчас остается вопрос по темброблоку: трехполосный, с тонкомпенсацией и фильтром 50Гц. У кого какие схемки есть, буду благодарен
 
вот что у меня есть на данный момент) какие у кого идеи насчет темброблока?
 

Вложения

  • PICT0006.webp
    PICT0006.webp
    202.3 KB · Просмотры: 3,417
Майка , та что висит на стуле, красивая, а вот те останки, которые присутствуют тоже на стуле, ну которые похожи на взорвавшийся ядерный реактор в Чернобыле, вот они как то не очень.
 

Вложения

Майка , та что висит на стуле, красивая, а вот те останки, которые присутствуют тоже на стуле, ну которые похожи на взорвавшийся ядерный реактор в Чернобыле, вот они как то не очень.

Ахах, Вы из-за проводов? я уже провода развел нормально, укоротил и сплел косичками. позднее будут фотки всего готового и собранного.
 
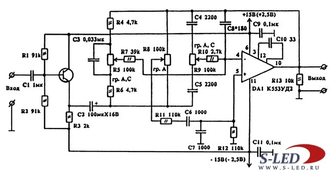
LM 1036 - это двухполосный регулятор тембра , а нам нужен трёхполосный. Иначе в передней панели будет лишняя дырка ( смотрится как выбитый зуб ). Мы же не хотим, что бы как выбитый зуб? Мы же хотим , чтоб улыбка как Голливуде! По этому будем делать трёхполосный регулятор тембра, с балансом и громкостью. Даю варианты схем :
 

Вложения

  • 01.webp
    01.webp
    15.2 KB · Просмотры: 705
  • Трёхполосный 2.webp
    Трёхполосный 2.webp
    15.1 KB · Просмотры: 4,034
  • Трёхполосный.1.webp
    Трёхполосный.1.webp
    53.4 KB · Просмотры: 2,237
  • Трёхполосный.webp
    Трёхполосный.webp
    26 KB · Просмотры: 5,688
мне третяя понравилась. только нет тонкомпенсации и кнопки фильтра 50гц. а еще там есть кнопка "лин\ачх" что она делает? ее тоже нужно бы оставить
 
Назад
Сверху