• Добро пожаловать на компьютерный форум Tehnari.ru. Здесь разбираемся с проблемами ПК и ноутбуков: Windows, драйверы, «железо», сборка и апгрейд, софт и безопасность. Форум работает много лет, сейчас он переехал на новый движок, но старые темы и аккаунты мы постарались сохранить максимально аккуратно.

    Форум не связан с магазинами и сервисами – мы ничего не продаём и не даём «рекламу под видом совета». Отвечают обычные участники и модераторы, которые следят за порядком и качеством подсказок.

    Если вы у нас впервые, загляните на страницу о форуме и правила – там коротко описано, как задать вопрос так, чтобы быстро получить ответ. Чтобы создавать темы и писать сообщения, сначала зарегистрируйтесь, а затем войдите под своим логином.

    Не знаете, с чего начать? Создайте тему с описанием проблемы – подскажем и при необходимости перенесём её в подходящий раздел.
    Задать вопрос Новые сообщения Как правильно спросить
    Если пришли по старой ссылке со старого Tehnari.ru – вы на нужном месте, просто продолжайте обсуждение.

"Кумир У-001", вопросы

  • Автор темы Автор темы PiNcHeR
  • Дата начала Дата начала
вроде бы на выходе ноль. но перегрузка все равно еле-еле светится. оба канала, когда один не подключен. может потому, что я диодики поменял на яркие синие?
 
вроде бы на выходе ноль. но перегрузка все равно еле-еле светится. оба канала, когда один не подключен. может потому, что я диодики поменял на яркие синие?
Может быть! Но не уверен! А в блоке индикации электролиты меняли?
 
Намучаешься ты с этим Кумиром! Там ремонтировать, что либо, себе дороже. Я пошёл другим путём. Получилось и быстрей и лучше!
Миниатюры
* *
Я смотрю, у вас Агеев в бездиодном варианте? Схемкой не поделитесь?
 
естественно) там один тот самый неполярный) весь рынок оббегал за ним
 
естественно) там один тот самый неполярный) весь рынок оббегал за ним
Ну попробуй отключи блок индикации от УМ, и посмотриш, если так и будет гореть, то дело в индикации!
 
второй УМ подключил, норм, на выходах нащупал полный НОЛЬ. ничего не искрит и не взрывется
 
там много проводов. я попробую отпаять выход прямо с УМ
 
все равно светятся еле-еле. я верну старые наверное, или такие же красные найду. попросили оставить прежний вид0
 
все равно светятся еле-еле. я верну старые наверное, или такие же красные найду. попросили оставить прежний вид0
Ну как вариант, можно подобрать резистор, и через него включить светодиод!
 
один проверил, поет нормально, но не душевно(не так, как моя радиотехника). когда на входе ничего не подключено - фона неслышно. когда штекер вставлен в комп, а плеер выключен - такое зудение слышно "ззззззз" , но думаю из-за того что провода все "висят"
 
я провода "=35в" и "-35в" скрутил друг с другом, правильно? (пожже скину фотки)
 
когда на входе ничего не подключено - фона неслышно. когда штекер вставлен в комп, а плеер выключен - такое зудение слышно "ззззззз" , но думаю из-за того что провода все "висят"
У меня обычно наоборот! Когда вход висит в воздухе, есть маленький фон, а когда втыкаю в ноут или телефон - полная тишина!
 
в УМ есть два подстроечных резистора, какой отвечает за ток покоя и как его настроить? (вобще я пока пленку на вход не поставил, сейчас всех разбужу поисками))
 
я купил классный экранированый провод на вход (по 6грн\метр). как сделаю разводку, так и Фона не будет
 
скину, для поттверждения действий)))
 
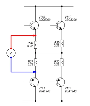
какой отвечает за ток покоя и как его настроить?
Ток покоя выставляеться подстроечником R22, Ток покоя можно узнать, измерив падение напряжения на паре эмиттерных резисторов,
в твоем случае R47, R48. мультиметр установить на предел 200мВ, щупы – на эмиттеры Cоответсвенно, Iпок = Uv/(R47+R48).
Далее ПЛАВНО, без рывков крутим подстроечник и смотрим на показания мультиметра.
Только вот какое значение тока покоя для этого усилителя надо, я не знаю!
Как пример для ланзара так: Требуется установить 70-100мА. Для указанных на рисунке номиналов резисторов это
эквивалентно показанию мультиметра (30-44) мВ
Пересчитай под свои резисторы, и гдето также сделай 70-100 мА
 

Вложения

  • ток покоя.webp
    ток покоя.webp
    6.6 KB · Просмотры: 806
спасибо,я чуть позже настрою, когда пленку на вход подберу. я сейчас просмотрел селектор входов, перекл. записи и т.д. (всю обвязку) питается от 35 вольт. попробую подключить, работает ли, искажает ли звук и т.д. хочу проверить. Вопрос теперь по ремонту темброблока) сломался так: давал сигналы в колонки типа "пук-пук-пук" и лампочка "сеть" моргала в такт этому пуканию (я сам не видел, мне рассказали), его сдали в ремонт, поработал он потом tit месяц и опять то же. я поменял все электролиты в тембре, включил - " сеть" загорелась и потухла. Все тембр мертв1 где копать нужно? транзисторы вылетели я так понимаю?
 
Да! забыл главное! при выставлении тока покоя, вход УМ должен бить закорочен!
С твоими резисторами, для тока 70-100мА Напряжение на эмитерах должно быти 28-40мВ
 
Назад
Сверху