- Регистрация
- 15 Апр 2015
- Сообщения
- 2,485
- Реакции
- 41
- Баллы
- 0
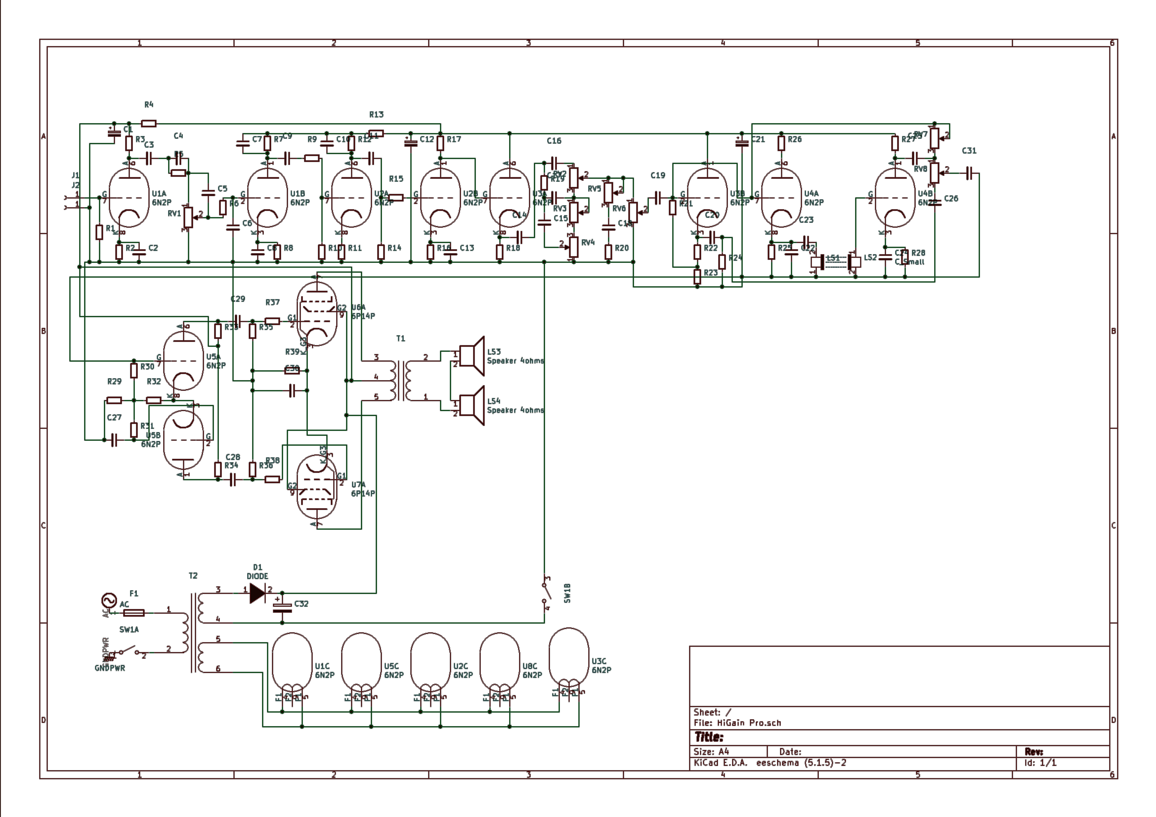
Когда я был юным , то так не делали. Но сейчас 21 век и это повторитель для согласования со входом темброблока, вполне рабочий момент.И там же (в кружке) отсутствует резистор от сетки на землю. И отвод идет от катода, а е от анода через разд. конденстатор.
Настоятельно советую найти рядом опытного спеца, желательно малопьющего. Для быстрого накопления базовых знаний и минимальной практики, а дальше, будет проще...
