• Добро пожаловать на компьютерный форум Tehnari.ru. Здесь разбираемся с проблемами ПК и ноутбуков: Windows, драйверы, «железо», сборка и апгрейд, софт и безопасность. Форум работает много лет, сейчас он переехал на новый движок, но старые темы и аккаунты мы постарались сохранить максимально аккуратно.

    Форум не связан с магазинами и сервисами – мы ничего не продаём и не даём «рекламу под видом совета». Отвечают обычные участники и модераторы, которые следят за порядком и качеством подсказок.

    Если вы у нас впервые, загляните на страницу о проекте, чтобы узнать больше. Чтобы создавать темы и писать сообщения, сначала зарегистрируйтесь, а затем войдите под своим логином.

    Не знаете, с чего начать? Создайте тему с описанием проблемы – подскажем и при необходимости перенесём её в подходящий раздел.
    Задать вопрос Новые сообщения Как правильно спросить
    Если пришли по ссылке со старого Tehnari.ru – вы на нужном месте, просто продолжайте обсуждение.

"ЛАНЗАР" - высококачественный усилитель

  • Автор темы Автор темы DTS
  • Дата начала Дата начала
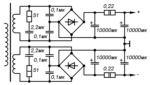
Если раздельные вторичные обмотки (большой бонус) сделайте, как изображено на рисунке. Получите в дальнейшем больше плюсов.
 

Вложения

  • BP.GIF
    BP.GIF
    7.9 KB · Просмотры: 2,899
Все, нашел уже общий провод, зачем минус? я просто соединил как сказал DTS все нормально выдает 60В переменки.
 
Сколько за трансик отдал?
 
1990 + доставка 300 рублей...
 
ух тыж нутыж вот это сумма. адуреть можно.
 
Если раздельные вторичные обмотки (большой бонус) сделайте, как изображено на рисунке. Получите в дальнейшем больше плюсов.

и чем же лучше две обмотки? растолкуйте подалуйста
 
по мне дак это оч много, я буду транс брать ТС-250-2М за 250р + пересыл 250, чутка перемотать вторичку и вот вам транс для двух ланзаров на +-50в
ну и куда тебе 270вт? 100-150(НОЭМА 100гдн) вт для дома вполне. Тороидальные трансформаторы намного лучше...вот и цена высокая.
 
ну и куда тебе 270вт? 100-150(НОЭМА 100гдн) вт для дома вполне. Тороидальные трансформаторы намного лучше...вот и цена высокая.

вот непойму, 30 ватт для дома - вполне :) куда такие мощностя? (Хотя сам любитель громкой музыки)
 
вот непойму, 30 ватт для дома - вполне :) куда такие мощностя? (Хотя сам любитель громкой музыки)
Да нет, реально 30вт (для саба) на самом деле маловато, глубокого баса уже не получить, у меня щас 75гдн фи стоит - хватает с головой - с ланзаром вообще сказочно звучит 80вт держит спокойно, для сравнения на тда7294 75гдн при 40-50 вт реально разрывало на куски . - Вот только с фильтром проблемы :( никак питание подать не могу.
 
Какой фильтр? А поставить отдельный маленький трансик?
 
Какой фильтр? А поставить отдельный маленький трансик?
фильтр вот, уже давно собран http://www.tehnari.ru/f114/t58657/ но со стабилизатором который в теме у меня вообще не стыковка ( проблемы вообщем с ним. Есть у меня небольшой транс с двухполярным питанием +-13.6в после выпрямителя +-18в.....для фильтра многовато будет.
 
Назад
Сверху