• Добро пожаловать на компьютерный форум Tehnari.ru. Здесь разбираемся с проблемами ПК и ноутбуков: Windows, драйверы, «железо», сборка и апгрейд, софт и безопасность. Форум работает много лет, сейчас он переехал на новый движок, но старые темы и аккаунты мы постарались сохранить максимально аккуратно.

    Форум не связан с магазинами и сервисами – мы ничего не продаём и не даём «рекламу под видом совета». Отвечают обычные участники и модераторы, которые следят за порядком и качеством подсказок.

    Если вы у нас впервые, загляните на страницу о форуме и правила – там коротко описано, как задать вопрос так, чтобы быстро получить ответ. Чтобы создавать темы и писать сообщения, сначала зарегистрируйтесь, а затем войдите под своим логином.

    Не знаете, с чего начать? Создайте тему с описанием проблемы – подскажем и при необходимости перенесём её в подходящий раздел.
    Задать вопрос Новые сообщения Как правильно спросить
    Если пришли по старой ссылке со старого Tehnari.ru – вы на нужном месте, просто продолжайте обсуждение.

"ЛАНЗАР" - высококачественный усилитель

  • Автор темы Автор темы DTS
  • Дата начала Дата начала
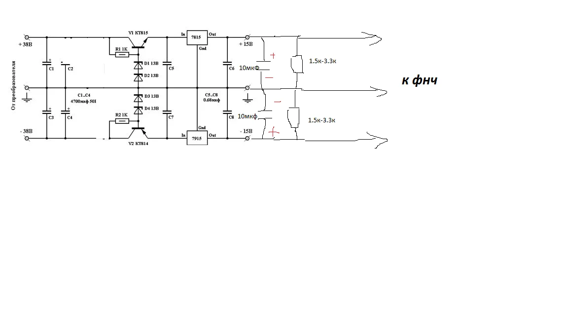
Дима, если после кренок поставить конденсатор и нагрузить резистором 1.5-3.3к,то напряжение приходит в норму, чаще такое происходит с 7915.
а вообще разброс не критичен, работать будет без проблем и с таким перекосом.
 
Дима, если после кренок поставить конденсатор и нагрузить резистором 1.5-3.3к,то напряжение приходит в норму, чаще такое происходит с 7915.
а вообще разброс не критичен, работать будет без проблем и с таким перекосом.

а какие поставить конденсаторы, я так понял на каждое плечо, какой их номинал? и как тогда подключить резисторы нарисуй продолжение к стандартной сжеме, и потом уже измерять напряжение?:tehnari_ru_837:

вообще мой первый такой преобразователь меня мучиться не заставил, все и так ровно работало.
 
Для ФНЧ напряжение питания не критично, будет и при +-12В работать как положено. Не стоит заморачиваться по этому поводу.
 
:tehnari_ru_837:DTS откликнись
 
10мкф*25(можно больше)в, на выход стабилизатора, резисторы 1.5к-3.3к параллельно конденсатору, считай нагружаем кренку на ваыходе.

так получается ?
 

Вложения

  • фне.webp
    фне.webp
    17.5 KB · Просмотры: 1,069
К чему такой баян? Можно проще и эффектнее
 

Вложения

  • питание оу.webp
    питание оу.webp
    111 KB · Просмотры: 1,449
всё ничего не охота, пойду спать жду ответа DTS
 

Вложения

  • DSC_0009.webp
    DSC_0009.webp
    94 KB · Просмотры: 304
жди жди,Раз предложенный стаб не угодил.
 
Дима, если после кренок поставить конденсатор и нагрузить резистором 1.5-3.3к,то напряжение приходит в норму, чаще такое происходит с 7915.
а вообще разброс не критичен, работать будет без проблем и с таким перекосом.

аааааа и правда что сделал как ты сказал стало -14.8 +14.8:dog:
но только у меня питание идет +40 -40 вот и стабилитрону греются, что с этим сделать? и думаю то что когда сам ФНЧ подключу тогда нагрузочные резисторы можно снять будет так же?
 
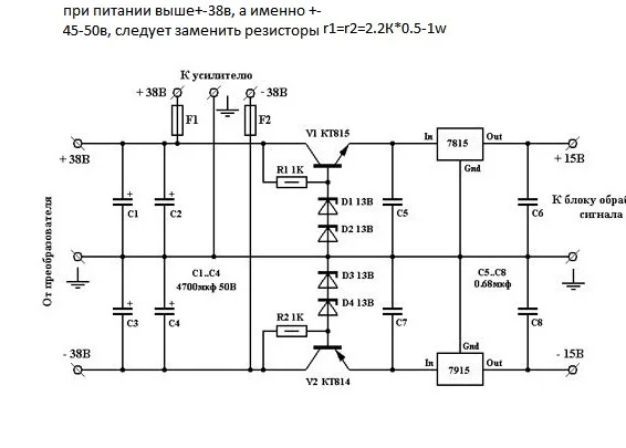
сам преобразователь мой выдает при 12 Вольтах +40.8 -40.8, после преобразователя для ФНЧ у меня выходит +14.8 -14.8 но стабилитроны нагреваются при нагрузке 2.4 кОм в плечо, может нужно изменить сопротивления транзисторов?
 
Нужно резисторы токозадающие увеличить.Ток через стабилитроны приведи к нормальному значению.5-15ма всего надо то.Это ваши резисторы по 1килоому.Для начала нужно определить ток через стабилитроны.Вольтметром измерить падение напряжения на токозадающем резисторе иполученный результат разделить на сопротивление резистора.Просто же все.
 
М.В.-опередили :)
2-Дима
всё нужно ставить на маленький радиатор,через изолирующие прокладки
 

Вложения

  • amp138-8.webp
    amp138-8.webp
    19.3 KB · Просмотры: 757
  • amp146-12.webp
    amp146-12.webp
    9.8 KB · Просмотры: 243
прикинул.что резисторы должны быть по 1,8-2,2ком при +/-40вольтах
 
спасибо парни, с работы приеду, тогда попробую поставить) по памяти помню ближайший номинал который у меня есть 2.4 кОм, ну и 2.2 найду это не такая проблема. На счет радиатора, когда собирал первый свой фнч и питание для него, ничего не грелось, резисторы поменяю, а там посмотрим.tehno030
 
Потихоньку процесс идет! решил сделать чтоб детали лежали, монтировать привычнее!
 

Вложения

  • DSC_0010.webp
    DSC_0010.webp
    47.4 KB · Просмотры: 606
Потихоньку процесс идет! решил сделать чтоб детали лежали, монтировать привычнее!
Я вот смотрю и удивляюсь,как вы припаивали без радиатора?это не хорошо очень.Да и теперь как его засунуть.Ойййй
 
так как, я ланзара собираю только для сабвуфера, значит фнч подключать на вход усилителя без входных конденсаторов усилителя, как я изобразил на рисунке, верно мысли идут? tehno015 Спасибо.
 

Вложения

  • лаза.webp
    лаза.webp
    25.4 KB · Просмотры: 502
нет,конденсатор всё равно нужен, он отделяет постоянную составляющую( в случае если она есть), так что не зря его называют *РАЗДЕЛИТЕЛЬНЫЙ* ,он как презерватив, лучше когда он есть в запасе, чем нету когда нужен :)
 
Назад
Сверху