• Добро пожаловать на компьютерный форум Tehnari.ru. Здесь разбираемся с проблемами ПК и ноутбуков: Windows, драйверы, «железо», сборка и апгрейд, софт и безопасность. Форум работает много лет, сейчас он переехал на новый движок, но старые темы и аккаунты мы постарались сохранить максимально аккуратно.

    Форум не связан с магазинами и сервисами – мы ничего не продаём и не даём «рекламу под видом совета». Отвечают обычные участники и модераторы, которые следят за порядком и качеством подсказок.

    Если вы у нас впервые, загляните на страницу о форуме и правила – там коротко описано, как задать вопрос так, чтобы быстро получить ответ. Чтобы создавать темы и писать сообщения, сначала зарегистрируйтесь, а затем войдите под своим логином.

    Не знаете, с чего начать? Создайте тему с описанием проблемы – подскажем и при необходимости перенесём её в подходящий раздел.
    Задать вопрос Новые сообщения Как правильно спросить
    Если пришли по старой ссылке со старого Tehnari.ru – вы на нужном месте, просто продолжайте обсуждение.

Многополосный усилитель

  • Автор темы Автор темы SHREK-2
  • Дата начала Дата начала
Всё устраивает! Двухсторонний текстолит есть, латунь (медные жилы от кабелей разного сечения) на шины питания есть. Желательно с выводными деталями, SMD не паял.
Буду ждать с нетерпением!
 
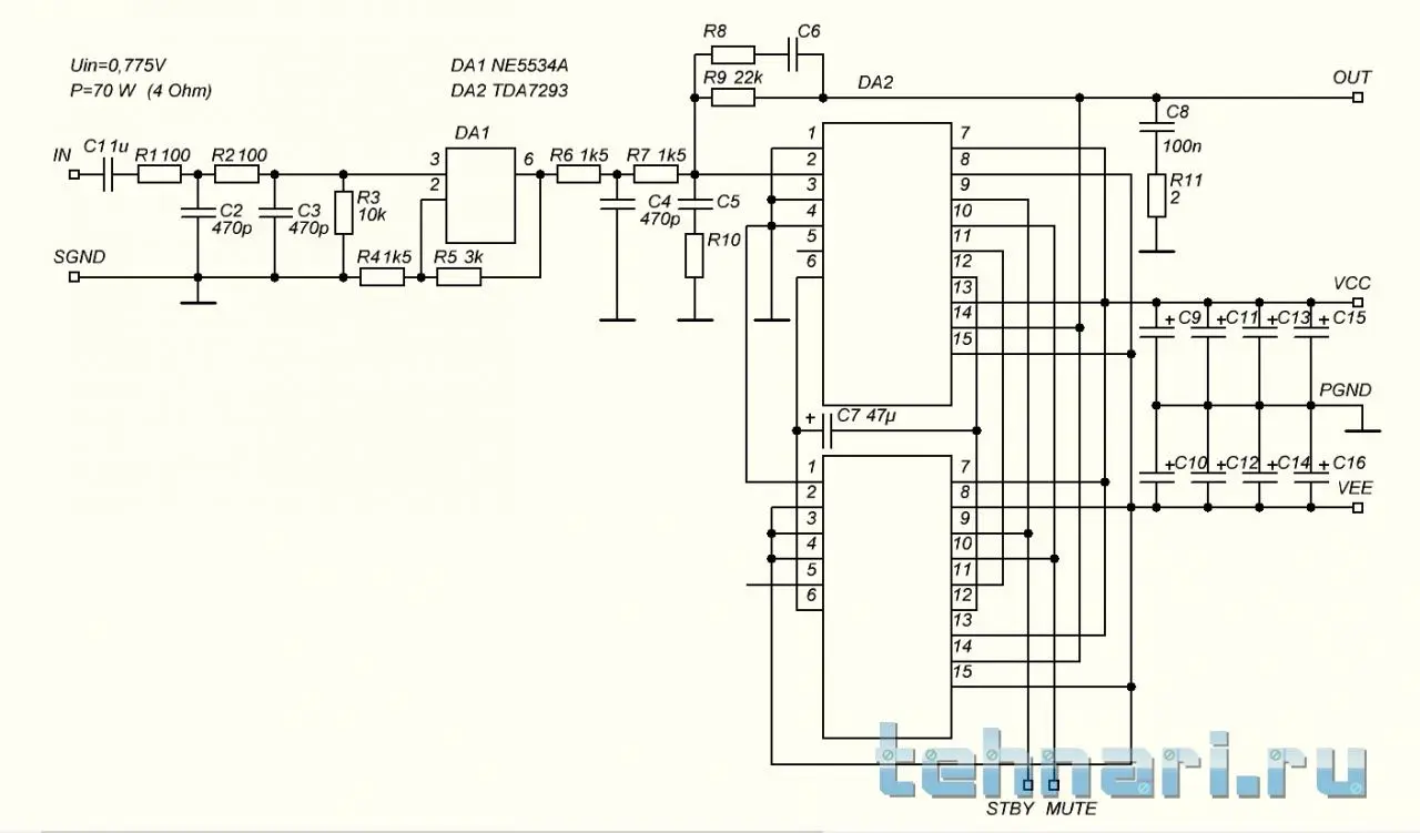
Накидал скелет схемы, номиналы из ряда Е24 (оцените возможность приобретения). На днях промоделирую цепь обратной связи.
 

Вложения

  • TDA7293M.webp
    TDA7293M.webp
    31.7 KB · Просмотры: 235
STBY и MUTE, как отдельный функционал усилителя, полагаю, не нужен, достаточно стандартной RC цепи задержки подключения.
 
Меня за такое запараллеливание подвергли обструкции на веге и хоботе
 
А обструкция-то, хотя-бы, была конструктивной? Реальное решение какое-нибудь для этой ситуации, хотя-бы, предложили? Или как у них обычно принято?
 
STBY и MUTE, как отдельный функционал усилителя, полагаю, не нужен, достаточно стандартной RC цепи задержки подключения.
Не самый важный момент на который сейчас нужно обращать внимание - вытащить с платы, а там хоть руками, хоть МК...
Меня за такое запараллеливание подвергли обструкции на веге и хоботе
Максим, можно подробнее, в чём причина недовольства?
 
Не самый важный момент на который сейчас нужно обращать внимание - вытащить с платы, а там хоть руками, хоть МК...

Максим, можно подробнее, в чём причина недовольства?

да я предложил человеку на скорую для проверки прироста качества запараллелить не5532 как логику прямо на ножки корпус на корпус . чтобы не ложить сопли времянки и не портить зря плату раньше времени . для оценки потенциала такой способ бы подошел . тогда и можно было мудрить. ан нет ,нашлись знатоки и развонялись. в результате так все и заболтали.
 
запараллелить не5532 как логику прямо на ножки корпус на корпус
Так действительно делать нельзя. Из-за различий напряжений смещения и входных токов ОУ, даже выполненных на одном кристалле, каждому из них необходима своя цепь ОС, тк они работают в линейном режиме, в отличии от логики, работающей в ключевом.
В данном же случае используется декларируемая разработчиком возможность объединения выходных буферов, его схематическая схема дана на четвёртом рисунке в даташите, где по всей видимости предприняты меры для корректного подобного соединения.
 
да я знаю. но для оценки потенциала на скорую можно прикинуть. а потом нормально сделать.за полминуты деградации не случилось бы в самом неблагоприятном случае
 
Вот, читал когда-то о параллельном режиме работы 7293, вспомнил и нашёл
 

Вложения

  • IMG_20190523_095523.webp
    IMG_20190523_095523.webp
    27.4 KB · Просмотры: 202
  • IMG_20190523_095610.webp
    IMG_20190523_095610.webp
    13.1 KB · Просмотры: 164
  • IMG_20190523_095648.webp
    IMG_20190523_095648.webp
    29.6 KB · Просмотры: 184
  • IMG_20190523_095840.webp
    IMG_20190523_095840.webp
    80.5 KB · Просмотры: 180
Признаюсь, был несколько озадачен прочитанным.
Доработал схему, с учётом высказанных мнений на просторах интернета собиравших схему в данном включении микросхем.
Хотя у меня однозначного мнения на сегодняшний момент времени нет, а проводить НИОКР возможности нет.
Чуть позже представлю схему соединений, пока можно с уверенность сказать, что защита АС будет размещена на плате общего фильтра питания и применено два реле с двумя группами контактов.
 

Вложения

  • TDA7293_2.webp
    TDA7293_2.webp
    39.6 KB · Просмотры: 252
Доброе утро!
..."два реле с двумя группами контактов"... это для одного канала?
Имеются такие: RSB 2A080BD НА 24 Вольта. Ещё есть SRD-24VDC-SL-C.
 
реле защиты контакты последовательно включаются
 
Всем добрый день!
Надыбал другие LM1875. По описаниям и размерам даташита, вроде-бы, всё сходится. Гляньте, пожалуйста, кому не лень на предмет фэйкиа.
 

Вложения

  • 1875.webp
    1875.webp
    20.4 KB · Просмотры: 165
  • 1875 бок.webp
    1875 бок.webp
    8 KB · Просмотры: 178
А чего на них смотреть? Если рабочие - будут работать, это древние как мир микробы, их не подделывают а открыто выпускают сотни производителей )
 
Обманулся-же раз на фэйке, о чём писал ранее, вот и искал оригинал. Фэйк тоже работает но при меньшей неискажённой мощности на выходе, а сравнить с оригиналом - и есть одна из целей.
 
Назад
Сверху