• Добро пожаловать на компьютерный форум Tehnari.ru. Здесь разбираемся с проблемами ПК и ноутбуков: Windows, драйверы, «железо», сборка и апгрейд, софт и безопасность. Форум работает много лет, сейчас он переехал на новый движок, но старые темы и аккаунты мы постарались сохранить максимально аккуратно.

    Форум не связан с магазинами и сервисами – мы ничего не продаём и не даём «рекламу под видом совета». Отвечают обычные участники и модераторы, которые следят за порядком и качеством подсказок.

    Если вы у нас впервые, загляните на страницу о проекте, чтобы узнать больше. Чтобы создавать темы и писать сообщения, сначала зарегистрируйтесь, а затем войдите под своим логином.

    Не знаете, с чего начать? Создайте тему с описанием проблемы – подскажем и при необходимости перенесём её в подходящий раздел.
    Задать вопрос Новые сообщения Как правильно спросить
    Если пришли по ссылке со старого Tehnari.ru – вы на нужном месте, просто продолжайте обсуждение.

Нужен усилитель

  • Автор темы Автор темы xFOXpp
  • Дата начала Дата начала
яросвал ты хоть раз собирал на этой МС усилитель???
 

Очень интересно как это мощность усилителя измерять динамиком? Расскажи! Поделись! Я предполагаю что метод измерения мощности УНЧ динамиком таков: играет 50ватт, не играет-100ватт:))
 
нет....

делал под 25йГДН на полную и как он орет на мс.....
а в сравнение был родной усь на транзюках......
 
У меня полочники электроника 20Ас (25гдн в роли НЧ звена) от усилителя в 5 ватт играют так же громко как и от тда2050. Но к тдашке подведено максимально допустимое напряжение в 24 вольта. и после этого я же не утверждаю что первый усилитель в 20 ватт мощи:)
 
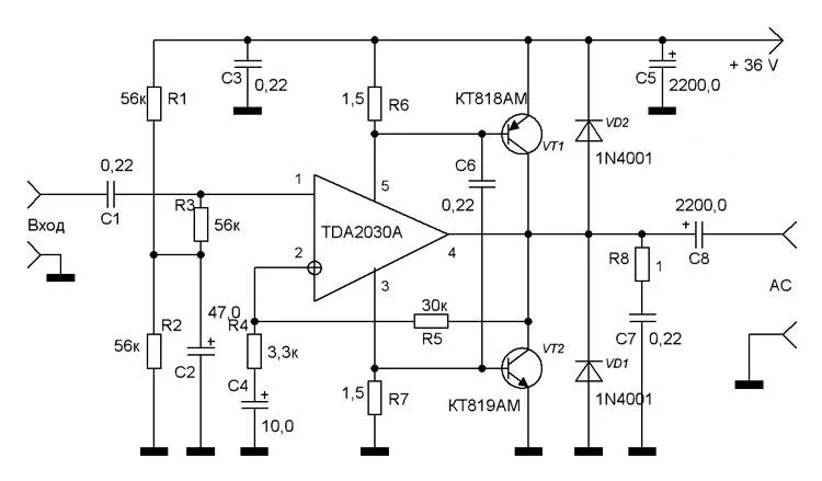
Вот неплохая схема. Работает отлично. Стоит недорого. Собирается за один вечер и не требует настроек.
 

Вложения

  • amp_TDA2030_tranz.webp
    amp_TDA2030_tranz.webp
    22.3 KB · Просмотры: 6,269
Вот неплохая схема. Работает отлично. Стоит недорого. Собирается за один вечер и не требует настроек.

а какой в ней смысл,если тда2050 уже давно выпускают:tehnari_ru_860:
всё по питанию там хватает микросхемка в классе АВ трудится,и 25-30ватт она отдаст при питании от трансформатора 20-30ватт.
так что чем спорить о *прокисших щах* возьмите тестер и померяйте потребление микросхемы от трансформатора(мерять до конденсаторов или клещами по переменке),будете приятно удивлены:tehnari_ru_860:
 
Да много чего на белом свете выпускают! Здесь, просто, предлагаются разные варианты усилителей. На 2030 - тоже, как вариант! 2050 мне тоже импонирует. Я рад, что и вам она очень нравится.
 
2050 решено. Тему ап. Хлор железа не привезли. Роспаял все что можно. Вечерами делать нечего.
 
ВСе тему ап!
 
Назад
Сверху