• Добро пожаловать на компьютерный форум Tehnari.ru. Здесь разбираемся с проблемами ПК и ноутбуков: Windows, драйверы, «железо», сборка и апгрейд, софт и безопасность. Форум работает много лет, сейчас он переехал на новый движок, но старые темы и аккаунты мы постарались сохранить максимально аккуратно.

    Форум не связан с магазинами и сервисами – мы ничего не продаём и не даём «рекламу под видом совета». Отвечают обычные участники и модераторы, которые следят за порядком и качеством подсказок.

    Если вы у нас впервые, загляните на страницу о форуме и правила – там коротко описано, как задать вопрос так, чтобы быстро получить ответ. Чтобы создавать темы и писать сообщения, сначала зарегистрируйтесь, а затем войдите под своим логином.

    Не знаете, с чего начать? Создайте тему с описанием проблемы – подскажем и при необходимости перенесём её в подходящий раздел.
    Задать вопрос Новые сообщения Как правильно спросить
    Если пришли по старой ссылке со старого Tehnari.ru – вы на нужном месте, просто продолжайте обсуждение.

Очень простые часы на микроконтроллере

Микроконтроллер и кварц подходят, а для индикатора надо перерисовывать плату. И для этого индикатора больше подходит схема с термометрами.

Для начала лучше часы сделаю.
Можете ли вы подкинуть схему с термометрами для ознакомления.
 

Вложения

  • Gromov.webp
    Gromov.webp
    14 KB · Просмотры: 460
Добрый день!
Валерий, собрал данные часики с таким вот индикатором KEM-5641-ASR, все бы было отлично но есть маленькая проблемка, все четыре разделительные точки горят... Подскажите пожалуйста возможно у Вас есть программное решение данной проблемы, не хотелось бы покупать другой индикатор так как под этот корпус готов...
Заранее спасибо !
 
Добрый день!
Валерий, собрал данные часики с таким вот индикатором KEM-5641-ASR, все бы было отлично но есть маленькая проблемка, все четыре разделительные точки горят... Подскажите пожалуйста возможно у Вас есть программное решение данной проблемы, не хотелось бы покупать другой индикатор так как под этот корпус готов...
Заранее спасибо !

Я хоть и не Валера :) но думаю если индикаторы стоят за стеклом и не видно ничего кроме того что они будут светиться не проще закрасить точки?
 
Да, проще закрасить. Или переписывать всю программу.
 
доброго времени суток
у меня проблема
надеюсь что не покажусь смешным
собрал данную схему часиков без платы и прошил как было написано
использовал микроконтроллер atmega8l 8pu
в целом проблема такая после прошивки у меня все сектора мерцают
прошил программатором который сам собрал LPT 5 проводков для ленивых ))
хекс заливал через codevisionAVR
подскажите где напортачил??
 
когдя я прошивал LPT программатором я пользовался uniprof
подтяжку к ножке ресет убрал когда прошивал? потом поставил?
 
некоторые сегменты горят некоторые мерцают на всех dig1-4
при нажатии кнопок часы минуты данное свечение меняется но мерцать начинают другие.
 

Вложения

  • 00000.webp
    00000.webp
    13.9 KB · Просмотры: 809
вот они не загрузились с тем сообщением
 

Вложения

  • 000001.webp
    000001.webp
    21.8 KB · Просмотры: 4,136
  • 000002.webp
    000002.webp
    38.3 KB · Просмотры: 36,269
Надо еще в прошивке предусмотреть гашение незначащего нуля.
 
воспользовался этими схемами
по этим схемам все правильно, должно было прошиться, выкладывай фотки программатора и фотки монтажа часов в более хорошем качестве
 
некоторые сегменты горят некоторые мерцают на всех dig1-4
при нажатии кнопок часы минуты данное свечение меняется но мерцать начинают другие.
Похоже на плохой контакт или ошибки в монтаже.
 
пять минут и я все скину
только что пересадил все на монтажную плату результат тот же
 
а по поводу программатора я думаю если бы я что то не так собрал он бы у меня процесс заливки кода не показал и фюзы я бы не прочитал с него
 
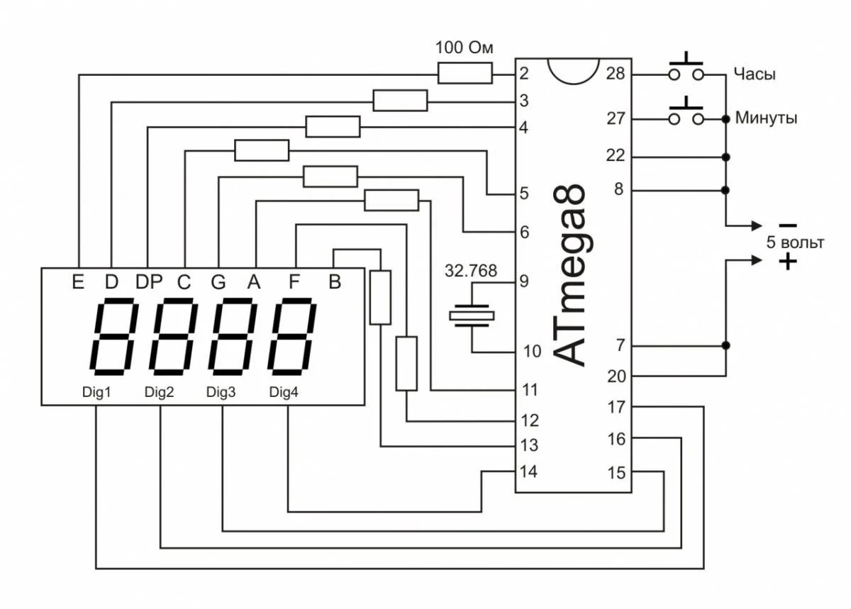
Прислали мне тут намедни схемку часов с просьбой проверить их работоспособность. Схема крайне простая и именно этим она меня заинтересовала.

Посмотреть вложение 60045

Как видно из схемы, в этой конструкции всего несколько деталей, однако меня смутило то, что питание на микроконтроллер подаётся через резистор. Скорее всего это было сделано для того, чтобы сэкономить на резисторах в цепях анода индикатора и тем самым понизить ток индикатора до приемлемого уровня.
Для сборки потребуется микроконтроллер ATmega8, кварц с частотой 32.768 Герц, резистор 100 Ом, и любой индикатор с общим катодом. Ну и пара кнопок для установки времени.
Для начала я собрал часы по оригинальной схеме.

Посмотреть вложение 60040 Посмотреть вложение 60041

Вот что получилось.

Посмотреть вложение 60035 Посмотреть вложение 60036 Посмотреть вложение 60037

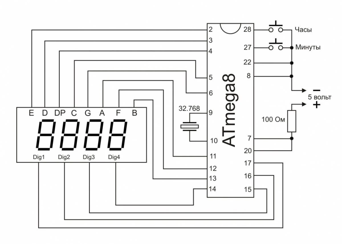
Как я и предполагал, яркость индикатора неравномерная и явно недостаточная. Всё дело в том, что потребляемый ток получается плавающим из-за разного количества включённых одномоментно сегментов индикатора, которые в этом случае подключаются параллельно. К примеру восьмёрка светится очень тускло, а единица - ярко. На мой взгляд, крайне неправильно ограничивать ток таким образом, чтобы исправить эту ошибку я немного изменил схему.

Посмотреть вложение 60046

Несколько поменялся и рисунок платы.

Посмотреть вложение 60042 Посмотреть вложение 60043

Я не стал делать новую плату, а просто перерезал дорожки и впаял резисторы по 150 Ом, а резистор заменил перемычкой.

Посмотреть вложение 60038

Вот теперь яркость стала намного больше и индикатор светится равномерно.

Посмотреть вложение 60039

Тут можно посмотреть фьюзы и прошивку микроконтроллера.

Посмотреть вложение 60047

Посмотреть вложение 60044

Такая конструкция вполне может найти применение во многих самоделках, особенно в тех случаях, когда хочется дополнить переднюю панель своего устройства часами.

Валерий, здравствуйте! Меня заинтересовали эти часы, но меня мучает вопрос: после сборки чем, или как их прошить??? Прошивки видел всегда, а чем так и не смог найти...
 
Назад
Сверху