• Добро пожаловать на компьютерный форум Tehnari.ru. Здесь разбираемся с проблемами ПК и ноутбуков: Windows, драйверы, «железо», сборка и апгрейд, софт и безопасность. Форум работает много лет, сейчас он переехал на новый движок, но старые темы и аккаунты мы постарались сохранить максимально аккуратно.

    Форум не связан с магазинами и сервисами – мы ничего не продаём и не даём «рекламу под видом совета». Отвечают обычные участники и модераторы, которые следят за порядком и качеством подсказок.

    Если вы у нас впервые, загляните на страницу о проекте, чтобы узнать больше. Чтобы создавать темы и писать сообщения, сначала зарегистрируйтесь, а затем войдите под своим логином.

    Не знаете, с чего начать? Создайте тему с описанием проблемы – подскажем и при необходимости перенесём её в подходящий раздел.
    Задать вопрос Новые сообщения Как правильно спросить
    Если пришли по ссылке со старого Tehnari.ru – вы на нужном месте, просто продолжайте обсуждение.

Печатная плата TDA 8560q

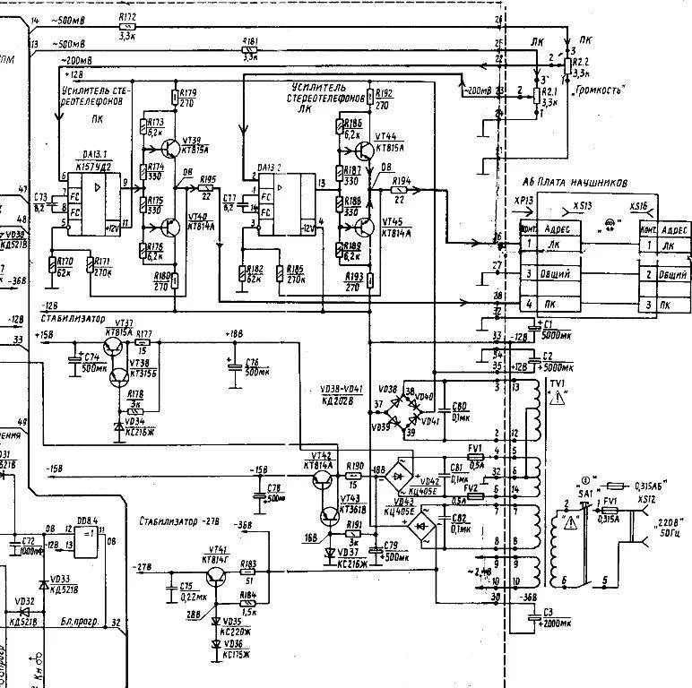
у этой веги транс на два по 15 вольт после выпрямителя :)
 
Незнаю я меерил после выпрямителя у меня 29-30 где то так получалось !
 
У неё вся схема работает от +- 15 вольт. Ты наверное мерил без нагрузки. Или у тебя тестер не очень честный ;)
 
Без нагрузки это ты имеешь ввиду на тестере или как ?
 
Так Я немного ошибся. Вот схема транса ;)
 

Вложения

  • ВЕГА.webp
    ВЕГА.webp
    109.3 KB · Просмотры: 4,084
Блин а у меня ещё все хуже ! в схемах я плохо разбираюсь ! Не мог бы ты мне объяснить какая мощность у транса кол-во обмоток и выходное напряжение без выпрямления !
 
Вот насчёт мощности ничего сказать не могу. у него четыре вторичные обмотки. Две из которых имеют отводы от середины.
а вот с вольтажом там на схеме непонятно. Надо нормальным тестером мерить.
 
Блин че мне теперь делать мой походу неисправен сначала вроде нормально показывал теперь хрень одну !
 
походу ты его поджарил :(

Подожди. Я чот не понял для какой микросхемы ты хочешь этот транс применить ?
 
ну он слабый для неё. Его можно использовать если не на полную мощность раскачивать микросхему. Но для этого его нужно будет перематывать.
 
А сколько стоит трансформатор как у Валерия в усилителе ?
 
Вот этого я не знаю никогда не покупал. Я использовал для такого усилителя трансформатор от старого советского усилка . По моему от Амфитона. Он тютелька в тютельку подошёл по напряжениям.
 
не ну я мерил когда тестер вроде ещё был исправен после выпрямления и показывал 30v
 
Для tda 7294 нужно два напряжения по 30 вольт относительно общего провода. а на этом трансе насколько я могу судить по схеме, со средней точкой только 15 вольт. И одно напряжение в 27 вольт.
 
А как правильно навесным монтажом собрать этот усилитель ?
 
Назад
Сверху