• Добро пожаловать на компьютерный форум Tehnari.ru. Здесь разбираемся с проблемами ПК и ноутбуков: Windows, драйверы, «железо», сборка и апгрейд, софт и безопасность. Форум работает много лет, сейчас он переехал на новый движок, но старые темы и аккаунты мы постарались сохранить максимально аккуратно.

    Форум не связан с магазинами и сервисами – мы ничего не продаём и не даём «рекламу под видом совета». Отвечают обычные участники и модераторы, которые следят за порядком и качеством подсказок.

    Если вы у нас впервые, загляните на страницу о проекте, чтобы узнать больше. Чтобы создавать темы и писать сообщения, сначала зарегистрируйтесь, а затем войдите под своим логином.

    Не знаете, с чего начать? Создайте тему с описанием проблемы – подскажем и при необходимости перенесём её в подходящий раздел.
    Задать вопрос Новые сообщения Как правильно спросить
    Если пришли по ссылке со старого Tehnari.ru – вы на нужном месте, просто продолжайте обсуждение.

Повышение мощности TDA7294

  • Автор темы Автор темы TSKos
  • Дата начала Дата начала
КТ8101А - 2SC5200
КТ8102А - 2SA1943
 
что правдо что 2sc5200, 2sa1943 стоят 300рублей........??? кто-нить покупал?
 
Средняя цена 70 руб за 1шт. Я брал много, отдали по 60.
 
Я брал по 30 руб за 1шт 2sc5200, 2sa1943.
 

Вложения

  • 100_4508.webp
    100_4508.webp
    63.1 KB · Просмотры: 1,325
Незнаю. Где покупал, там отдельно каждый транзистор продавался. А что вы хотите? 100 ватт усилитель за 100 рублей? Такого не бывает. Минимум с блоком питания выйдет на 1000-1500р., это как повезет купить.
 
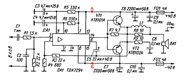
Там же в схеме все подписано:
umoznenie.gif

И почитайте статью повнимательнее.
 
ну вот саб у меня на 150ватт соберу я с транзисторами он от него не сгорит?
 
ну вот саб у меня на 150ватт соберу я с транзисторами он от него не сгорит?
 
Не, не сгорит. Если конечно 150 Вт - реальная его мощность.
 
Да в даташите всё по серьёзнее, правда там 7293, ну какая в общем разница, эта даже помощнее.
 

Вложения

  • TDA7293_transistors.webp
    TDA7293_transistors.webp
    46.8 KB · Просмотры: 1,511
а как измерить на сколь он точно ватт(саб)?
 
Мда... Лучше буду использовать сзему без транзисторов...
 
а если дать +-33вольта на нёё и нагрузить 4 оМ то сколь она ватт будет выдавать?
 
Где то 90 Ватт ... :)
 
а почему тогда везде пишут что при питании +-27 будет 100ватт мошности?
 
а если дать +-33вольта на нёё и нагрузить 4 оМ то сколь она ватт будет выдавать?
Сгорит. графики выходной мощности от напряжения смотрим. Там все расписано.
 
Назад
Сверху