Повышение мощности

ладно.......

George Smith схему включения транзисторов можите нарисовать?тех которые дадут ватта3.......
 
что еще кроме транзисторов нужно купить???резисторы что еще???сам усилитель готовй (тда2822м) лежит на столе.......
 
тока 3акума у меня........лудше с добавлением транзисторов.
Выше напряжения питания не прыгнуть. даже с транзисторами.

Делай 2 микры в мосте
Правильно пишет. Только мост на 8 ом. Вот тут могут понадобиться транзисторы для разгрузки по току, если динамик 4 ома.
если да, то тебе надо всего лишь добавить каскад на транзисторе с общим коллектором
вот так. транзистор бери например кт816 или любой другой п-н-п средней мощности.
Опять чудеса :) вам хоть бы теории какой нибудь почитать.
Надо БИ-полярную пару ставить КТ814+КТ815
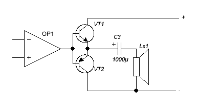
Где-то подобное видел. Выходной каскад класса Б. Базы транзисторов просто соединяются вместе с выходом ОУ.
 
Где-то подобное видел. Выходной каскад класса Б. Базы транзисторов просто соединяются вместе с выходом ОУ.
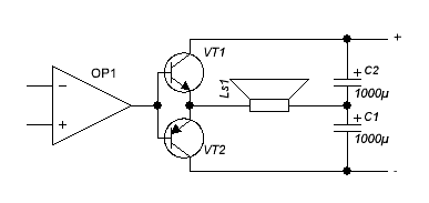
Дима, совершенно в дырочку, только с другой стороны динамик на среднюю
точку последовательных электролитов на питании ... :D
 
дима надо то поднять до 2,5ватт.......на 4 ом,делать 2микры не идет,так как эту еле нашел.........
 
другой стороны динамик на среднюю
точку последовательных электролитов на питании
Bclass.GIF
Я понял что так надо.
 
дима а транзисторы какие кт 817 и 819???
 
Все правильно, транзисторы КТ816+КТ817 ... :)
 
все ща за деталями поеду:)
 
Но прирост мощности все равно мизерный. Тут два пути, или напряжение питания повышать, или в мост переводить. Хотя все равно попробуй, делов то, два транзистора припаять. Узнаем как оно работает.

Вот усилитель класса Б

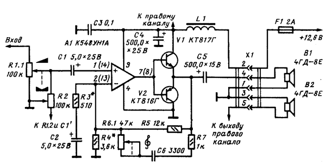
548.gif

Но он полностью охвачен обратной связью.
А как TDA2822 поведет себя, неизвестно - это нужно проверять.
 
Назад
Сверху