serij-68tmb
Новые
- Регистрация
- 23 Авг 2012
- Сообщения
- 1,801
- Реакции
- 58
- Баллы
- 0
Вот с фотками проблема будет - если только с телефона, фотоаппарат ещё хуже фотографирует)
Смотрите видео ниже, чтобы узнать, как установить наш сайт в качестве веб-приложения на домашнем экране.
Примечание: Эта возможность может быть недоступна в некоторых браузерах.
Добро пожаловать на компьютерный форум Tehnari.ru. Здесь разбираемся с проблемами ПК и ноутбуков: Windows, драйверы, «железо», сборка и апгрейд, софт и безопасность. Форум работает много лет, сейчас он переехал на новый движок, но старые темы и аккаунты мы постарались сохранить максимально аккуратно.
Форум не связан с магазинами и сервисами – мы ничего не продаём и не даём «рекламу под видом совета». Отвечают обычные участники и модераторы, которые следят за порядком и качеством подсказок.
Если вы у нас впервые, загляните на страницу о форуме и правила – там коротко описано, как задать вопрос так, чтобы быстро получить ответ. Чтобы создавать темы и писать сообщения, сначала зарегистрируйтесь, а затем войдите под своим логином.
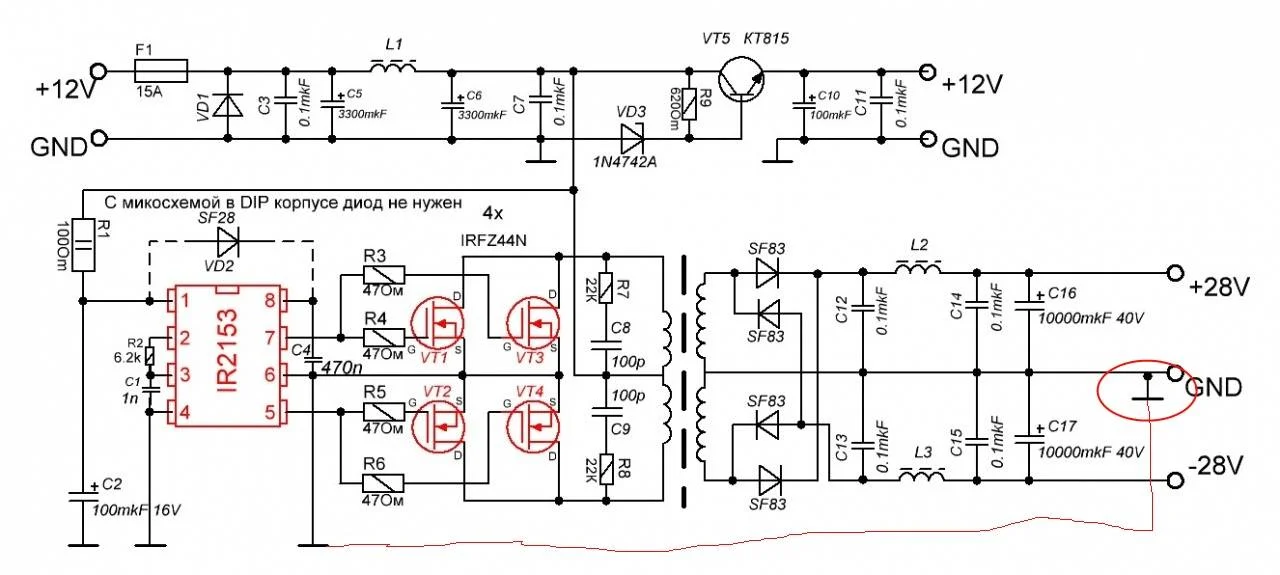
Какой мощности резисторы использовать?
Вот фото, качество плохое конечно, но что смог сделать... Напаяно, сам понимаю, ужасно, но нигде ничего не замыкает.
При перемыкании выводов, указанных на схеме, на выходных конденсаторах сразу появляется 70 вольт постоянки, если не убрать это замыкание, напряжение растет дальше... Разница напряжений в плечах - 0.4 вольт. При этом транзистор (обведен красным) очень сильно греется за несколько секунд - плюнешь на него - моментально всё закипает tehno004
Убираю замыкание - БП перестает гудеть, напряжение на выходе постепенно очень-очень медленно спадает до нуля (как я понял, разряжаются кондеры). Транзистор остывает...
Где я мог накосячить?
Заранее благодарен.
С Уважением, Сергей.
1-е: Перемычки снять, и поставить дросселя и предохранитель на место!
2-е: Вымыть всю плату от канифоли. И проверить на замыкание других контактов!
3-е: Трант скорее всего не правильно намотан. На то и греется, они греются обычно парой.
4-е: Диод FR607(по виду они у тебя стоят), замени на КД213А/Б/В/Г. Я ставил КД213Г, они самые дешевые.
5-е: Пока тестируешь с запуском, включай через лампочку накаливания 12в/25-55ватт. Чтоб сохранить жизнь ключей. Если замыкание будет, лампочка загорится. Если все путем, лампочка не должна гореть вообще.(даже в темноте)
То что гудит это плохо, полярность на конденсаторах не перепутал? Посмотри конденсаторы теплые, или нет.
Подключи без кондеров, посмотри будет гудеть или нет.
Я тоже мучился к таким трансом долго, потом плюнул и взял просто ферритовое кольцо. С 1 раза намотал, и запустился без проблем.
У нас 213ые по 55 рублей за штуку( а FR - 11 рублей. И причем они тут вообще?)
Дросселей нету... Мне сказали, что должно и без них заработать, просто усил возбуждаться будет.
Значит мотай, самоделки.

Да нет, я совсем не гуру и в электронике многого не знаю, просто прислушиваюсь к объяснениям грамотных людей и сам стараюсь понять принципы работы нужных мне схем. Схему преобразователя хоть я и сам нарисовал, но под чутким руководством грамотных людей в частности George Smith , но и многие другие участники форума помогали. А далее осталось все это дело собрать в железе и протестировать, что я и сделал.многоуважаемый DDREDD, я так понял вы просто гуру в преобразователях
Нет пока не переделал (там просто ноги на транзисторе надо поменять, можно и эту печатку взять только ноги транзистора согнуть чтобы правильно воткнутьошибка исправлена или пока нет ?
Очень нежелательно оставлять лампочку в цепи преобразователя и нагружать его. Надо без нагрузки включить, если не горит и есть выходное напряжение то включать без неё с нагрузкой.Лампочка стоит, без нагрузки чуть горит, с нагрузкой в пол силы, что то замыкает или это нормально?
В данном случае у нас "-" и есть средняя точка относительно которой и формируется положительное и отрицательное напряжениеИ еще вопрос зачем от вторички "среднюю точку" обратно на - возвращаем?
По поводу минуса, то есть если так не сделать то вообще не будет работать?
Посмотреть вложение 116001