- Регистрация
- 23 Июл 2012
- Сообщения
- 4,803
- Реакции
- 186
- Баллы
- 0
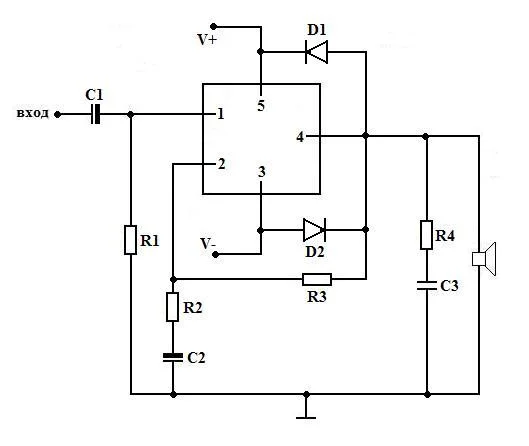
Могу еще посоветовать глянуть работы Акулиничева в радио3/80 и радио 10/89год. Никаких резисторов в искуственной средней точке нет и не нужны они там.
У Акулиничева действительно не нужны, так как там средняя точка конденсаторов питания не является опорной, и напряжение на ней автоматически подстраивается под напряжение выхода усилителя. Здесь другой случай и этот номер не прокатывает.