- Регистрация
- 11 Окт 2012
- Сообщения
- 1,084
- Реакции
- 36
- Баллы
- 0
ищи в гугле инфу от ЛИНКОРа. МФ-1 (анг.)- слушаю, не на слушаюсь, звук- АГОНЬЬЬ!!! Даже ни ожидал от 7294 такого ЗВУКА.
Смотрите видео ниже, чтобы узнать, как установить наш сайт в качестве веб-приложения на домашнем экране.
Примечание: Эта возможность может быть недоступна в некоторых браузерах.
Добро пожаловать на компьютерный форум Tehnari.ru. Здесь разбираемся с проблемами ПК и ноутбуков: Windows, драйверы, «железо», сборка и апгрейд, софт и безопасность. Форум работает много лет, сейчас он переехал на новый движок, но старые темы и аккаунты мы постарались сохранить максимально аккуратно.
Форум не связан с магазинами и сервисами – мы ничего не продаём и не даём «рекламу под видом совета». Отвечают обычные участники и модераторы, которые следят за порядком и качеством подсказок.
Если вы у нас впервые, загляните на страницу о проекте, чтобы узнать больше. Чтобы создавать темы и писать сообщения, сначала зарегистрируйтесь, а затем войдите под своим логином.
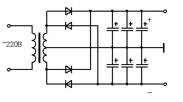
Да! Питание обязательно двухполярное!Э!!! А земля трансформатора куда делась? С транса должно идти 3 провода + - "земля"
Вот и не работает. Надо двух полярное питание тоесть + общий -.Тоесть от БП идут 2 провода + и -
Конечно в продаже имеются такие трансформаторы, цена более 1500 рублей. Мотать не долго, но надо ещё и уметь.А есть какой нибудь готовый трансформатор ( чтобы купить ) ? А то мне кажеться долго это мотать , и дорого
Жесть, как она есть.а блок питания у меня +-12В только , земли нету
Вот потому и звук плохой, эта микросхема работает ТОЛЬКО при двуполярном питании, тоесть от бп должно идти 3 провода. Она у вас работает только благодаря двум конденсаторам на плате усилителя по питанию, которые образуют среднюю точку, но при этом у вас питание получаеться не 12В а 12/2 тоесть по 6 В в плече, а это очень мало для нее.земли нету ... Тоесть от БП идут 2 провода + и -
А можно фото данного трансформатора. Продавцам лишь бы продать.купил трансформатор 2*17В 2А (продавец сказал 2х ампер до жопы хватит , что "УНЧ Зуева , который 200 ватт выдаёт от 1,5 ампер работает хорошо , а этому уж подавно хватит 2А") дак вот , и не купил 2 конденсатора, которые надо поставить после диодного моста. Можно ли включить питание без этих конденсаторов?=)