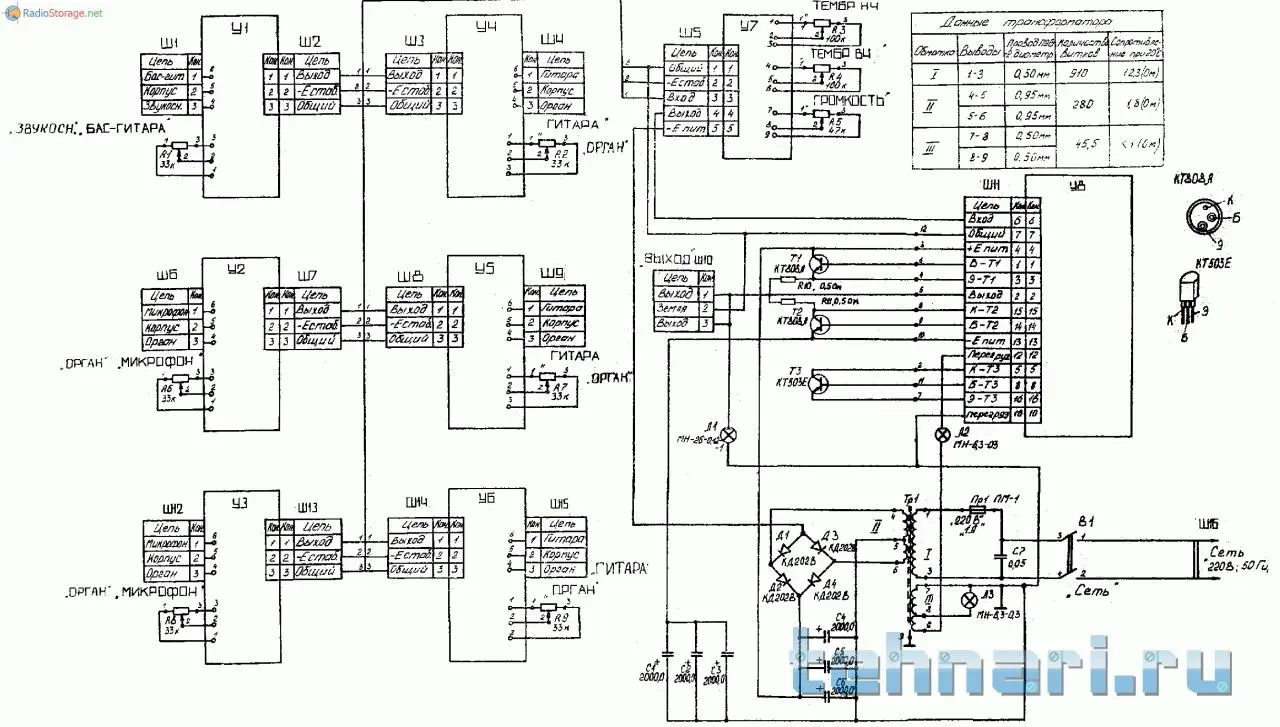
Ремонт усилителя УЭМИ-50

При вставленной плате усилителя напряжения перегорает резистор 0.5 ом на выходном транзисторе Т 2 и транзисторы Т2 и Т3 в плате усилителя напряжения .
Все глаза поломал особенно на второй картинке, но не нашел ни резистора 0,5 Ом, ни выходного транзистора Т2 на плате усилителя напряжений.
Можно увидеть схему девайса в нормальном качестве?
 
Фальконист большой молодец, всегда готов помочь советом, подсказать что и как делать. Но это не умаляет важности предоставления человеком минимально необходимых сведений. Потому что без них просто нереально помочь, как бы этого и ни хотелось. Не зря на коте существует расхожий ответ на подобные вопросы, «экстрасенсы нынче в отпуске» :) Вот схема
 

Вложения

  • Без названия (5).webp
    Без названия (5).webp
    132.9 KB · Просмотры: 203
Последнее редактирование:

Вложения

  • power-amplifiers-113.png.webp
    power-amplifiers-113.png.webp
    102.6 KB · Просмотры: 213
Ну так совсем другое дело!
Судя по вылетающим транзисторам, у ТС завышено питание +-Епит. Нужны измерения этих напряжений.
 
Пусть хотя бы постоянку на выходе глянет, вместе с питающими напряжениями. Уже сколько раз написано об этом
 
Судя по вылетающим транзисторам, у ТС завышено питание +-Епит.
опа, и мне, вдруг, стало интересно
с какого это перепрыга , питание вдруг стало повышенным?
:tehnari_ru_203:
хотя бы постоянку на выходе глянет
Уже сколько раз написано об этом
Да хоть стопятьсот раз напиши об этом.
Автор темы ждёт когда ему напишут какую детальку надо заменить, чтобы аппарат заработал. Разве не понятно ?
 
По ходу ТС исчез с форума и на связь не выходит.
Ладно, подождем.
 
Сергей, может быть там короткое в плате усилителя, база оконечника Т2 постоянно открытая и из-за этого сгорает "сопля" в цепи коллектора.
 
может быть там короткое в плате усилителя
Там может быть всё, что угодно. Ремонтить аппаратуру с помощью интернета, да ещё и не специалисту, это как ставить диагноз больному пациенту по телефону.
 
203го Евгения уж и след давно простыл, а мы тут всё ему усилок ремонтируем! Думается мне, что уэми давно уже на помойке, либо снесён в мастерскую к настоящему мастеру, который даст реальный ремонт!!! :))
 
Там может быть всё, что угодно. Ремонтить аппаратуру с помощью интернета, да ещё и не специалисту, это как ставить диагноз больному пациенту по телефону.
Сергей, Вы полагаете, что это невозможно? Отнюдь!
Я знаю нескольких врачей которые это умеют делать. Только вот они всё равно требуют результаты анализов крови и мочи (типа, измерения).
Почему я сказал на счет завышенного питания? Да всё просто: транзисторы Т2 и Т3 схорают из-за превышения напряжения Э-К. Именно этими выводами они подключены к разным полюсам питания через резистор R4 малого сопротивления, а больше ничего так не подключено. Отсюда и мой вывод. Разве это не логично?
 
Я знаю нескольких врачей которые это умеют делать.
Без осмотра пациента ???
Так это не врачи, а, как бы помягче выразиться, просто шарлатаны. Я бы к таким, точно, не обращался за помощью.
транзисторы Т2 и Т3 схорают из-за превышения напряжения Э-К
Какое там превышение ? :tehnari_ru_203:
Питание оконечного усилителя +/- 47 Вольт, это максимум. А у выходных транзисторов КТ808А максимальное напряжение К-Э 120 Вольт. Откуда там возьмётся превышение?
 

Вложения

  • КТ808А.png.webp
    КТ808А.png.webp
    47.3 KB · Просмотры: 129
Т2 и Т3 - КТ503Е, а у них напряжение К-Э импульсное 80 В.
 
Да всё просто: транзисторы Т2 и Т3 схорают из-за превышения напряжения Э-К. Отсюда и мой вывод. Разве это не логично?
Да, Николай, в логике тебе не откажешь! Может всё таки объяснишь - разменяешь, от куда всё таки может вдруг повысится питание? У меня есть несколько предположений на этот счёт :
1. Неожиданно в розетке куда был подключён усилитель, вдруг появилось 380 в
2. Неожиданно произошло межвитковое замыкание в силовом трансе. При этом сам транс не сгорел, и даже не нагрелся.
3. Кто то пробрался ночью к ТК, и заменил с целью диверсии транс в усилителе
4. Инопланетное вмешательство
5. Полтергейст
 
Народ, ну что же вы все какие невнимательные?

При вставленной плате усилителя напряжения перегорает резистор 0.5 ом на выходном транзисторе Т 2 и транзисторы Т2 и Т3 в плате усилителя напряжения .
Речь в моих постах про Т2 и Т3 платы усилителя напряжения. Выходные каскады пока рано рассматривать, если предвариловка летит.
Причины превышения напряжения могут быть самые разные. Самая банальная - трансформатор включен в 220 В на первичную обмотку 110 (127) В.
 
А ведь Николай похоже прав, говоря про те транзисторы! За соснами леса не увидел я. Может быть транзисторы бракованные? Нужно менять их на 2n5551/2n5401, они более выносливые
 
Назад
Сверху