V. T.
Lamer
- Регистрация
- 27 Сен 2012
- Сообщения
- 49
- Реакции
- 0
- Баллы
- 0
[FONT="]Добрый день![/FONT]
[FONT="]Делаю ремонт в квартире. В одной из комнат в вместо обычного выключателя света поставил сенсорный. Такого, чтоб вписался в интерьер я не нашёл и потому пришлось выписывать самый дешёвый, а потом ножницами, напильником и паяльником ваять сенсорную пластину из латунного листа... получилось не очень красиво. Кроме того – со всеми пересылками и наложенными платежами он вышел более 1 000 руб (!!!)[/FONT]
[FONT="]Так как мне 50 лет, образование среднее, я мало чего понимаю в электронике (могу только отличить транзистор от резистора, тиристора и т.д. и т.п.), но паяльник в руках держал, и, думаю, что собрать по внятной схеме (с указанием параметров деталей) простенькое устройство смогу, "полез" в и-нет и здесь наткнулся на QT102… И вот теперь, у меня идефикс сделать сенсорный выключатель на основе QT102. В даташитах, в описаниях и на форумах много умных советов и всяких заумных (для меня) слов, а принципиальных схем нигде нет!!![/FONT]
[FONT="]На этой ветке форума в вашем диспуте видно более детальное осмысление работы данного девайса. Но опять – для моего ума и это слишком сложно…[/FONT]
[FONT="]Не могли бы вы растолковать (а ещё лучше набросать схему) как мне встроить это чудо в выключатель света 220v:[/FONT]
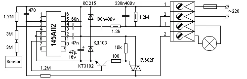
[FONT="]Чтоб включал/выключал освещение (мощность около 200[/FONT][FONT="]w[/FONT][FONT="], будут использоваться или лампы накаливания, или [/FONT]люминесцентные [FONT="]лампы)? Так чтоб устройство помещалось в гнезде под стандартный выключатель? Чтоб питалось от 220[/FONT][FONT="]v[/FONT][FONT="]– без применения батареек (мне кажется, что имея "под руками" сеть, пользоваться батарейками "не комильфо"), без всяких катушечных трансформаторов, а так как в приложенной ниже схеме?[/FONT]
[FONT="]Как переделать её на 5[/FONT][FONT="]v[/FONT][FONT="]?[/FONT]
[FONT="]Как сделать так, чтоб сенсорная пластина подсвечивалась светодиодом, изменяющим свой цвет в зависимости от состояния – ВКЛ или ВЫКЛ?[/FONT]
[FONT="]Можно ли сделать выключатель проходным – чтоб включался свет возле входа в комнату, а выключался в дальнем углу этой же комнаты и наоборот (т.е. подключить параллельно к устройству две сенсорные пластины, разнесенные в пространстве)?[/FONT]
[FONT="]Нашёл схемы сенсорного выключателя на БИС 145АП2 Ссылка удалена, можно ли переделать их под QT102?[/FONT]
[FONT="]Буду признателен за конкретные и толковые ответы на вопросы, а не отсылки к спецматериалам и учебникам.[/FONT]
[FONT="]Делаю ремонт в квартире. В одной из комнат в вместо обычного выключателя света поставил сенсорный. Такого, чтоб вписался в интерьер я не нашёл и потому пришлось выписывать самый дешёвый, а потом ножницами, напильником и паяльником ваять сенсорную пластину из латунного листа... получилось не очень красиво. Кроме того – со всеми пересылками и наложенными платежами он вышел более 1 000 руб (!!!)[/FONT]
[FONT="]Так как мне 50 лет, образование среднее, я мало чего понимаю в электронике (могу только отличить транзистор от резистора, тиристора и т.д. и т.п.), но паяльник в руках держал, и, думаю, что собрать по внятной схеме (с указанием параметров деталей) простенькое устройство смогу, "полез" в и-нет и здесь наткнулся на QT102… И вот теперь, у меня идефикс сделать сенсорный выключатель на основе QT102. В даташитах, в описаниях и на форумах много умных советов и всяких заумных (для меня) слов, а принципиальных схем нигде нет!!![/FONT]
[FONT="]На этой ветке форума в вашем диспуте видно более детальное осмысление работы данного девайса. Но опять – для моего ума и это слишком сложно…[/FONT]
[FONT="]Не могли бы вы растолковать (а ещё лучше набросать схему) как мне встроить это чудо в выключатель света 220v:[/FONT]
[FONT="]Чтоб включал/выключал освещение (мощность около 200[/FONT][FONT="]w[/FONT][FONT="], будут использоваться или лампы накаливания, или [/FONT]люминесцентные [FONT="]лампы)? Так чтоб устройство помещалось в гнезде под стандартный выключатель? Чтоб питалось от 220[/FONT][FONT="]v[/FONT][FONT="]– без применения батареек (мне кажется, что имея "под руками" сеть, пользоваться батарейками "не комильфо"), без всяких катушечных трансформаторов, а так как в приложенной ниже схеме?[/FONT]
[FONT="]Как переделать её на 5[/FONT][FONT="]v[/FONT][FONT="]?[/FONT]
[FONT="]Как сделать так, чтоб сенсорная пластина подсвечивалась светодиодом, изменяющим свой цвет в зависимости от состояния – ВКЛ или ВЫКЛ?[/FONT]
[FONT="]Можно ли сделать выключатель проходным – чтоб включался свет возле входа в комнату, а выключался в дальнем углу этой же комнаты и наоборот (т.е. подключить параллельно к устройству две сенсорные пластины, разнесенные в пространстве)?[/FONT]
[FONT="]Нашёл схемы сенсорного выключателя на БИС 145АП2 Ссылка удалена, можно ли переделать их под QT102?[/FONT]
[FONT="]Буду признателен за конкретные и толковые ответы на вопросы, а не отсылки к спецматериалам и учебникам.[/FONT]
