Смотрите видео ниже, чтобы узнать, как установить наш сайт в качестве веб-приложения на домашнем экране.
Примечание: Эта возможность может быть недоступна в некоторых браузерах.
Добро пожаловать на компьютерный форум Tehnari.ru. Здесь разбираемся с проблемами ПК и ноутбуков: Windows, драйверы, «железо», сборка и апгрейд, софт и безопасность. Форум работает много лет, сейчас он переехал на новый движок, но старые темы и аккаунты мы постарались сохранить максимально аккуратно.
Форум не связан с магазинами и сервисами – мы ничего не продаём и не даём «рекламу под видом совета». Отвечают обычные участники и модераторы, которые следят за порядком и качеством подсказок.
Если вы у нас впервые, загляните на страницу о проекте, чтобы узнать больше. Чтобы создавать темы и писать сообщения, сначала зарегистрируйтесь, а затем войдите под своим логином.
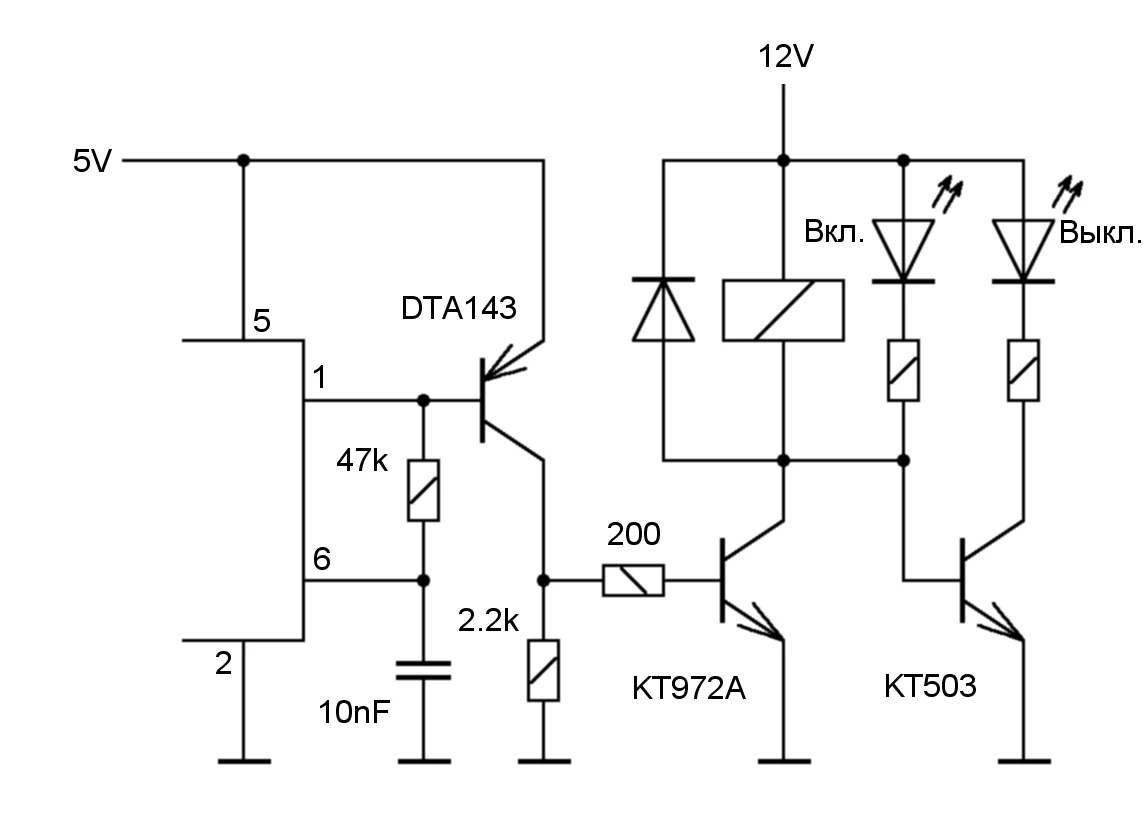
Дапарни как я понел Rm на + кидать??
У меня стоит на 500кОми на сколько там резистор стоит??на 1мегоОм???
Как я понял в связке с конденсатором они регулируют чувствительность.что им регулируеться?
Вот последняя ревизиясаня печатку под Rm переделывать нужно??или сразу можно переносить и травить??

Да а что?саня ты её для усилителя сделал?

Теоретически должен, но у меня работал очень не стабильно.а от батарейки работает нет?)))
Вообще он по даташиту может и на 20мм корректно работатьочень понравилось, что у тебя через толстое стекло заработало!!! вобще супер))
всем привет! собрал по вот этой печатке! собирал обычными детальками (не smd), все работает! только надо чувствительность еще отрегулировать, сейчас стоит конденсатор на 47 нф, пробовал 4.7 и 22 нф еще! фотки и видео выложу позжеВот последняя ревизия (времязадающая цепь на плате не предусмотрена)
Qt102.zip
Я кстати тоже переделаю потом на обычные деталькисобирал обычными детальками (не smd), все работает!
Как я понял в связке с конденсатором они регулируют чувствительность.
Вот последняя ревизия(времязадающая цепь на плате не предусмотрена)
Посмотреть вложение 66938
Посмотреть вложение 66939