• Добро пожаловать на компьютерный форум Tehnari.ru. Здесь разбираемся с проблемами ПК и ноутбуков: Windows, драйверы, «железо», сборка и апгрейд, софт и безопасность. Форум работает много лет, сейчас он переехал на новый движок, но старые темы и аккаунты мы постарались сохранить максимально аккуратно.

    Форум не связан с магазинами и сервисами – мы ничего не продаём и не даём «рекламу под видом совета». Отвечают обычные участники и модераторы, которые следят за порядком и качеством подсказок.

    Если вы у нас впервые, загляните на страницу о проекте, чтобы узнать больше. Чтобы создавать темы и писать сообщения, сначала зарегистрируйтесь, а затем войдите под своим логином.

    Не знаете, с чего начать? Создайте тему с описанием проблемы – подскажем и при необходимости перенесём её в подходящий раздел.
    Задать вопрос Новые сообщения Как правильно спросить
    Если пришли по ссылке со старого Tehnari.ru – вы на нужном месте, просто продолжайте обсуждение.

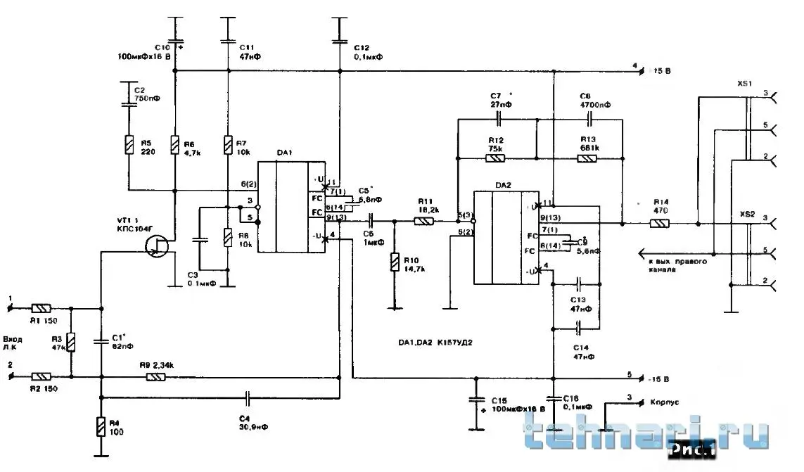
Схема фонокорректора

  • Автор темы Автор темы andrus
  • Дата начала Дата начала
Значит скриншот, всего то не упомнишь. Кстати, напомни как у тебя сделан верхний полигон. По снимку вроде просто раззенковал отверстия, электролиты с шунтирующими емкостями к полигону припаяны. Имеется ввиду PGND.
 
По снимку вроде просто раззенковал отверстия, электролиты с шунтирующими емкостями к полигону припаяны.
Так оно и есть. Земли соединяются на выходе.
 
Ранее я выкладывал ПП фонокорректора, который я использую в данный момент. Вдохновился советом Mr.Fix использовать одну микросхему для каждого канала и перерисовал ПП. Правда она у меня в рабочем компьютере, только в понедельник выложу. Вытравил плату УК Агеева. В понедельник начну пайку.
 
Ну вот что получилось. Первая ПП что было, вторая что создал сейчас. Кому не трудно, проверьте.
 

Вложения

  • КПС104.rar
    КПС104.rar
    57.3 KB · Просмотры: 46
  • УК Каранда.webp
    УК Каранда.webp
    38.5 KB · Просмотры: 3,015
Ну вот спаял. ОУ дома забыл. Шунтирующие конденсаторы и индуктивности пришлось снизу припаивать. С2 и R2 у меня на галетниках.
 

Вложения

  • DSC_0337.webp
    DSC_0337.webp
    112.3 KB · Просмотры: 195
Верхний полигон как используется и в какой точке соединён с общим проводом?
Как окончательно включите и опробуете - напишите.
И оставили бы Вы свои галетники в покое, лишнее это...
 
Отмечено красным соединение полигона с общим. Подберу по звучанию и отключи галетники. А мою ПП Каранды смотрели? Есть замечания?
 

Вложения

  • 111.webp
    111.webp
    120.9 KB · Просмотры: 419
К полигону подключите экран кабеля от головки звукоснимателя, а возвратные провода к сигнальному общему проводу.
Нет, не смотрел.
 
Mr.Fix, посмотри все таки ПП УК Каранды, пожалуйста. А какой коэффициент усиления в УК Агеева? Пришлось на работе сделать БП двухполярку. Но что-то пошло не так. То ли стабы перегрел, то ли они такие и были. Собрал на L7815,L7915. Сделал отводы для подключения стабов на 3,3В и 5,6В для поднятия напряжения. Хочу на работе вначале проверить. Благо генератор, осциллограф есть. Но вот с БП проблема. В понедельник займусь.
 
КУ С. И. Агеева - 40 дБ.
Плату посмотрел - расположение общего провода на плате не очень удачное. Делайте на двухсторонке, на вторую сторону можете перенести не только полигон общего провода, но и все проводники питания.
 
Извиняюсь, не совсем в тему. Получил ОРА627. Как и думал, подделка. Сопротивление меду 1 и 5 ногами должно быть 45-60 кОм. На присланных 1,9 кОм всего. Выемки с левого бока нет. Написал продавцу, ответ насмешил. Вот выдержка из ответа:"Наши продукты авторизованы оригиналом. Все они сделаны в Китае. Все наши товары проходят наш жесткий контроль качества перед отгрузкой. Не могли бы вы оставить товар или вернуть его нам? Как насчет частичного возмещения вам и вам товара? " Одно утешает, на странице товара написано: "Продавец оплачивает доставку возвращаемого товара ". Ссори.
 

Вложения

  • DSC_0342.webp
    DSC_0342.webp
    55.4 KB · Просмотры: 236
Добрался до УК Агеева на LME49860. Пока замерил на выходе постоянку. На одном канале минус 2,6 мВ, на другом 5,2 мВ. Смысла корректировать до нуля не вижу. Плата на работе. На выходных буду слушать.
 
Подключил. Звук отличный (от других :) ). Главное нет гула как у предшественника. Понял, главное грамотно развести землю. На старом корректоре земля разведена была неправильно. В общем доволен.
 
Послушал немного, вроде все хорошо. Но почему-то кажется нет напористости как у УК Каранды. Хотя ОУ одинаковые. Может субъективное мнение.
 
Переработал эту ПП. Сейчас лучше? Третья плата.
 

Вложения

Mr.Fix, если не трудно, прочитайте про наладку УК Каранды (Радиохобби №3 1998 г., стр. 32). Там он подстраивает резистором R6 выход постоянки на первом каскаде до 0,5 В. Это связано с тем что применены К157УД2? Т.е. подается смещение и выводит ОУ на какой-то участок характеристики? Надо ли это делать для ОУ LME49860?
 
Там он подстраивает резистором R6 выход постоянки на первом каскаде до 0,5 В.
По моим представлениям, затвор транзистора должен быть смещён в обратном направлении по отношению к затвору, те на выходе ОУ должно быть отрицательное напряжение с учётом делителя R9, R4. А выбор номинала резистора R6 должен определяться начальным током стока транзистора и падение напряжения на нём должно быть чуть больше, чем на делителе R7, R8, те больше 7,5 вольт.
Это связано с тем что применены К157УД2? Т.е. подается смещение и выводит ОУ на какой-то участок характеристики? Надо ли это делать для ОУ LME49860?
Нет, не зависит от применённого ОУ.
Именно ОУ выводит полевой транзистор на рабочий участок характеристики, а не наоборот!
 
Mr.Fix, спс.
 
Назад
Сверху