- Регистрация
- 15 Июн 2009
- Сообщения
- 2,625
- Реакции
- 40
- Баллы
- 0
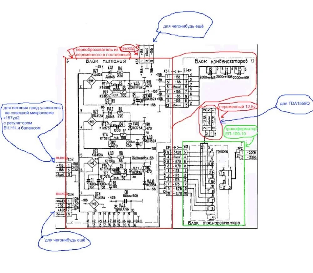
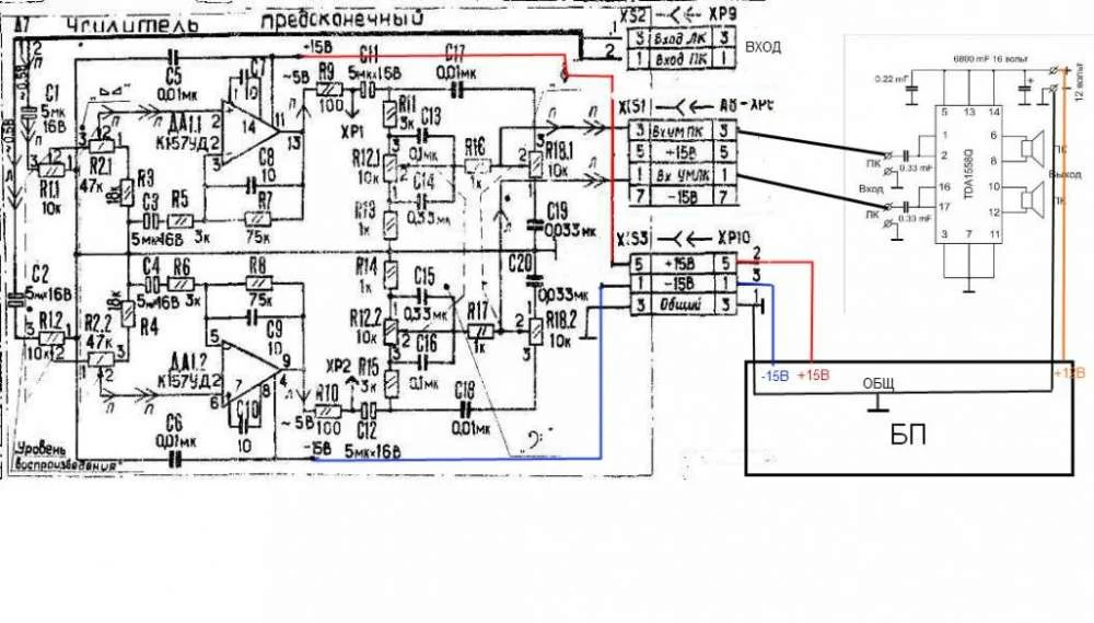
я чет не понял как подрубать этот к157уд2 на 1558.
но питание там двухполярное, поэтому нужен еще будет один транс, другое дело что ест тембрблок этот копейки, но все же.
а если сигнал подаешь с компа, то можно на нем накрутить эквалайзер как тебе охота, и непонадобиться тембрблок.
но питание там двухполярное, поэтому нужен еще будет один транс, другое дело что ест тембрблок этот копейки, но все же.
а если сигнал подаешь с компа, то можно на нем накрутить эквалайзер как тебе охота, и непонадобиться тембрблок.
